Curiosii for ever!
: Car repair manuals for everyone.
Home
>>
Subaru
>>
2004
>>
Outback F6-3.0L
>>
Repair and Diagnosis
>>
Diagrams
>>
Electrical Diagrams
>>
Powertrain Management
>>
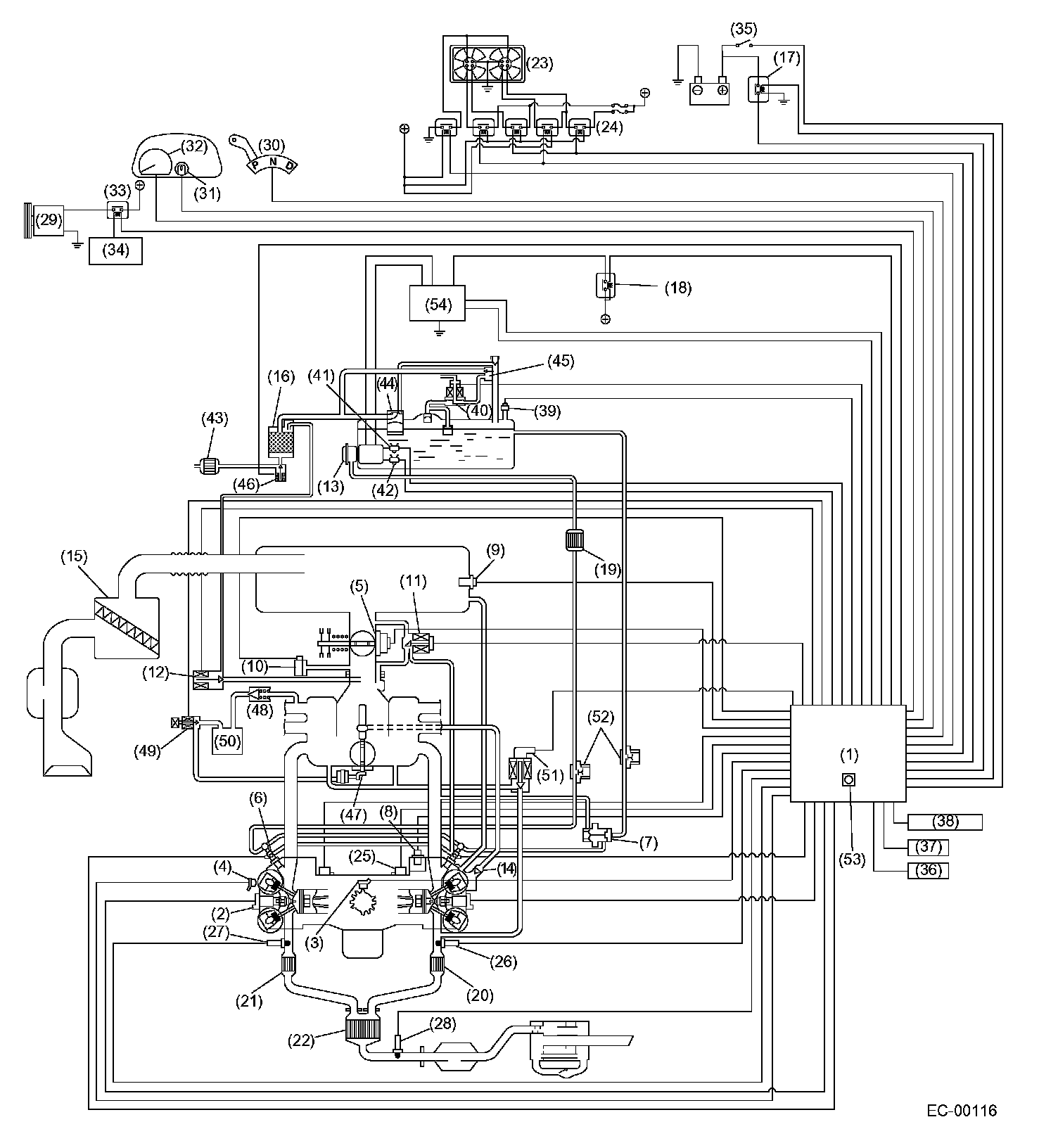
Emission Control Systems
Emission Control Systems
Schematic Diagrams Part 1:
Schematic Diagrams Part 2: