Curiosii for ever!
: Car repair manuals for everyone.
Home
>>
Subaru
>>
2004
>>
Outback F6-3.0L
>>
Repair and Diagnosis
>>
Cruise Control
>>
Testing and Inspection
>>
Symptom Related Diagnostic Procedures
>>
Diagnosis By Symptom
>>
Check Cruise Set Indicator Light
Check Cruise Set Indicator Light
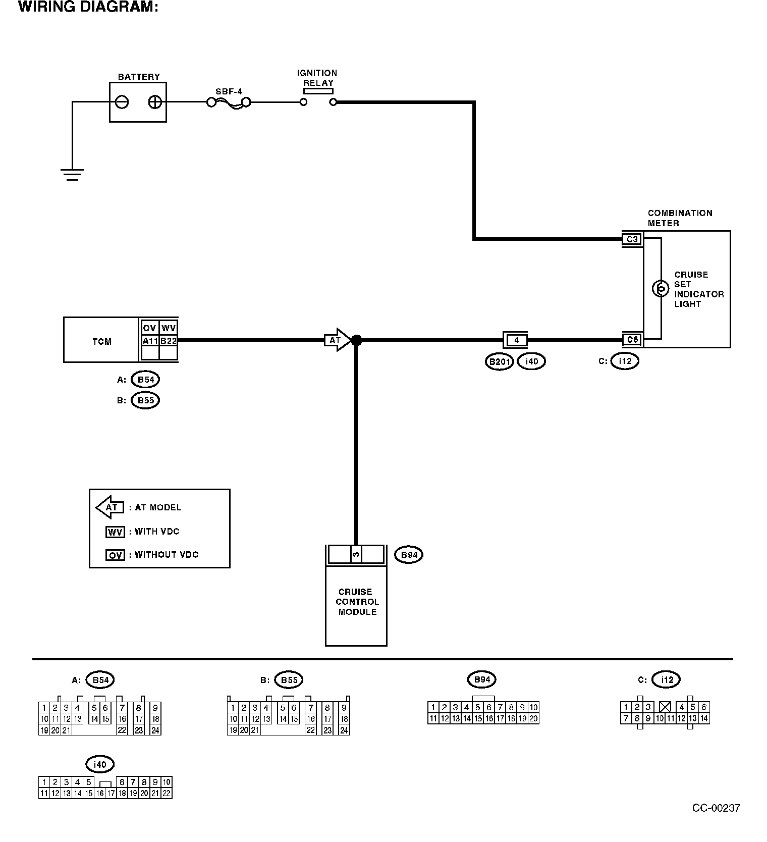
CHECK CRUISE SET INDICATOR LIGHT
TROUBLE SYMPTOM:
Cruise control
cannot be set, but cruise set indicator light dose not illuminate.
Wiring Diagram:
WIRING DIAGRAM:
Step 1 - 3: