Curiosii for ever!
: Car repair manuals for everyone.
Home
>>
Subaru
>>
2004
>>
Outback F4-2.5L SOHC
>>
Repair and Diagnosis
>>
Transmission and Drivetrain
>>
Automatic Transmission/Transaxle
>>
Testing and Inspection
>>
Component Tests and General Diagnostics
>>
A/T Shift Lock System
>>
Key Interlock Does Not Lock or Release
Key Interlock Does Not Lock or Release
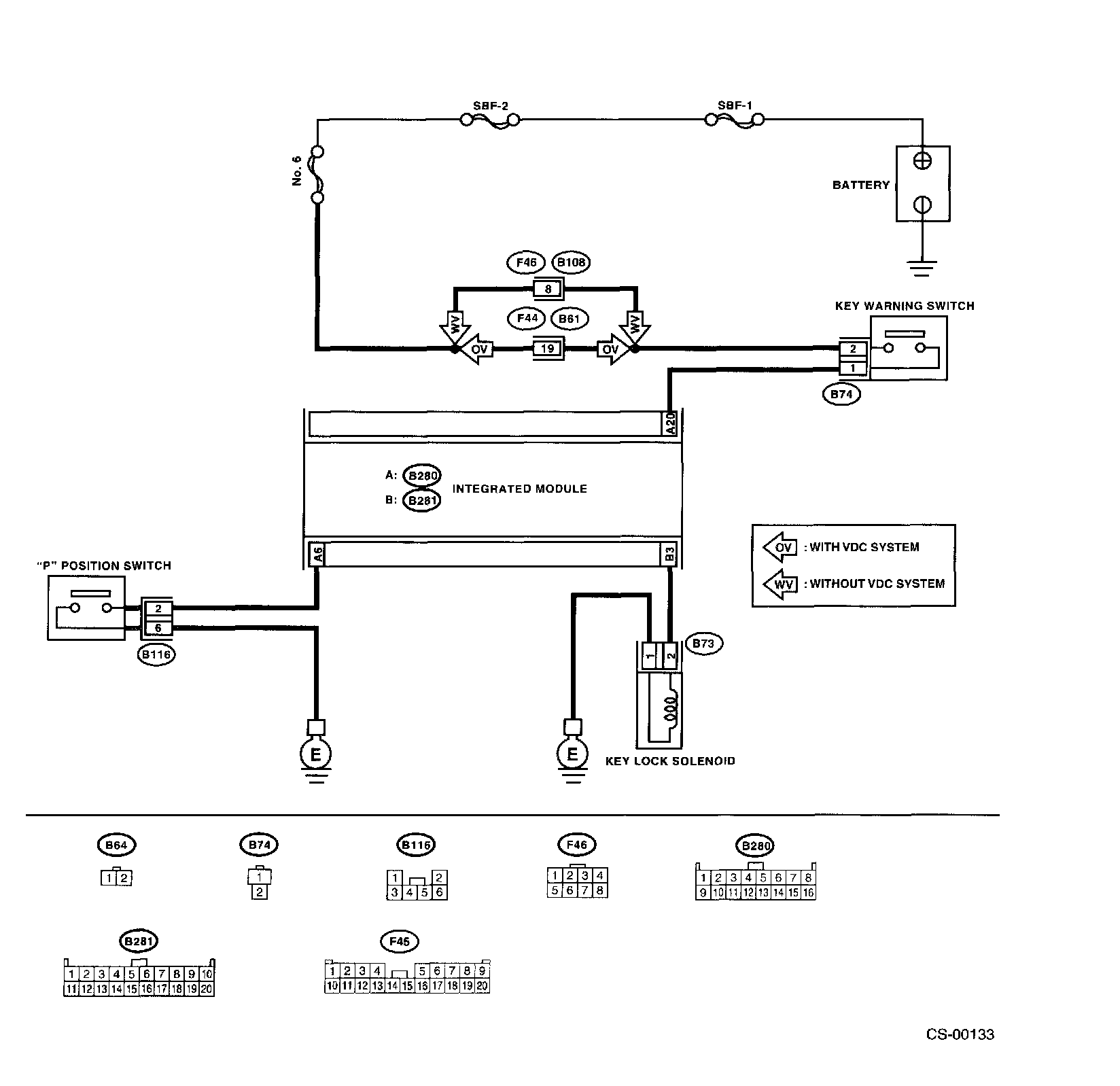
KEY INTERLOCK DOES NOT LOCK OR RELEASE
WIRING DIAGRAM:
Test 1 Of 3:
Test 2 Of 3:
Test 3 Of 3: