Curiosii for ever!: Car repair manuals for everyone.

Diagnostic Procedure For AT Oil Temp Warning Light

Diagnostic Procedure for AT OIL TEMP Warning Light
AT OIL TEMP WARNING LIGHT DOES NOT COME ON OR GO OFF

DIAGNOSIS:
The AT OIL TEMP warning light circuit is open or shorted.

TROUBLE SYMPTOM:
^ When the ignition switch is turned to ON (engine OFF), AT OIL TEMP warning light does not illuminate.
^ When the on-board diagnostics is performed, AT OIL TEMP warning light remains illuminated.

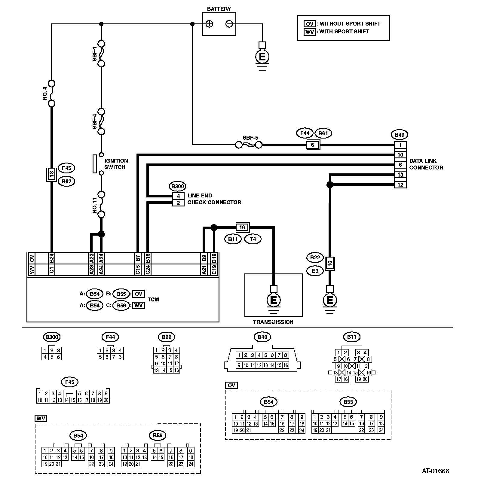
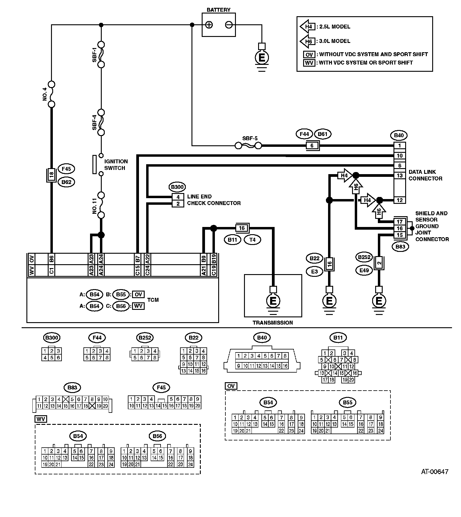
WIRING DIAGRAM:





^ Except 2.5L U5 model and 3.0L model




Steps 1-7:




Steps 8-10:





^ 2.5L U5 model

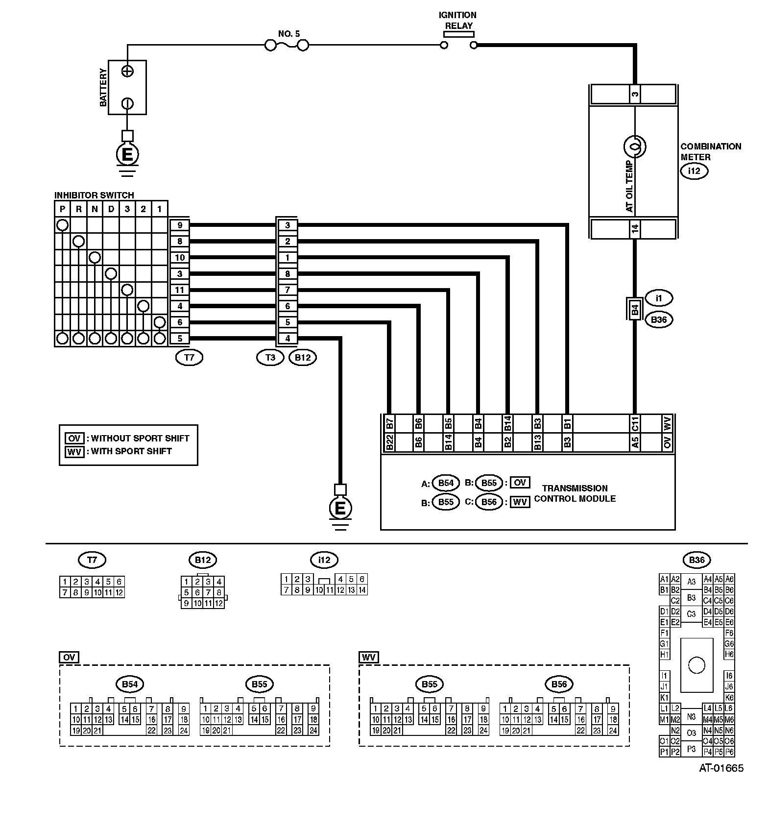
CHECK POWER SUPPLY AND GROUND LINE

WIRING DIAGRAM





^ Except U5 model




Steps 1-6:




Steps 7 & 8:





^ U5 model