Curiosii for ever!: Car repair manuals for everyone.

Ground Distribution

GND-01:






GND-02:






GND-03:






GND-04:






GND-05:






GND-06:






GND-07:






GND-08:






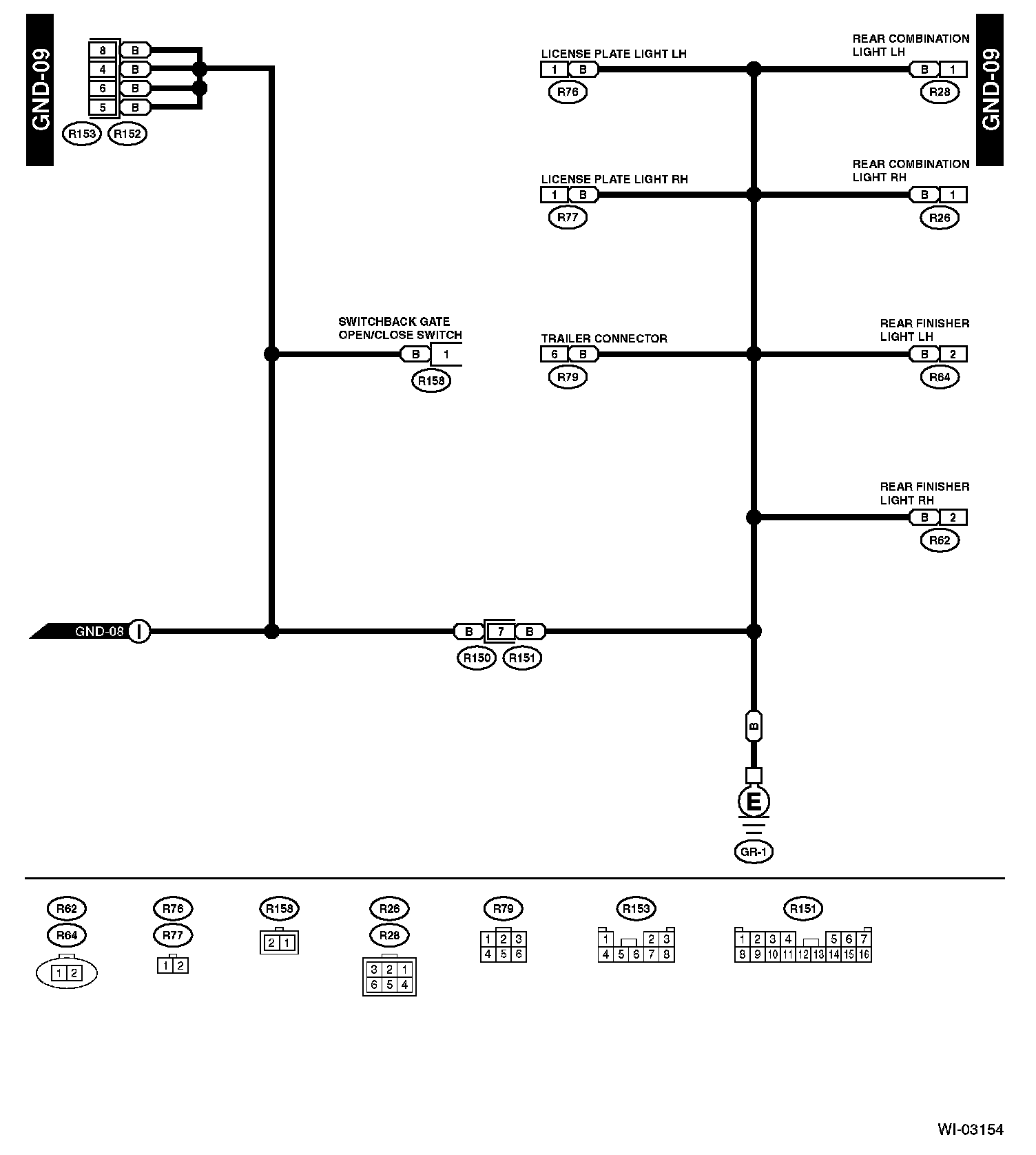
GND-09:






GND-10:






GND-11:






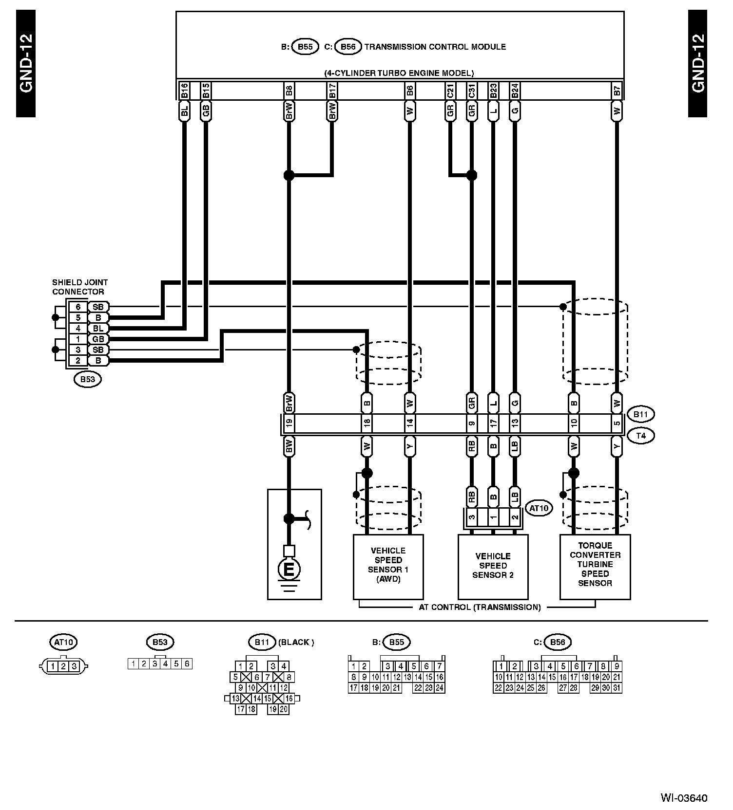
GND-12:






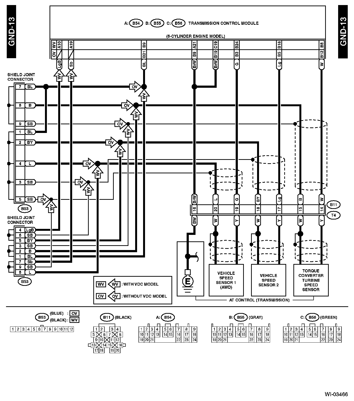
GND-13:






GND-14:






GND-15:






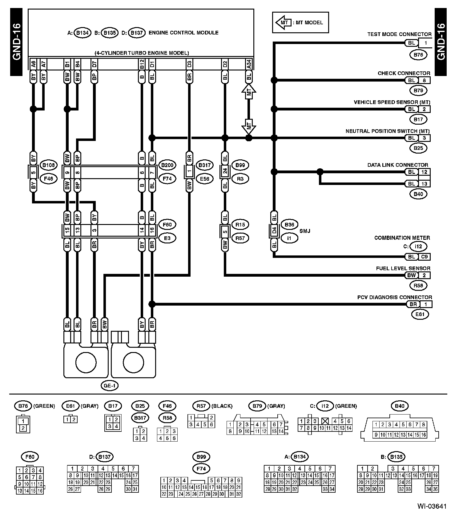
GND-16:






GND-17:






Diagrams: Other diagrams referred to by name within these diagrams (i.e. "REF. TO GND-01", etc) can be found at Diagrams by Diagram Name. Diagrams By Diagram Name