Curiosii for ever!: Car repair manuals for everyone.

Check Cruise Control Main Switch

CHECK CRUISE CONTROL MAIN SWITCH

TROUBLE SYMPTOM:
Cruise control main switch is not turned ON and cruise control cannot be set.

NOTE:
When the main relay (built-in cruise control module) operates, the main switch circuit is in normal condition.
The main relay operation can be checked by hearing the operation sounds.
This operation sounds will be heard when ignition switch and cruise control main switch is turned to ON.

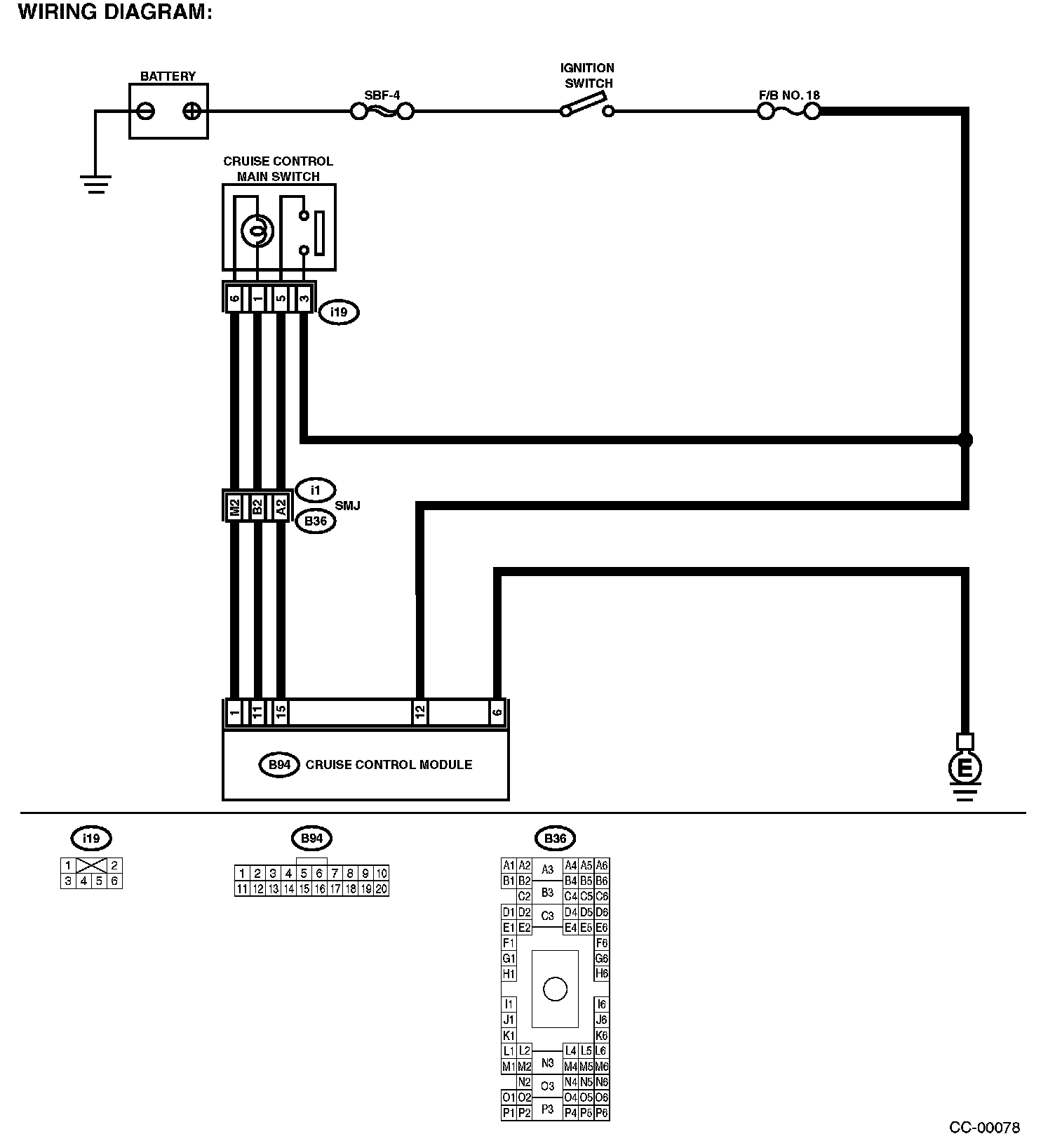
Wiring Diagram:




WIRING DIAGRAM:

Step 1 - 3: