Curiosii for ever!: Car repair manuals for everyone.

Self-Diagnosis Systems Do Not Operate

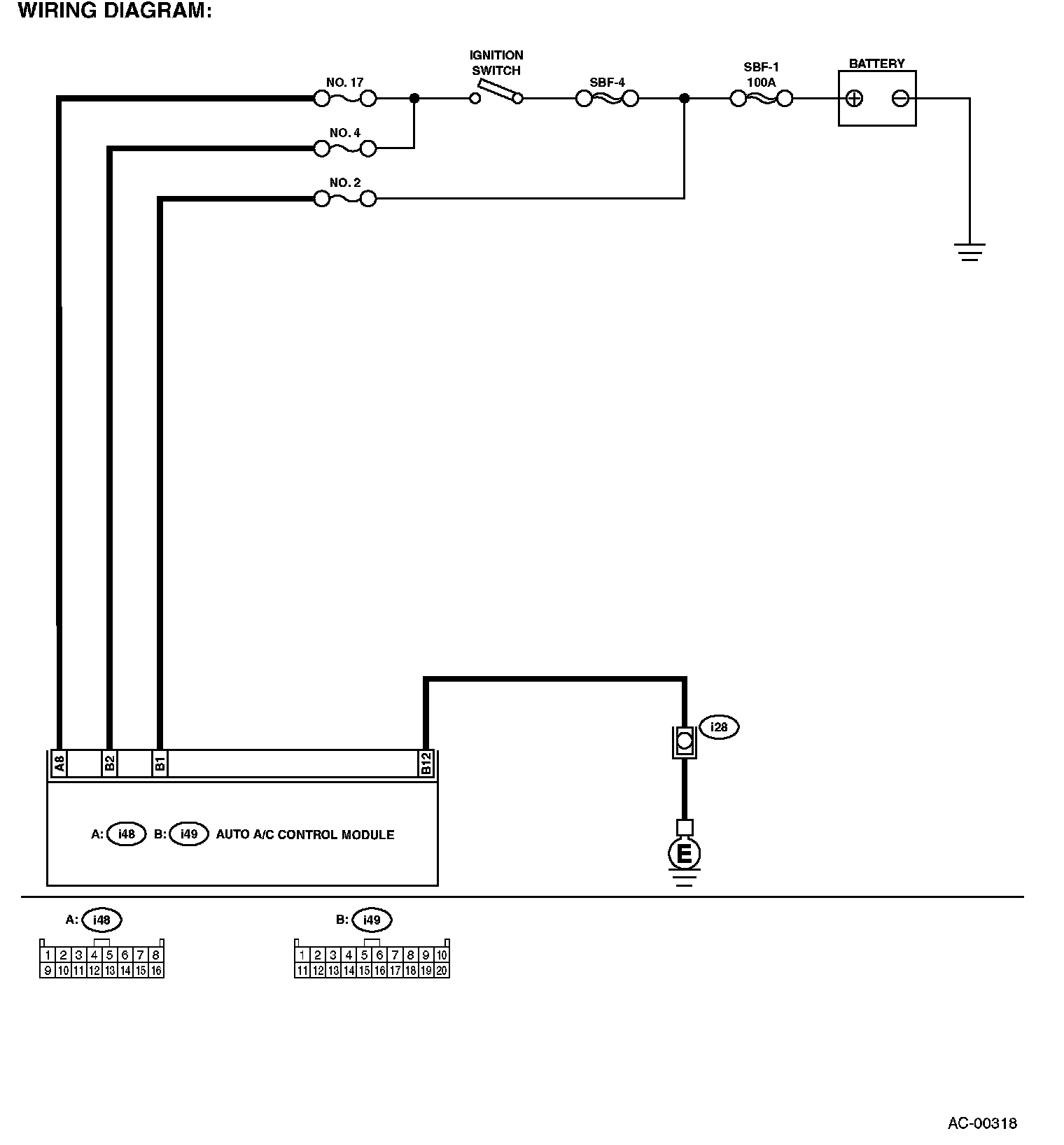
A/C AND/OR SELF-DIAGNOSIS SYSTEMS DO NOT OPERATE

TROUBLE SYMPTOM:
- "Set" temperature is not indicated on display, switch LEDs are faulty and switches do not operate.
- Self-diagnosis system does not operate.

Wiring Diagram:




WIRING DIAGRAM:

Step 1 - 7: