Curiosii for ever!: Car repair manuals for everyone.

Rear ABS Sensor

Rear ABS Sensor

REMOVAL
1. Disconnect battery ground cable.
2. Lift-up the vehicle.





3. Remove fuel tank cover.





4. Disconnect rear ABS sensor connector.





5. Remove rear sensor harness from clip on body side.











6. Remove bolts which hold rear sensor harness brackets.





7. Remove rear ABS sensor from rear arm.
8. When inspecting rear tone wheel, remove rear drive shaft as rear tone wheel is unitized with BJ assembly of rear drive shaft.

CAUTION:
^ Be careful not to damage pole piece located at tip of the sensor and teeth faces during removal.
^ Do not pull sensor harness during removal.

INSTALLATION
1. Install rear drive shaft to the vehicle.





2. Temporarily install rear ABS sensor on rear arm.

CAUTION: Be careful not to strike ABS sensor's pole piece and tone wheel's teeth against adjacent metal parts during installation.

3. Install rear sensor harness brackets in the original positions and install harness on the clip.








Tightening torque: 32 Nm (3.3 kgf-cm, 24 ft. lbs.)








Tightening torque: 32 Nm (3.3 kgf-cm, 24 ft. lbs.)

4. Place a thickness gauge between ABS sensor's and tone wheel's tooth face. After standard clearance is obtained over the entire perimeter, tighten ABS sensor on rear arm to specified torque.
ABS sensor standard clearance: 0.44 - 0.94 mm (0.0173 - 0.0370 inch)
Tightening torque: 32 Nm (3.3 kgf-cm, 24 ft. lbs.)





CAUTION: Check the marks on the harness to make sure that no distortion exists.

NOTE: If the clearance is outside specifications, adjust the gap using spacer (Part No. 26755AA000).





5. After confirmation of the ABS sensor clearance, connect connector to ABS sensor and install fuel tank cover.
6. Connect connector to battery ground cable.

INSPECTION
ABS SENSOR
1. Check pole piece of ABS sensor for foreign particles or damage. If necessary, clean pole piece or replace ABS sensor.








2. Measure ABS sensor resistance.

CAUTION: If resistance is outside the standard value, replace ABS sensor with new one.

NOTE: Check ABS sensor cable for discontinuity. If necessary, replace with a new one.

SENSOR GAP





1. Measure the distance "A" between ABS sensor surface and sensor pole face.





2. Measure the distance "B" between surface where the front axle housing meets the ABS sensor, and the tone wheel.

NOTE: Measure so that the gauge touches the tone wheel teeth top.

3. Find the gap between the ABS sensor pole face and the surface of the tone wheel teeth by putting the measured values in the formula below and calculating.
ABS sensor clearance = B - A
ABS sensor standard clearance: 0.44 - 0.94 mm (0.0173 - 0.0370 inch)

NOTE: If the clearance is outside specifications, adjust the gap using spacer (Part No. 26755AA000).

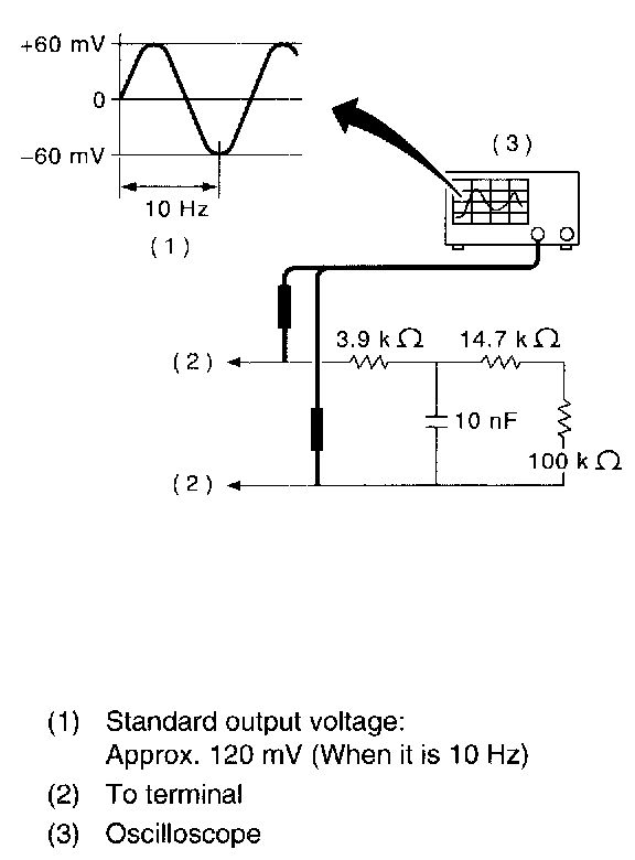
3. OUTPUT VOLTAGE





Output voltage can be checked by the following method. Install resistor and condenser, then rotate wheel about 2.75 km/h (2 MPH) or equivalent.

NOTE: Regarding terminal No., refer to item ABS SENSOR.

ADJUSTMENT
Adjust the gap using spacer (Part No. 26755AA000).