Curiosii for ever!
: Car repair manuals for everyone.
Home
>>
Subaru
>>
2004
>>
Impreza F4-2.5L SOHC
>>
Repair and Diagnosis
>>
Heating and Air Conditioning
>>
Testing and Inspection
>>
Symptom Related Diagnostic Procedures
>>
Non-Trouble Code Procedures
>>
Compartment Temperature Does Not Change
Compartment Temperature Does Not Change
COMPARTMENT TEMPERATURE IS NOT CHANGED OR A/C SYSTEM DOES NOT RESPOND QUICKLY
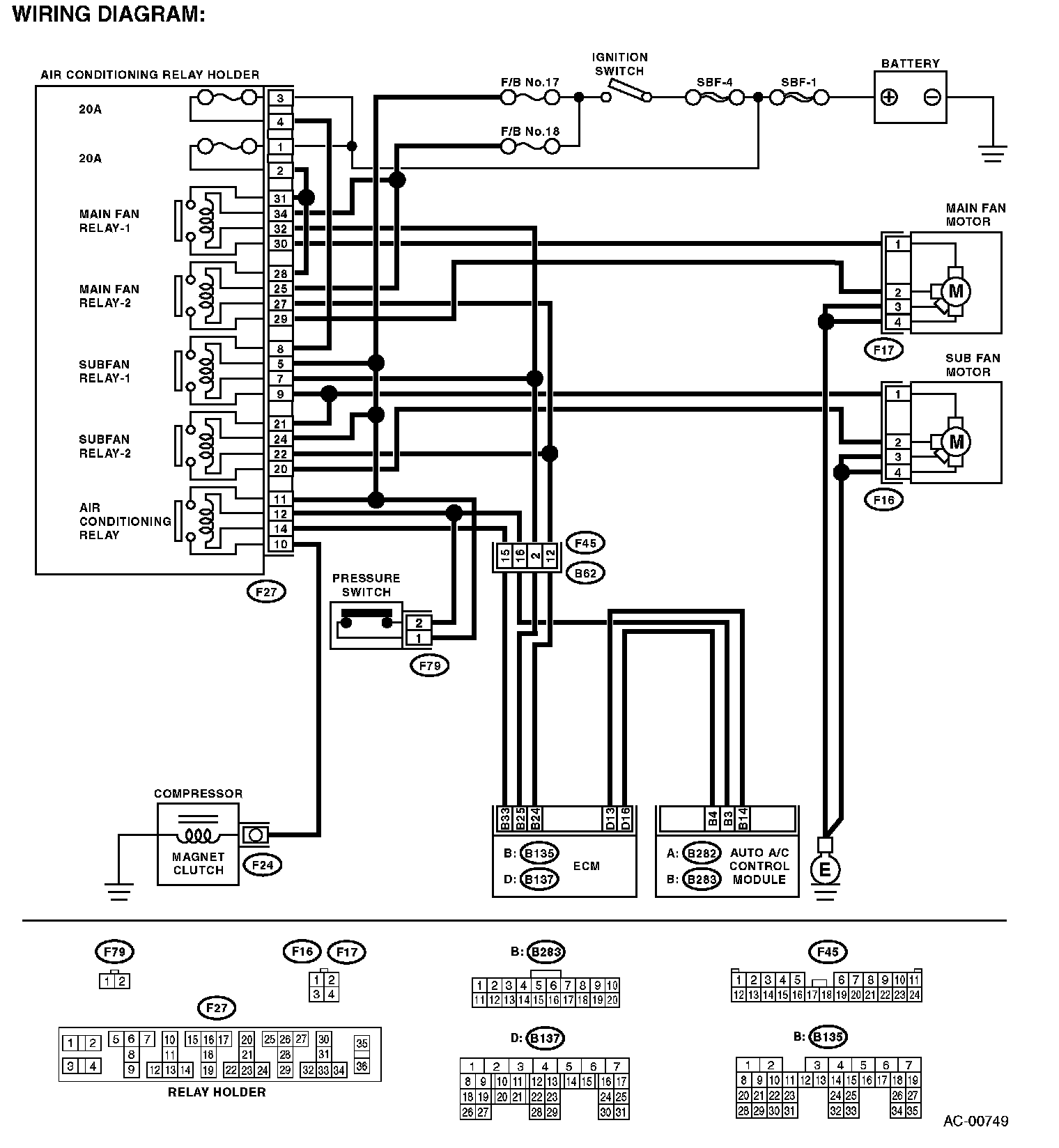
Wiring Diagram:
WIRING DIAGRAM:
Step 1 - 9:
Step 10 - 18: