Curiosii for ever!: Car repair manuals for everyone.

Communication For Initializing Impossible

Steps 1-9:




Steps 10-12:






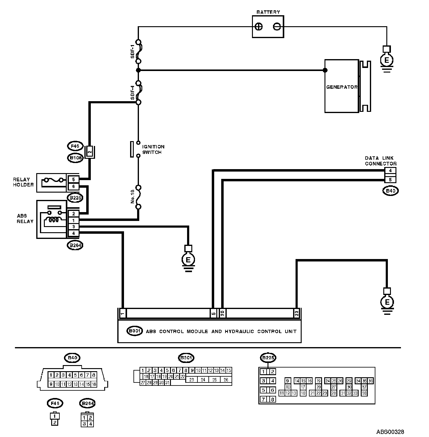
COMMUNICATION FOR INITIALIZING IMPOSSIBLE

DIAGNOSIS:
- Faulty harness connector

TROUBLE SYMPTOM:
- Communication cannot be executed between ABS and Subaru select monitor.





WIRING DIAGRAM