Curiosii for ever!
: Car repair manuals for everyone.
Home
>>
Subaru
>>
2004
>>
Forester F4-2.5L SOHC
>>
Repair and Diagnosis
>>
Transmission and Drivetrain
>>
Automatic Transmission/Transaxle
>>
Testing and Inspection
>>
Component Tests and General Diagnostics
>>
A/T Shift Lock System
>>
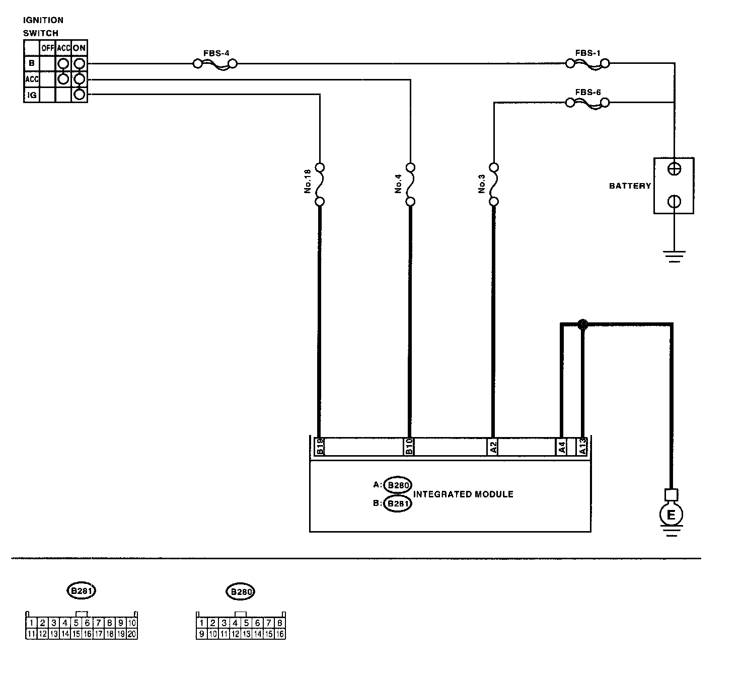
Integrated Module Power Supply and Ground Line
Integrated Module Power Supply and Ground Line
INTEGRATED MODULE POWER SUPPLY AND GROUND LINE
WIRING DIAGRAM: