Curiosii for ever!: Car repair manuals for everyone.

Diagnostic Procedure For AT Oil Temp Warning Light

AT OIL TEMP WARNING LIGHT DOES NOT COME ON OR GO OFF

Steps 1-8:




Steps 9 & 10:






DIAGNOSIS:
The AT OIL TEMP warning light circuit is open or shorted.

TROUBLE SYMPTOM:
^ When the ignition switch is turned to ON (engine OFF), AT OIL TEMP warning light does not illuminate.
^ When the on-board diagnostics is performed, AT OIL TEMP warning light remains illuminated.





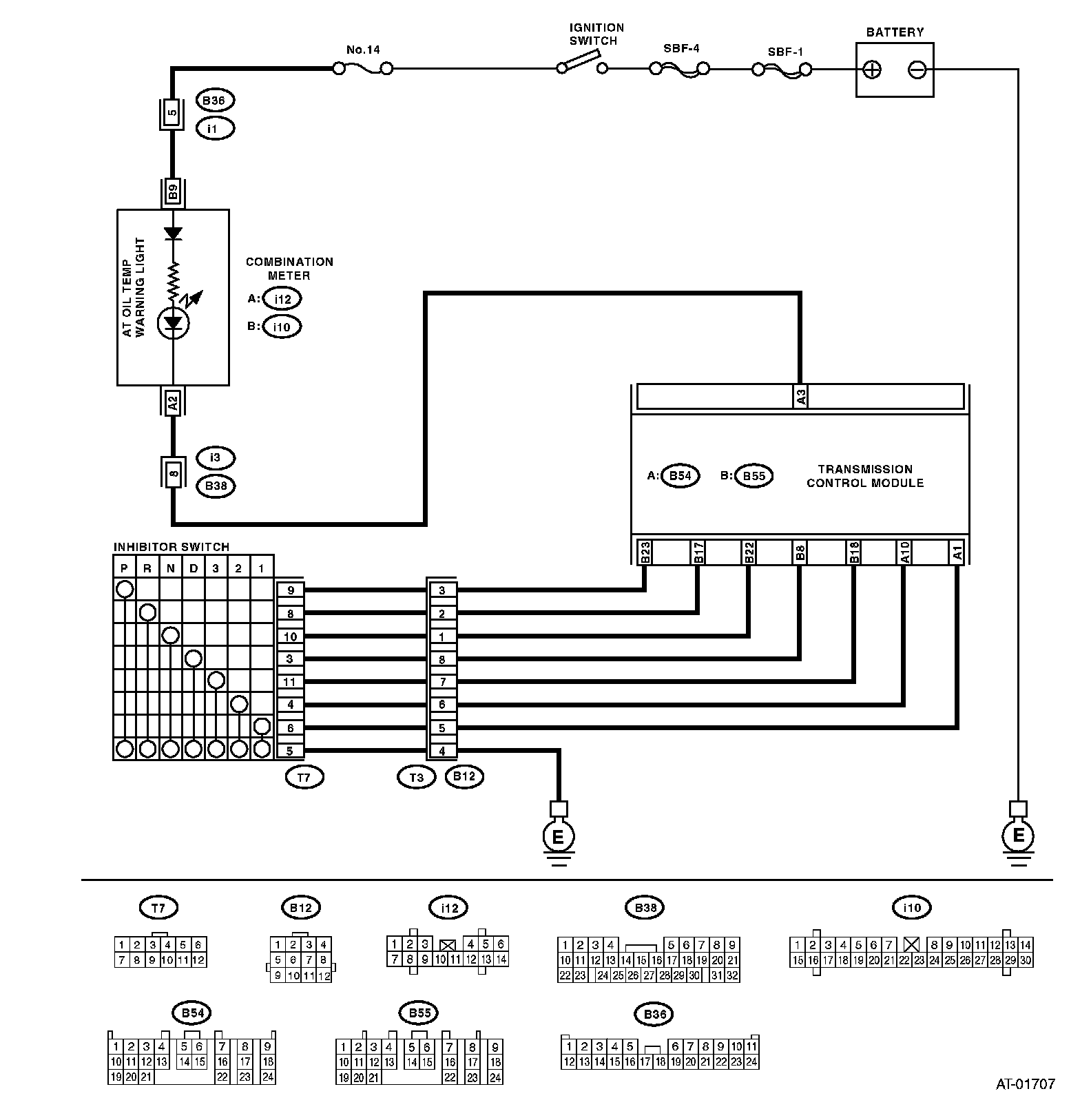
WIRING DIAGRAM

CHECK POWER SUPPLY AND GROUND LINE




Steps 1-8:





WIRING DIAGRAM