Curiosii for ever!: Car repair manuals for everyone.

Non-Turbo Model

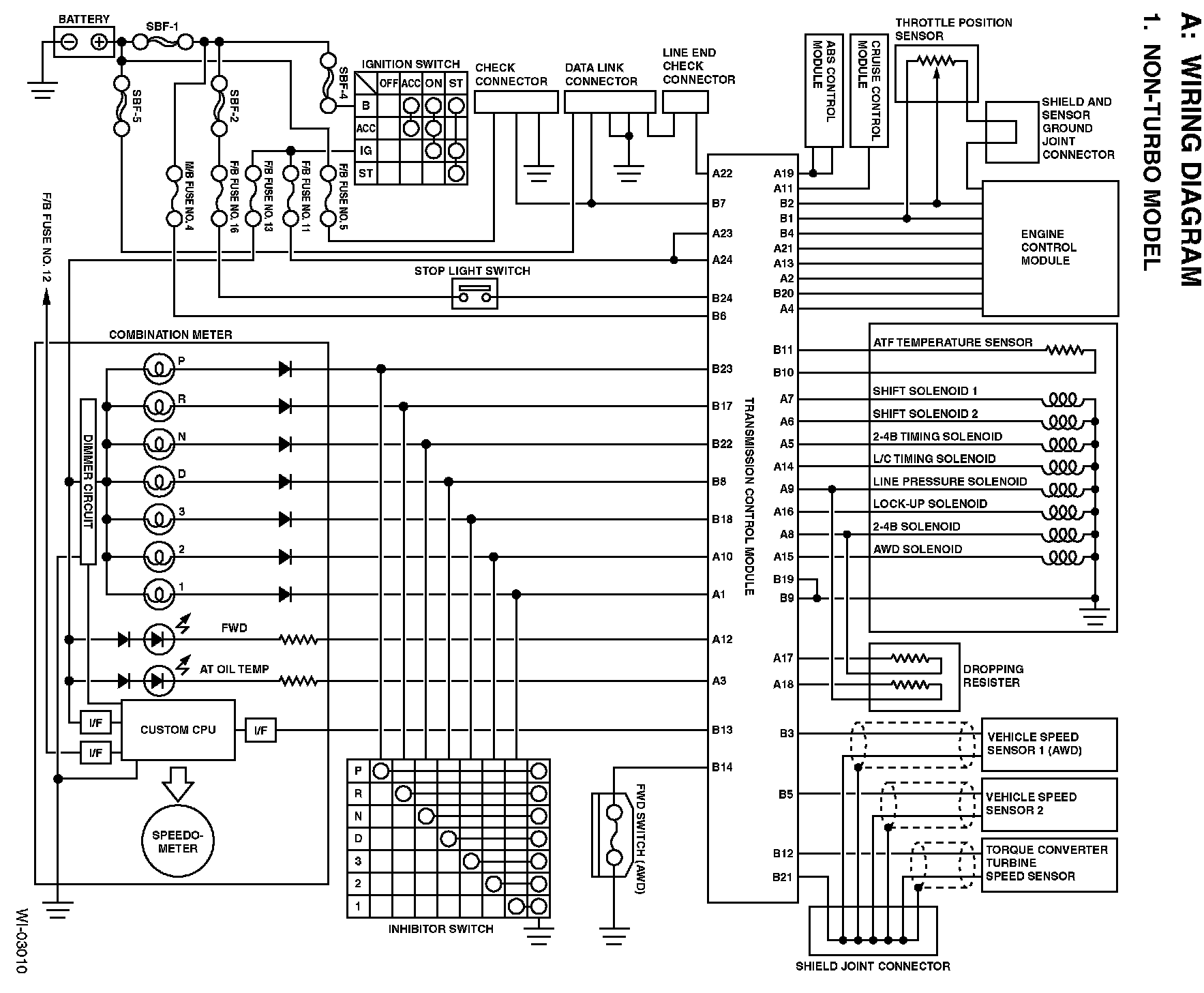
Non-Turbo Model:






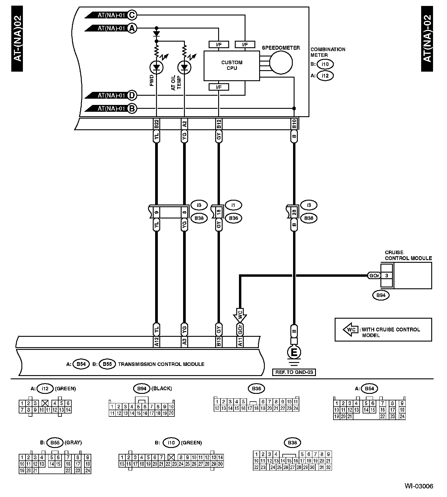
AT(NA)-01:






AT(NA)-02:






AT(NA)-03:






AT(NA)-04:






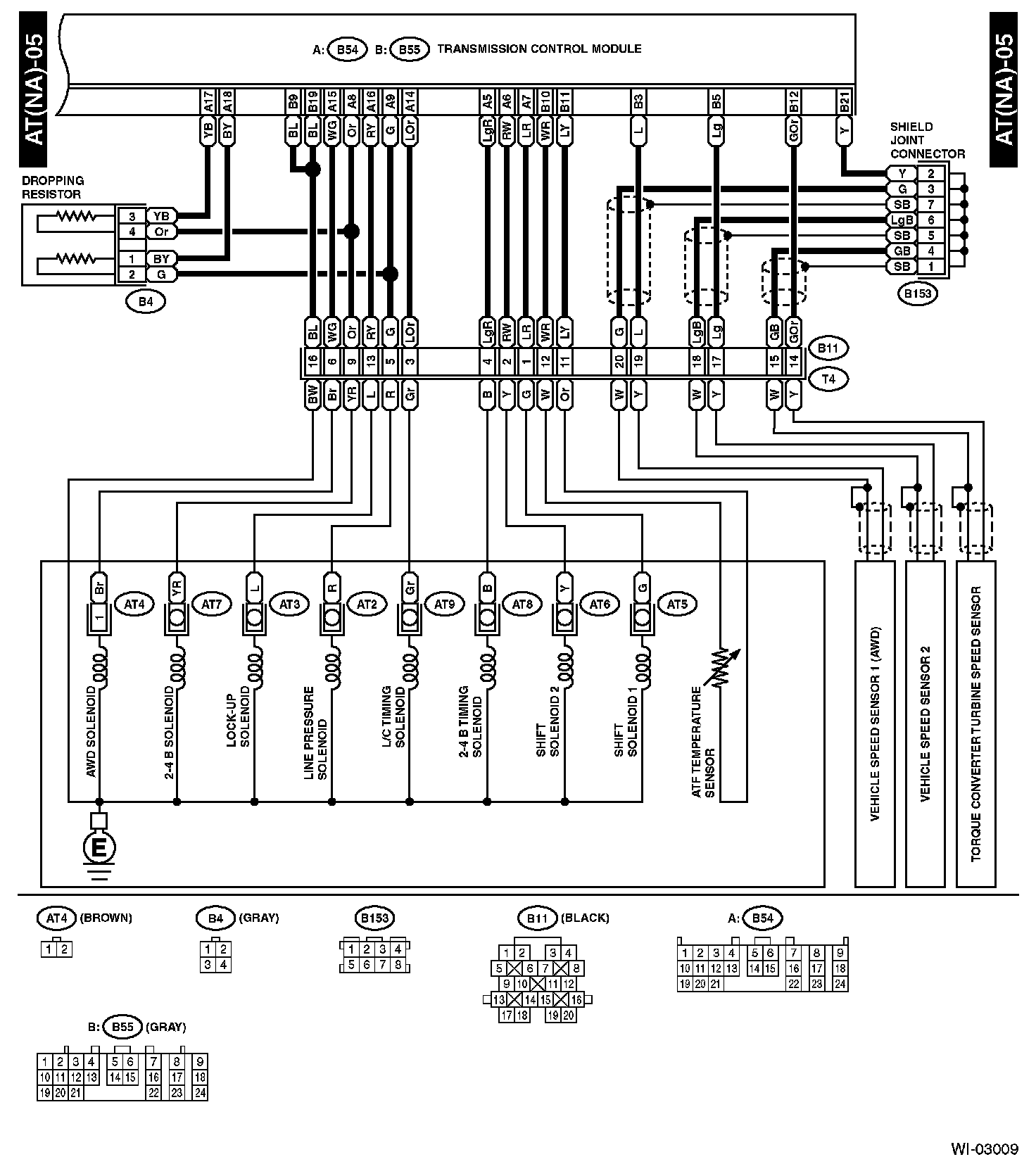
AT(NA)-05:






Diagrams: Other diagrams referred to by name within these diagrams (i.e. "REF. TO GND-01", etc) can be found at Diagrams by Diagram Name. Diagrams By Diagram Name