Curiosii for ever!
: Car repair manuals for everyone.
Home
>>
Subaru
>>
2004
>>
Forester F4-2.5L SOHC
>>
Repair and Diagnosis
>>
Powertrain Management
>>
Computers and Control Systems
>>
Testing and Inspection
>>
Symptom Related Diagnostic Procedures
>>
Diagnostics For Engine Starting Failure
>>
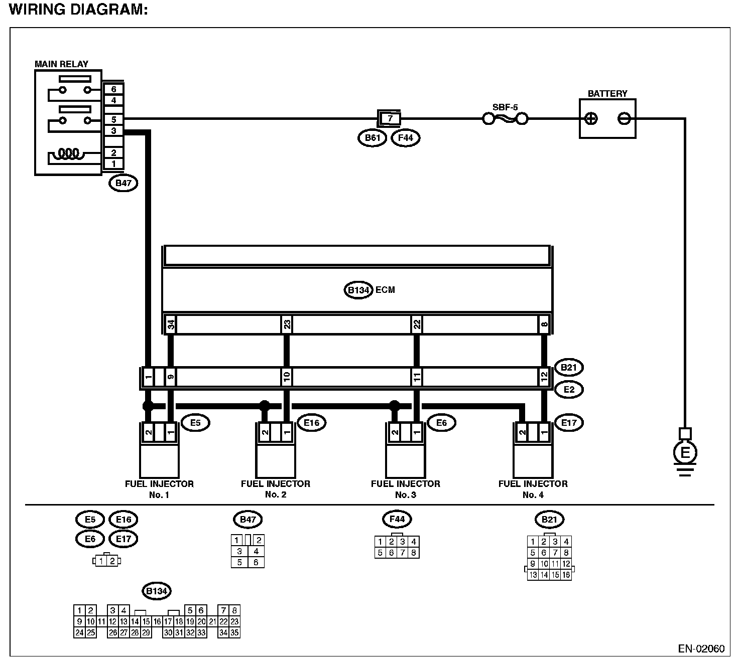
Fuel Injector Circuit
Fuel Injector Circuit
FUEL INJECTOR
CIRCUIT
CAUTION:
-
Check or repair only faulty parts.
-
After repair or replacement of faulty parts, conduct Clear Memory Mode and Inspection Mode.
Wiring Diagram:
Step 1 - 6: