Curiosii for ever!
: Car repair manuals for everyone.
Home
>>
Subaru
>>
2004
>>
Forester F4-2.5L SOHC
>>
Repair and Diagnosis
>>
Cruise Control
>>
Testing and Inspection
>>
Symptom Related Diagnostic Procedures
>>
Diagnosis By Symptom
>>
Check Cruise Control Command Switch
Check Cruise Control Command Switch
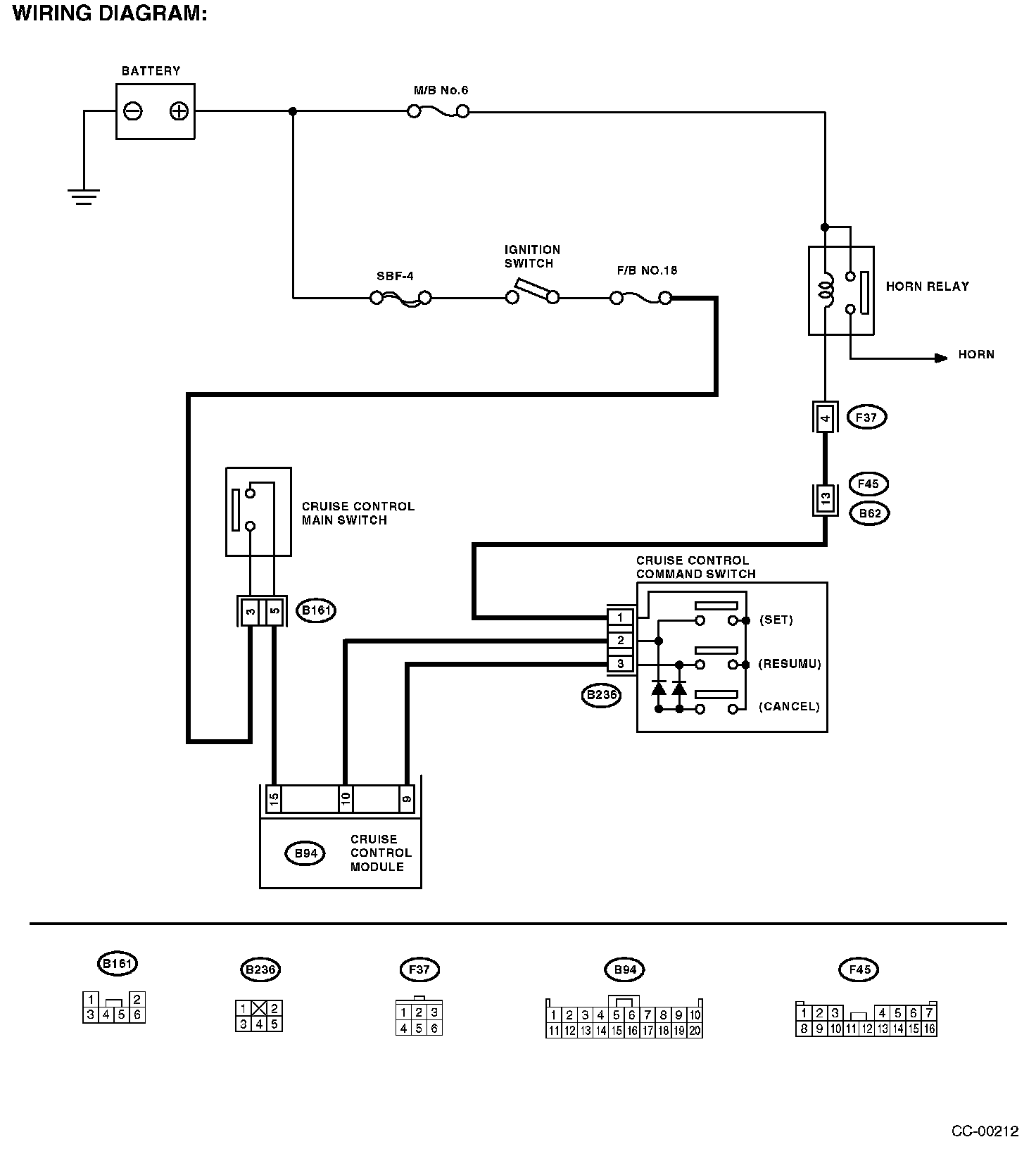
CHECK CRUISE CONTROL COMMAND SWITCH
TROUBLE SYMPTOM:
Cruise control
cannot be set. (Cancelled immediately.)
Wiring Diagram:
WIRING DIAGRAM:
Step 1 - 5: