Curiosii for ever!
: Car repair manuals for everyone.
Home
>>
Subaru
>>
2004
>>
Forester F4-2.5L SOHC
>>
Repair and Diagnosis
>>
Brakes and Traction Control
>>
Antilock Brakes / Traction Control Systems
>>
Testing and Inspection
>>
Component Tests and General Diagnostics
>>
With Subaru Select Monitor
>>
Communication For Initializing Impossible
Communication For Initializing Impossible
Steps 1-9:
Steps 10-12:
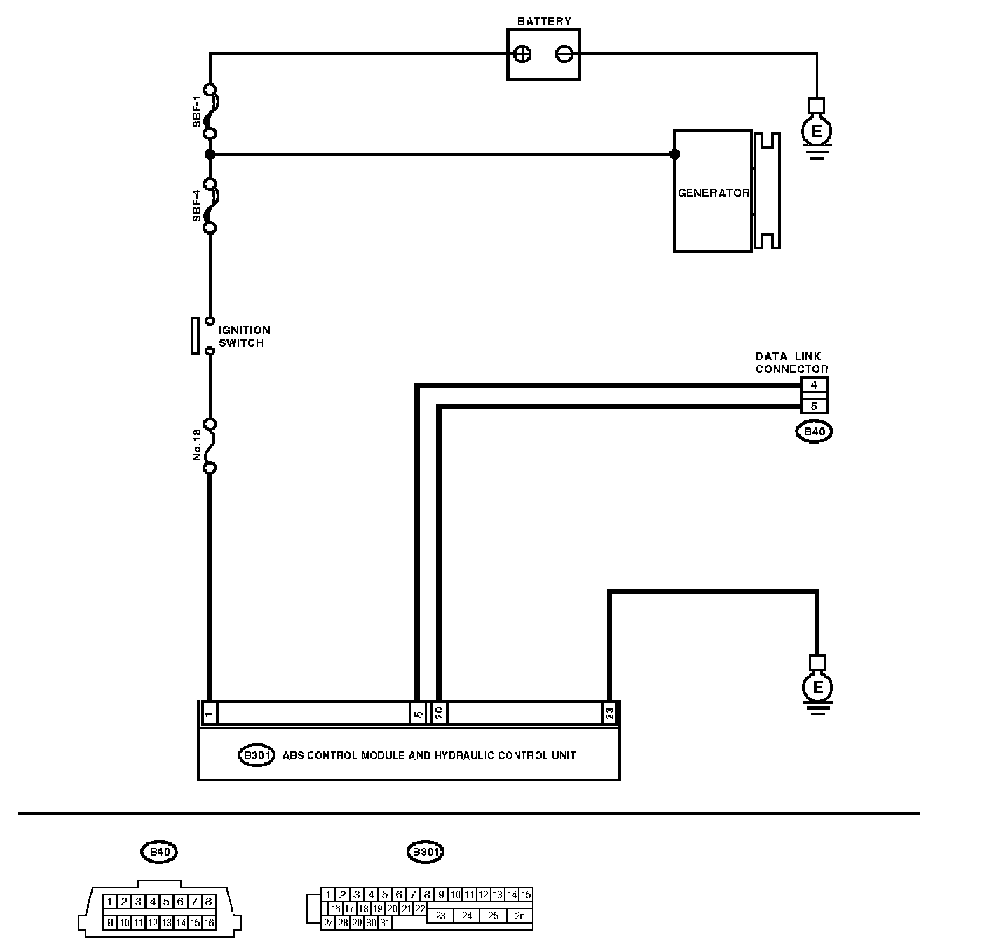
COMMUNICATION FOR INITIALIZING IMPOSSIBLE
DIAGNOSIS:
Faulty harness connector
TROUBLE SYMPTOM:
ABS warning light remains on.
WIRING DIAGRAM