Curiosii for ever!: Car repair manuals for everyone.

Transmission Control Module (Tcm)

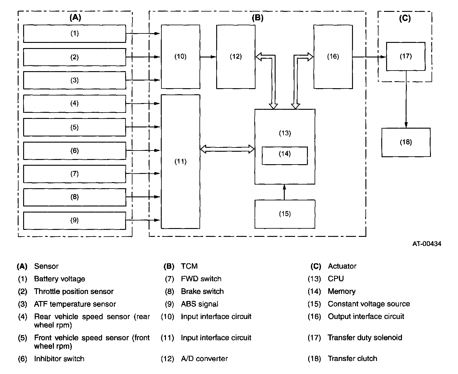
Transmission Control Module (TCM)
The TCM receives various sensor signals and determines the running conditions of the vehicle. It then sends control signals to each solenoid according to the preset gearshift characteristic data, lock-up operation data, and transfer clutch torque data (duty ratios).








CONTROL SYSTEM





non-turbo





Turbo Models

SYSTEM DIAGRAM

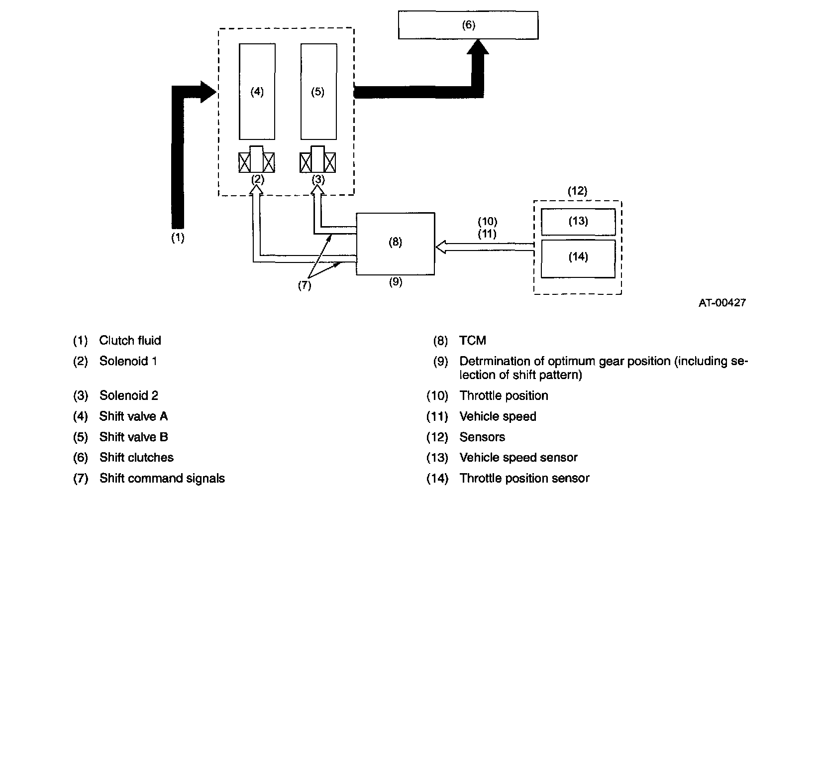
SHIFT CONTROL
The TCM performs gear shifting control according to driving conditions by using the shift point characteristic data stored in its memory. Appropriate solenoids are operated at the proper timing corresponding to the shift pattern, throttle position, and vehicle speed for smooth shifting.








non-turbo

NOTE: When the ATF temperature is below approximately 10°C (50°F), the gear cannot be shifted to the 4th speed.

^ The TCM activates both solenoids 1 and 2 in response to throttle and vehicle speed signals.
^ Shift valves move in response to operation of the solenoids, supplying or interrupting the line pressure to each clutch.
^ A shift to each gear takes place according to ON-OFF operation of both the solenoids as indicated in the table above.





Turbo Models

The TCM performs gear shifting control according to driving conditions by using the shift point characteristic data stored in its memory. Appropriate solenoids are operated at the proper timing corresponding to the shift pattern, throttle position, and vehicle speed for smooth shifting.

NOTE:

When the ATF temperature is below approximately -10°C (-50° F), the gear cannot be shifted to 4th speed.

^ The TCM activates each duty solenoid in response to throttle opening and vehicle speed signals.

^ According to the operation of the duty solenoids, the line pressure to each clutch and brake is supplied or interrupted.


LOCK-UP CONTROL
^ The TCM has preprogrammed lock-up clutch engagement and disengagement conditions for each gear and shift pattern. In addition, it specifies engagement of the clutch whenever the 4th gear 1. is selected in the D range. The engagement and disengagement conditions are defined in terms of the throttle valve position and vehicle speed.
^ The TCM controls the operation of the lock-up clutch by means of the duty solenoid which in turn controls the lock-up control valve as described below:

NON-LOCK-UP OPERATION
The duty solenoid allows the pilot pressure (supplied from the pilot valve) to be applied to the "disengaging" end of the lock-up control valve spool. The lock-up control valve then opens the clutch disengaging circuit port to allow the lock-up operating pressure (torque converter clutch regular pressure) to build up in the circuit. On the other hand, the valve opens the clutch engaging circuit's port and allows the fluid in the circuit to flow to the ATF cooler, thus lowering the pressure in the circuit. As a result, the lock-up clutch is disengaged due to difference in pressure between both circuits.
This operation is performed for all the speed gears except the 4th gear of the D range.

LOCK-UP OPERATION
The duty solenoid allows the pilot pressure to be applied to the "engaging" end of the lock-up control valve spool. The lock-up control valve then opens the clutch engaging circuit's port that communicates to the torque converter's impeller chamber, allowing high pressure fluid to flow to the lock-up clutch. The clutch then engages.
^ The TCM controls the current to the duty solenoid by gradually changing the current. As a result, the lock-up control valve also moves gradually, so the clutch engagement pressure increases smoothly. This causes the lock-up clutch to become initially in a half-engaged state and then in a fully engaged state, thus preventing shock during engagement.

This operation is performed for all the speed gears and always when the 4th gear is selected in the D range.

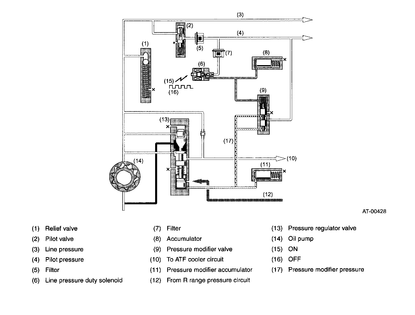
LINE PRESSURE CONTROL





^ The oil pump delivery pressure (line pressure) is regulated to a constant pressure by the pilot valve. This pressure is used as the pilot pressure for controlling spool valves.
^ The pilot pressure applied to the pressure modifier valve is modulated into pressure modifier pressure at the line pressure duty solenoid by activating the pressure modifier valve.
^ The pressure modifier valve is an auxiliary valve for the pressure regulator valve, and it creates a signal pressure (pressure modifier pressure). The pressure modifier pressure is used to regulate the line pressure to a level optimum for a particular driving condition.
^ This pressure modifier pressure is applied to the pressure regulator valve which controls the oil pump delivery pressure.
^ The pressure modifier pressure from the pressure modifier valve is cushioned by the pressure modifier accumulator to remove pulsation of the pressure.

LINE-PRESSURE CONTROL DURING SHIFTING





non-turbo

The line pressure which engages shift clutches to create 1st to 4th speeds is controlled by the TCM to meet varying operating conditions.
^ During gear shifting, the TCM decreases the line pressure to a level that matches the selected gear in order to minimize shifting shock loads.
During gear shifting, the TCM controls the line pressure as follows:
^ The TCM receives signals such as throttle position signal and accelerator pedal speed signal. Based on these input signals, it issues a control signal to the line pressure duty solenoid.
^ The pressure from the line pressure duty solenoid (line pressure duty pressure) is converted by the pressure modifier valve into a modifier pressure, and the modifier pressure is applied to the pressure regulator valve.
^ The pressure regulator valve adjusts the oil-pump-generated line pressure according to the modifier pressure to make the line pressure matched to the driving condition.

Turbo Models

The line pressure which engages shift clutches to create 1st to 4th speeds is controlled by the TCM to meet varying operating conditions.

^ The TCM receives signals such as throttle position signal and accelerator pedal speed signal. Based on these input signals, it issues a control signal to the line pressure linear solenoid.

^ The pressure from the line pressure linear solenoid is sent to the valve where the line pressure is regulated. The valve adjusts the oil-pump-generated line pressure to make the line pressure matched to the driving condition.


SHIFT PATTERN SELECTION CONTROL





The TCM changes its gear shift control pattern automatically between the Base pattern suitable for ordinary economy driving and the Power pattern suitable for climbing uphill or rapid acceleration.
In the Power pattern, the downshift point and upshift point are set higher than those of the Base pattern.

GRADE CONTROL








While the vehicle is driving up a hill, the gear is fixed to the 3rd to avoid repeated gear shift between the 3rd and 4th gears.
When the vehicle is descending a steep slope at a speed of approximately 80 km/hour (50 miles/hour), a 4th to 3rd downshift occurs automatically when the brake pedal is depressed. This gearshift control is canceled when the accelerator pedal is depressed. The TCM performs these controls based mainly on the throttle opening, engine speed and vehicle speed.

LEARNING CONTROL
The TCM has a learning control function with which it can adapt gear shift timing optimally to the current vehicle conditions by updating correction factors in the memory.
For this reason, gear shift shock may become larger after the power supply is interrupted (disconnection of battery, flat battery, etc.) or immediately after the ATF is replaced.

Larger gear shift shock after power supply interruption occurs because the correction data is reset to those for the new vehicle condition.

The TCM starts learning function again as soon as the power supply is restored. After driving for a while, therefore, the transmission will become able to make gear shifts at the optimum timing. Larger shift shock immediately after ATF change is caused by change in friction characteristics of the transmission internal parts. Also in this case, the transmission recovers shockless gear shifting after driving for a while.

REVERSE INHIBITION CONTROL





This control prevents the transmission from shifting into the reverse gear when the select lever is accidentally placed in the R position, thus protecting the components such as reverse clutch from being damaged.

If the selector lever is moved to the R position during driving at a speed faster than the predetermined speed, the low clutch timing solenoid is energized. Then, the pilot pressure is supplied to the reverse inhibitor valve. This causes the reverse inhibitor valve to move downward, closing the low & reverse brake port.

In this condition, the low & reverse brake does not engage since the ATF flowing from the manual valve is blocked by the reverse inhibitor valve.

As a result, the transmission is put into the neutral state, and the shifting into the reverse gear is inhibited.





AWD TRANSFER CLUTCH CONTROL





BASIC CONTROL





1 RANGE CONTROL





SLIP CONTROL





TURNING CONTROL





ABS CONTROL





P and N range control

TRANSFER CONTROL





non-turbo

The transfer hydraulic pressure control unit includes a valve body attached to the side of the extension case through a gasket and separator plate.

The pressurized fluids for the transfer hydraulic pressure control (line pressure and pilot pressure) are supplied from the oil pump by way of the passages formed in the transmission case and then the passages in the extension case that lead to the hydraulic circuit in the transfer valve body.

The line pressure is regulated by the transfer control valve whose opening is controlled by the transfer pressure created by the transfer duty solenoid.
^ The transfer duty solenoid is controlled by the TCM. The TCM changes the solenoid controlling duty ratio according to the driving conditions.
^ The transfer duty solenoid creates the transfer pressure from the pilot pressure. The transfer pressure is applied to the transfer control valve and adjusts the valve's opening.
^ The line pressure directly led to the transfer control valve, on the other hand, is regulated by the transfer control valve and becomes the transfer clutch pressure.
^ The transfer clutch pressure is applied to the transfer clutch and engages the clutch to a controlled degree.

In this way, the degree of transfer clutch engagement is varied so that optimum torque is distributed to the rear wheels according to vehicle driving conditions.


Turbo Models

The pressurized oil for the drive power distribution system (oil pressure and pilot pressure) enters the control valve body and flows through the passages in the transmission case to the extension case. The line pressure is regulated by the transfer control valve whose opening is controlled by the transfer pressure created by the transfer duty solenoid.

^ The pilot pressure created by passing through the primary valve in the transmission's control valve body is further regulated into the transfer pressure by the transfer duty solenoid.

^ The transfer duty solenoid is controlled by the TCM. The TCM changes the solenoid controlling duty ratio according to driving conditions.

^ The transfer pressure thus created is applied to the transfer control valve and adjusts the valve's opening.

^ The line pressure directly led to the transfer control valve, on the other hand, is regulated by the transfer control valve and becomes the transfer clutch pressure.

^ The transfer clutch pressure is applied to the transfer clutch and engages the clutch to a controlled degree.

In this way, the degree of transfer clutch engagement is varied so that optimum torque is distributed to the rear wheels.