Curiosii for ever!
: Car repair manuals for everyone.
Home
>>
Subaru
>>
2004
>>
Forester F4-2.5L DOHC Turbo
>>
Repair and Diagnosis
>>
Powertrain Management
>>
Transmission Control Systems
>>
Testing and Inspection
>>
Component Tests and General Diagnostics
>>
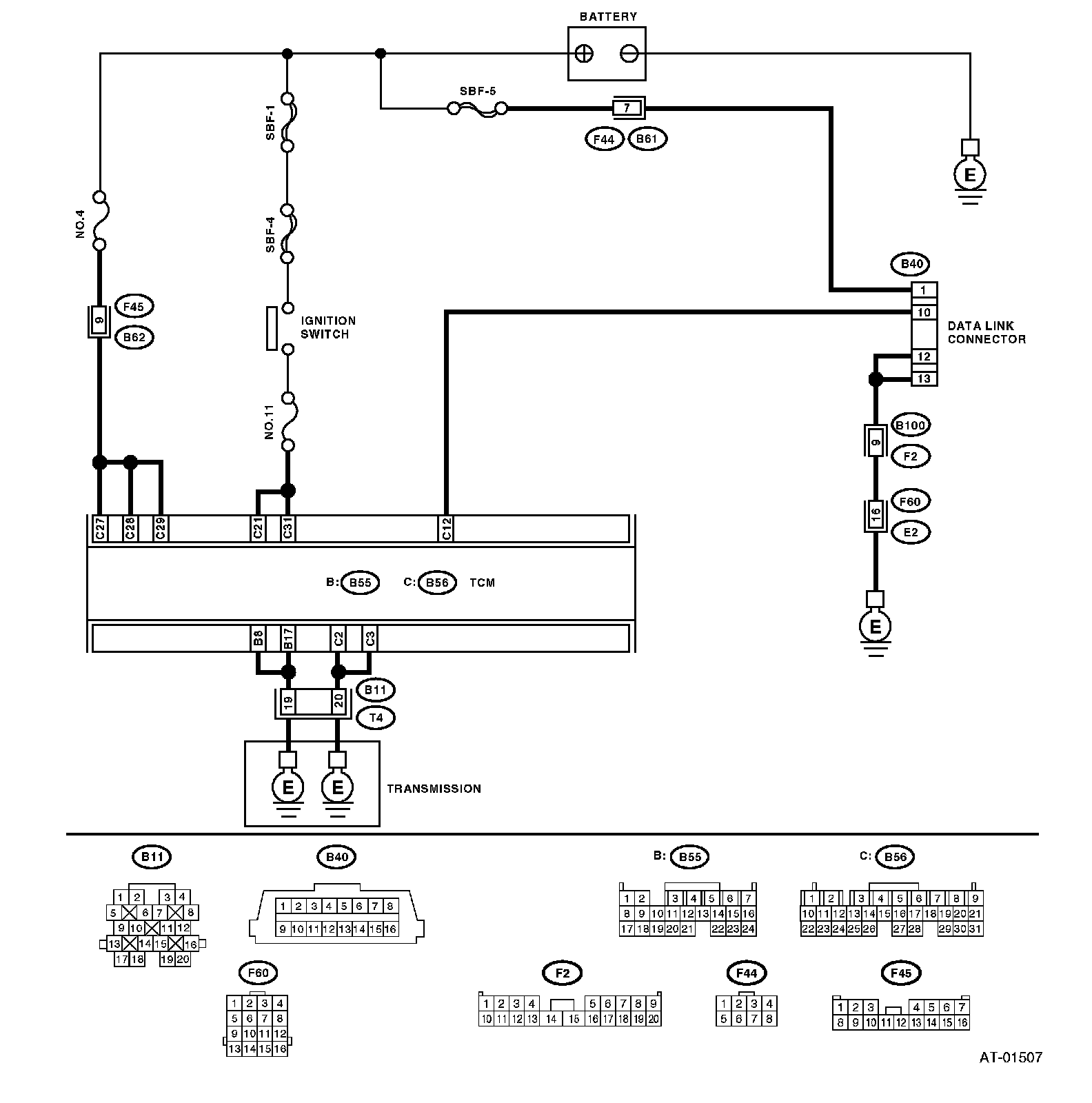
Diagnostic Procedure For Select Monitor Communication
Diagnostic Procedure For Select Monitor Communication
COMMUNICATION FOR INITIALIZING IMPOSSIBLE
Steps 1-9:
Steps 10 & 11:
DIAGNOSIS:
^
Faulty harness connector
TROUBLE SYMPTOM:
^
Subaru select monitor communication failure
WIRING DIAGRAM