Curiosii for ever!
: Car repair manuals for everyone.
Home
>>
Subaru
>>
2004
>>
Forester F4-2.5L DOHC Turbo
>>
Repair and Diagnosis
>>
Powertrain Management
>>
Computers and Control Systems
>>
Testing and Inspection
>>
Symptom Related Diagnostic Procedures
>>
Diagnostics For Engine Starting Failure
>>
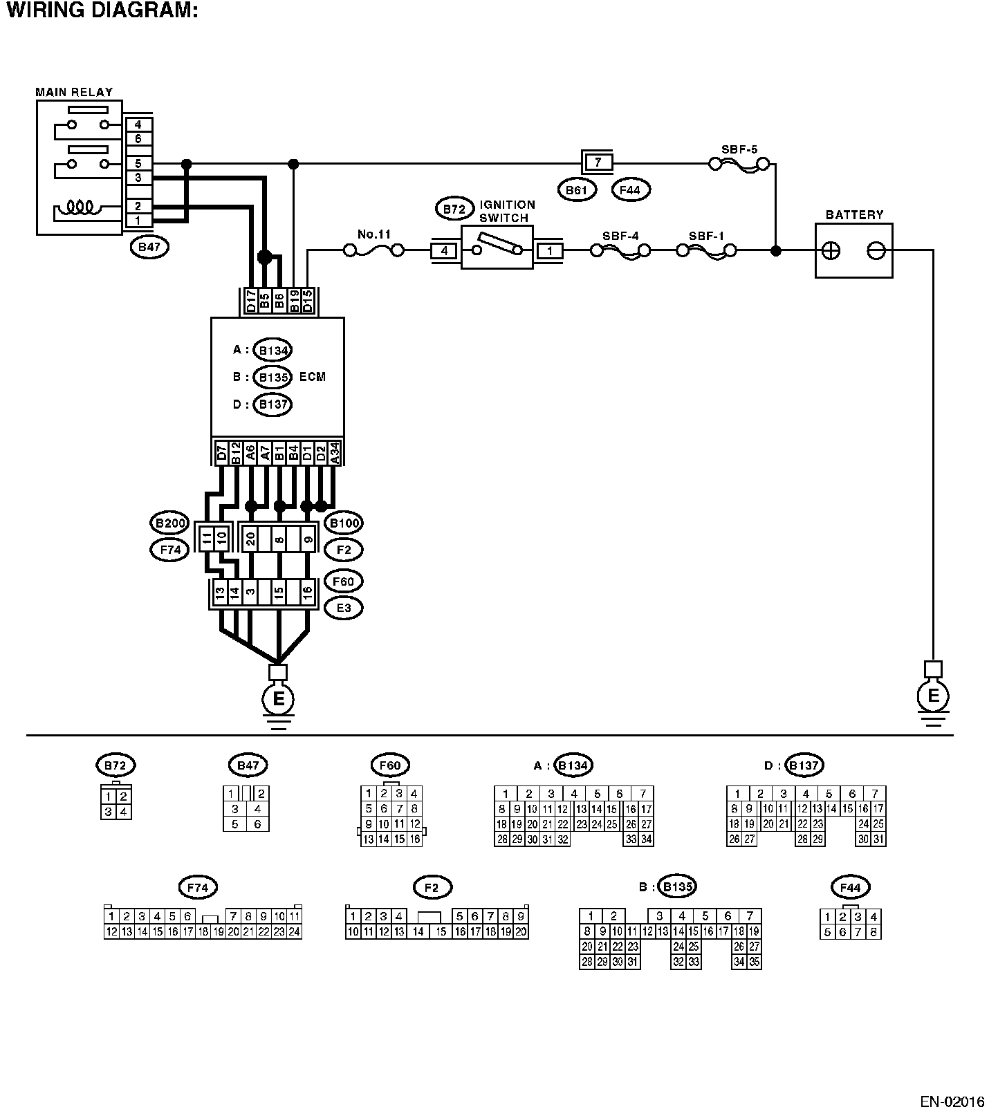
Control Module Power Supply and Ground Line
Control Module Power Supply and Ground Line
CONTROL MODULE POWER SUPPLY AND GROUND LINE
CAUTION:
After repair or replacement of faulty parts, conduct Clear Memory Mode and Inspection Mode.
Wiring Diagram:
Step 1 - 5: