Curiosii for ever!: Car repair manuals for everyone.

Transmission Control Systems

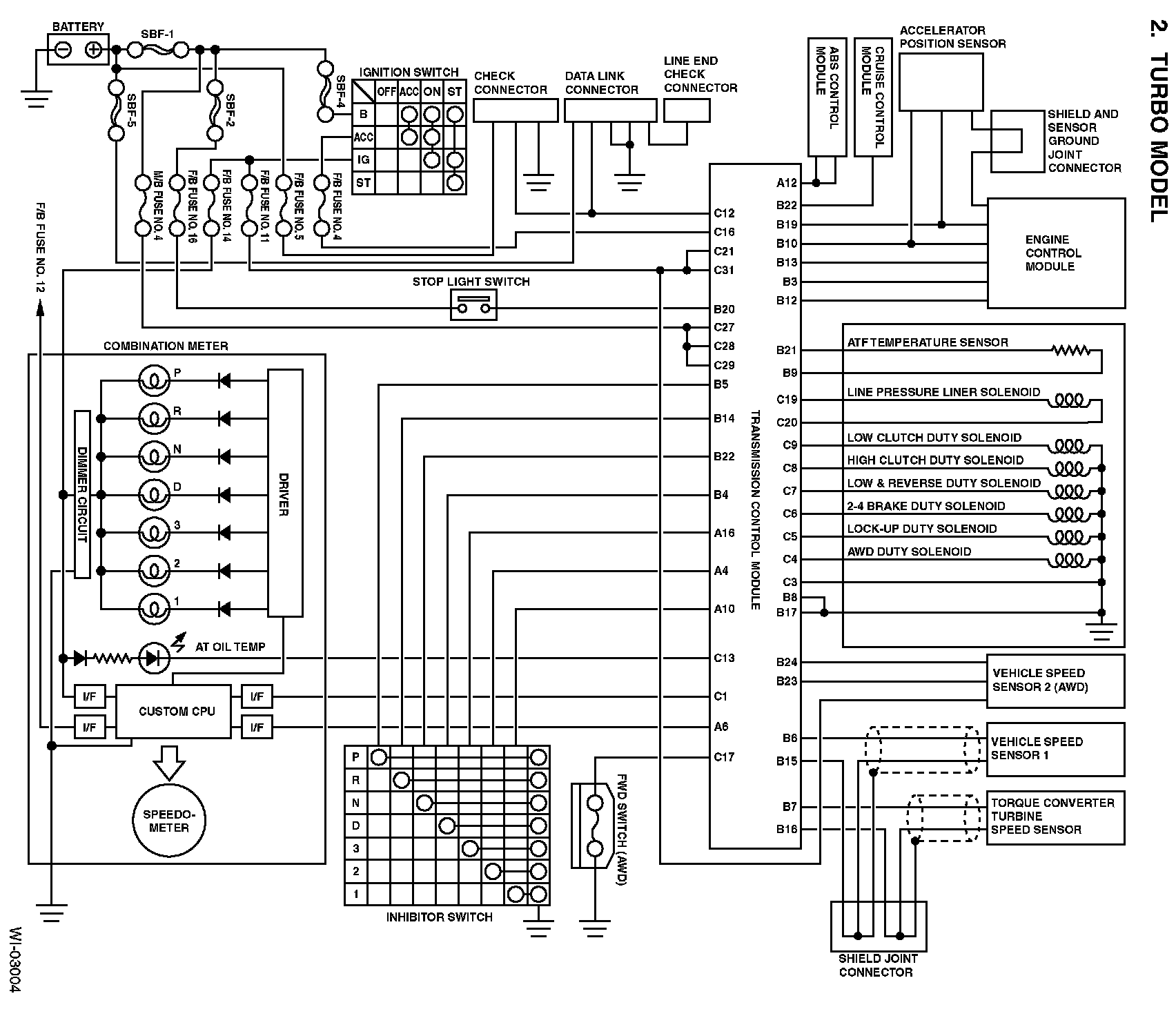
Turbo Model:






AT(TB)-01:






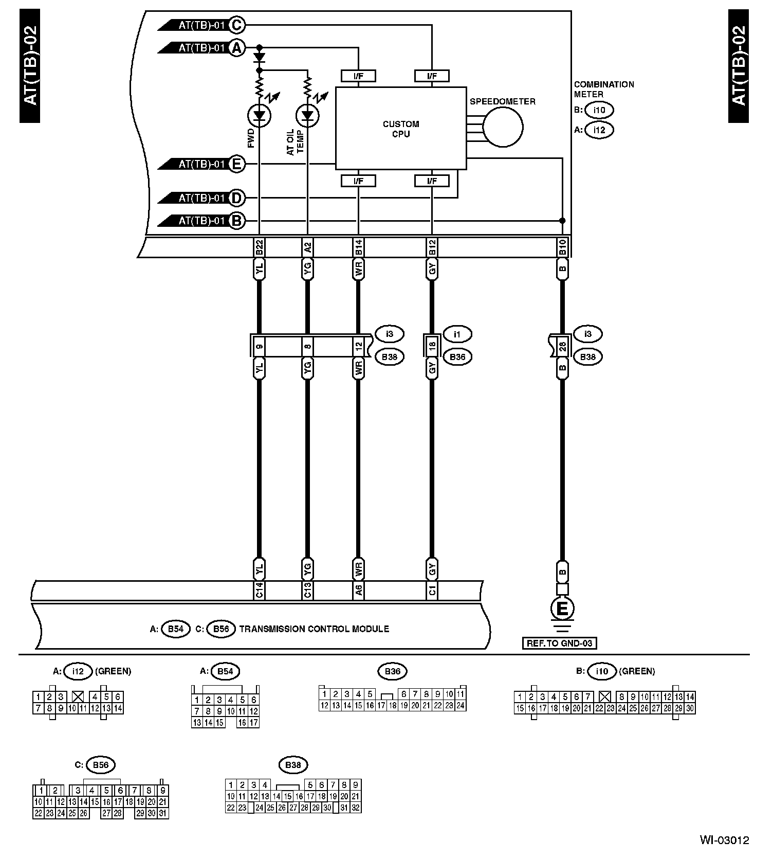
AT(TB)-02:






AT(TB)-03:






AT(TB)-04:






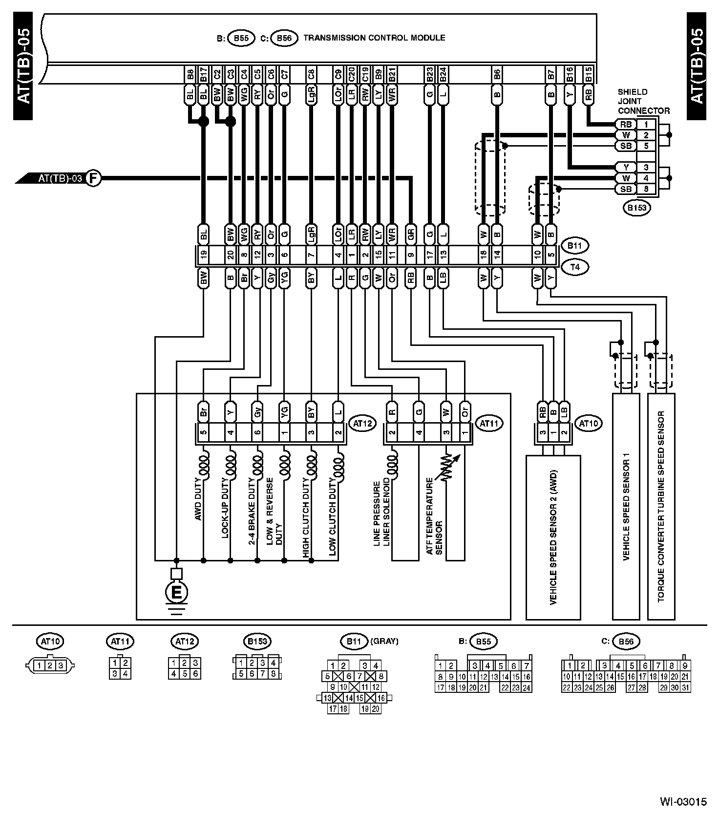
AT(TB)-05:






Diagrams: Other diagrams referred to by name within these diagrams (i.e. "REF. TO GND-01", etc) can be found at Diagrams by Diagram Name. Diagrams By Diagram Name