Curiosii for ever!
: Car repair manuals for everyone.
Home
>>
Subaru
>>
2004
>>
Forester F4-2.5L DOHC Turbo
>>
Repair and Diagnosis
>>
Diagrams
>>
Electrical Diagrams
>>
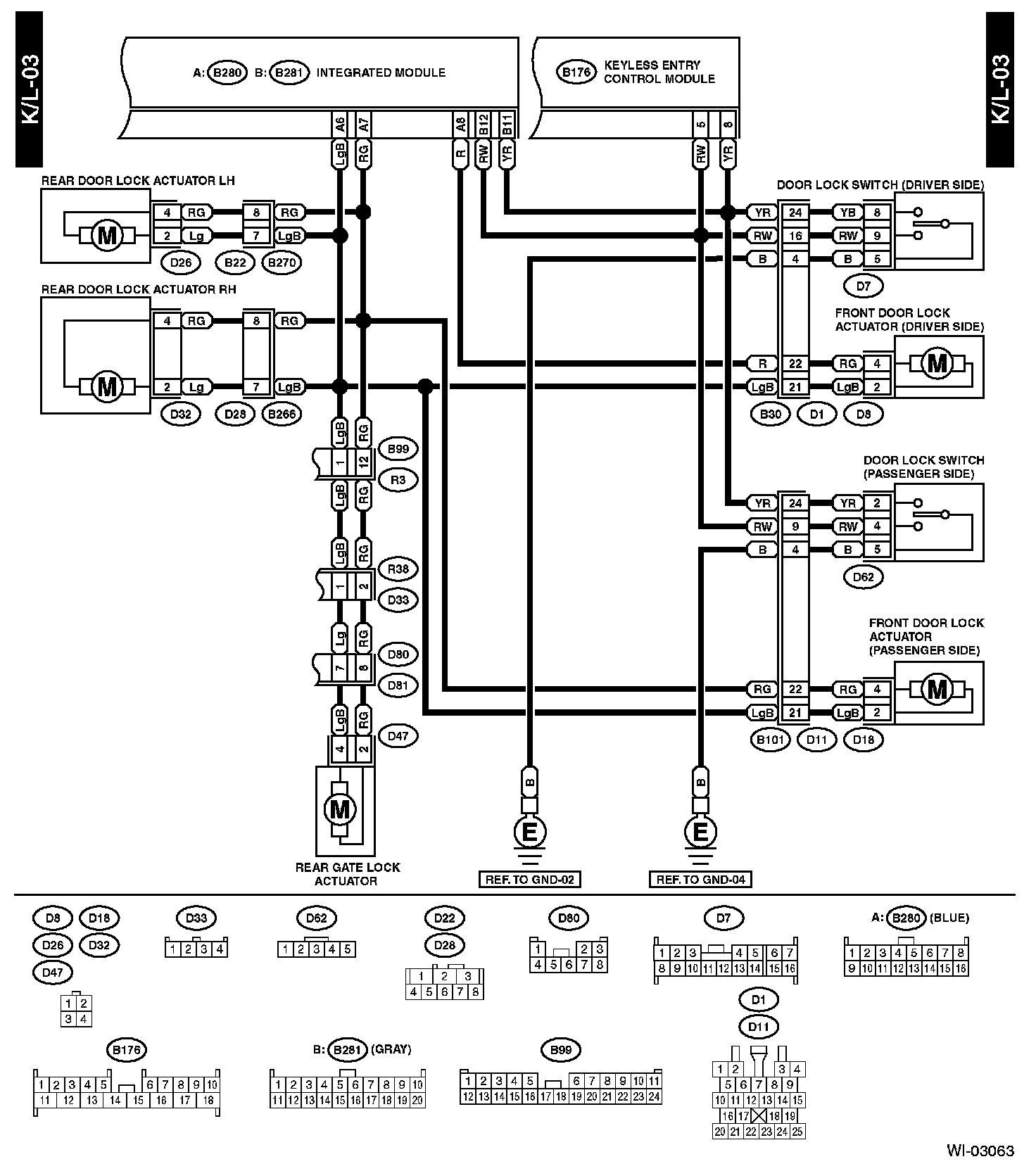
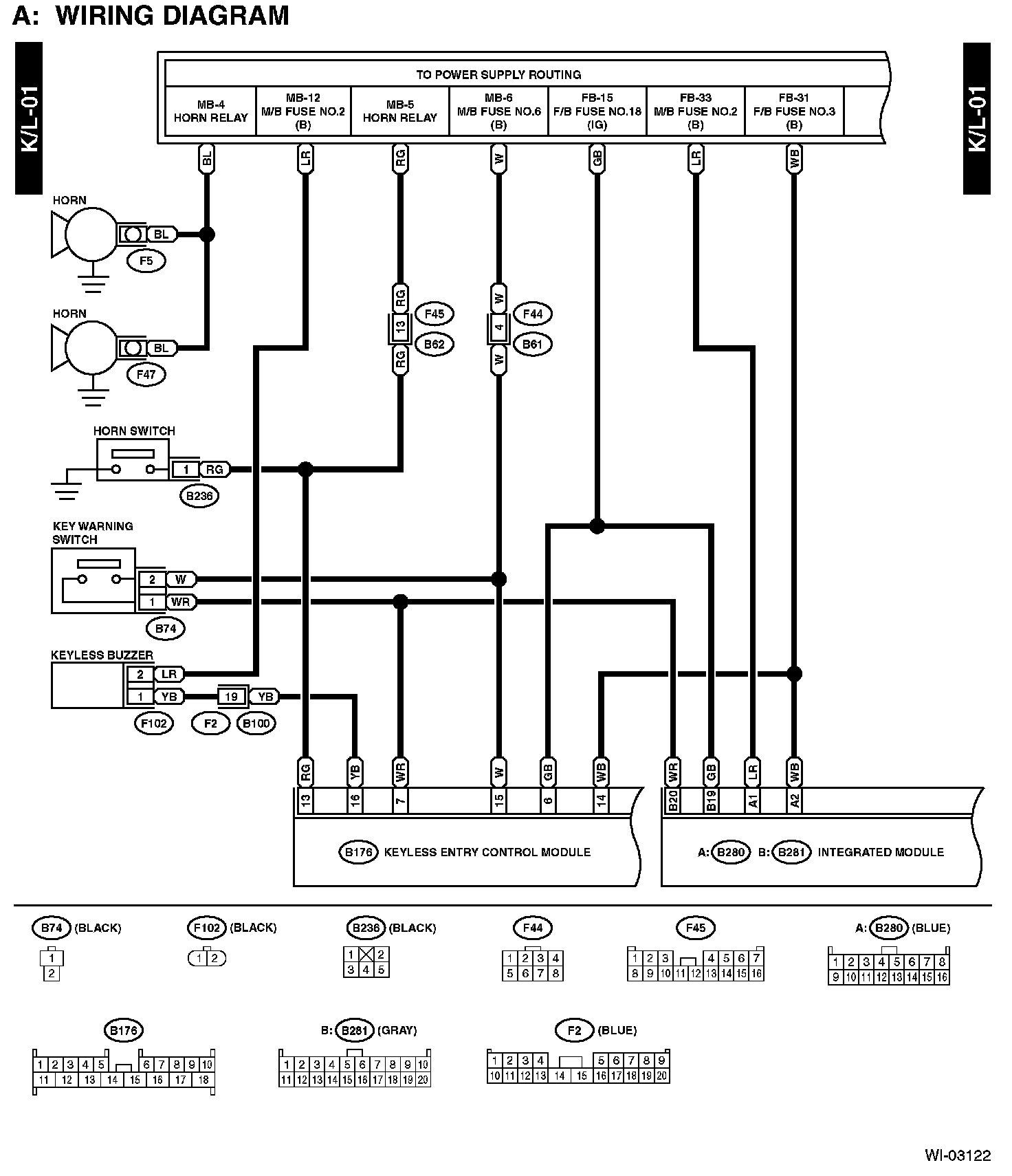
Keyless Entry
Keyless Entry
K/L-01:
K/L-02:
K/L-03:
Diagrams
: Other diagrams referred to by name within these diagrams (i.e. "REF. TO GND-01", etc) can be found at
Diagrams by Diagram Name
.
Diagrams By Diagram Name