Curiosii for ever!: Car repair manuals for everyone.

Front ABS Sensor

Front ABS Sensor

REMOVAL
1) Disconnect the ground cable from battery.
2) Disconnect the front ABS sensor connector located next to the front strut mounting house in engine compartment.





3) Remove the bolts which secure sensor harness to strut.





4) Remove the bolts which secure sensor harness to body.





5) Remove the bolts which secure front ABS sensor to housing, and remove the front ABS sensor.

CAUTION:
^ Be careful not to damage the pole piece located at tip of the sensor and teeth faces during removal.
^ Do not pull the sensor harness during removal.

INSTALLATION





1) Temporarily install the front ABS sensor on housing.

CAUTION: Be careful not to strike the ABS sensor's pole piece against tone wheel and adjacent metal parts during installation.





2) Install the front ABS sensor on strut and wheel apron bracket.
Tightening torque: 33 Nm (3.4 kgf-m, 24.6 ft. lbs.)





3) Check the ABS sensor gap. After standard clearance is obtained, tighten the ABS sensor on housing to specified torque. If the clearance is outside specification, readjust using spacer (Part No. 26755AA000).
ABS sensor standard clearance: 0.3 - 0.8 mm (0.012 - 0.031 inch)
Tightening torque: 33 Nm (3.4 kgf-m, 24.6 ft. lbs.)

NOTE: Check the marks on the harness and make sure that no kink exists.
RH: Light blue
LH: Brown
4) After confirmation of the ABS sensor clearance, connect the connector to ABS sensor.
5) Connect the battery ground cable to battery.

INSPECTION
ABS SENSOR
1) Check the pole piece of ABS sensor for foreign particles or damage. If necessary, clean the pole piece or replace ABS sensor.





2) Measure the ABS sensor resistance. If the resistance is outside standard value, replace the ABS sensor with a new one.

NOTE: Check the ABS sensor cable for discontinuity. If necessary, replace with a new one.

SENSOR GAP





1) Measure the distance "A" between ABS sensor surface and sensor pole face.





2) Measure the distance "B" between surface where the front axle housing meets the ABS sensor, and the tone wheel.

NOTE: Measure so that the gauge touches the tone wheel teeth top.

3) Find the gap between the ABS sensor pole face and the surface of the tone wheel teeth by putting the measured values in the formula below and calculating.
ABS sensor clearance = B - A
ABS sensor standard clearance: 0.3 - 0.8 mm (0.012 - 0.031 inch)

NOTE: If the clearance is outside specification, readjust using spacer (Part No. 26755AA000).





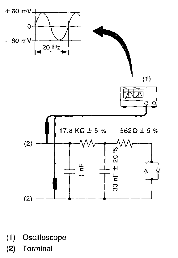
OUTPUT VOLTAGE
Output voltage can be checked by the following method. Install the resistor and condenser, then rotate the wheel about 2.75 km/h (2 MPH) or equivalent.
Output voltage specification: 0.12 to 1 Volts (at 20 Hz)

NOTE: Regarding terminal No., please refer to item ABS SENSOR

ADJUSTMENT
Adjust the gap using spacer (Part No. 26755A000).