Curiosii for ever!: Car repair manuals for everyone.

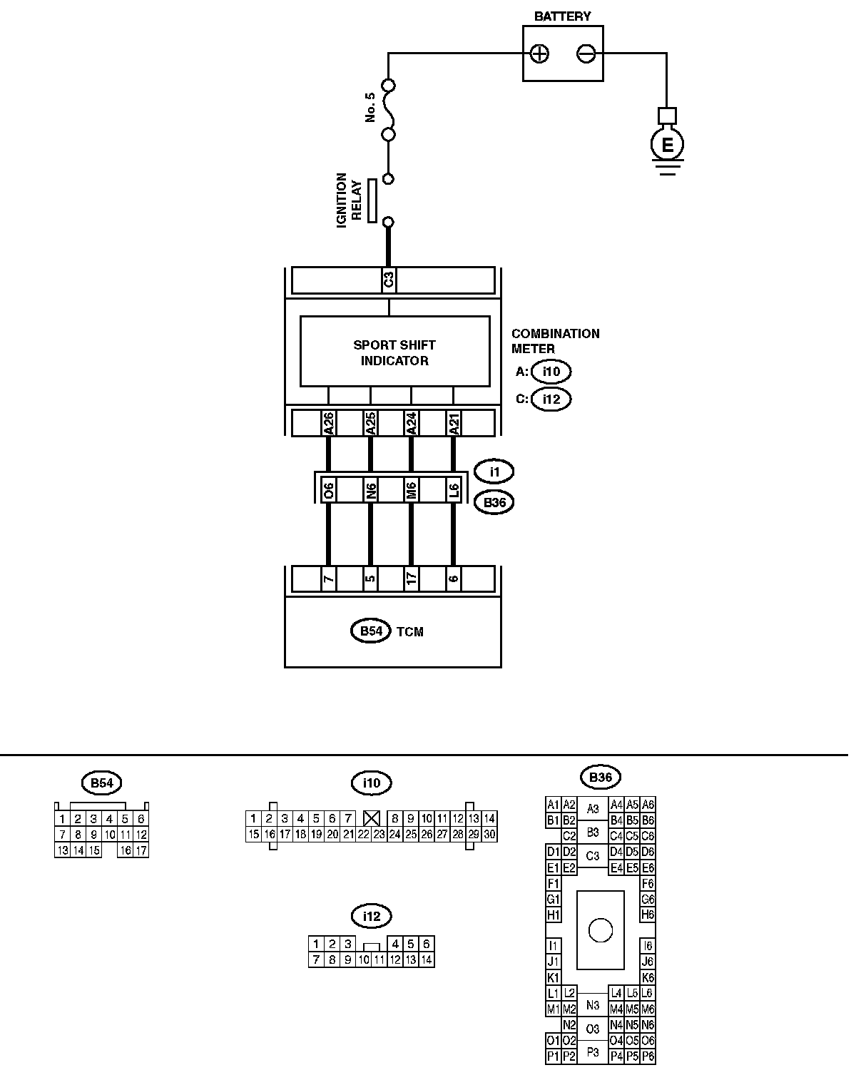
Check Sport Shift Indicator

CHECK SPORT SHIFT INDICATOR

Steps 1-6:






DIAGNOSIS:
The SPORT shift indicator output signal circuit is open or shorted.

TROUBLE SYMPTOM:
^ SPORT shift indicator does not illuminate or remains illuminated.
^ SPORT shift indicator display does not change.





WIRING DIAGRAM