Curiosii for ever!
: Car repair manuals for everyone.
Home
>>
Subaru
>>
2002
>>
Legacy GT LTD Sedan AWD F4-2.5L SOHC
>>
Repair and Diagnosis
>>
Brakes and Traction Control
>>
Antilock Brakes / Traction Control Systems
>>
Testing and Inspection
>>
Component Tests and General Diagnostics
>>
Non-Trouble Code Diagnostic Procedures
>>
With Select Monitor
>>
Communication Initializing Impossible (Communication Failure)
Communication Initializing Impossible (Communication Failure)
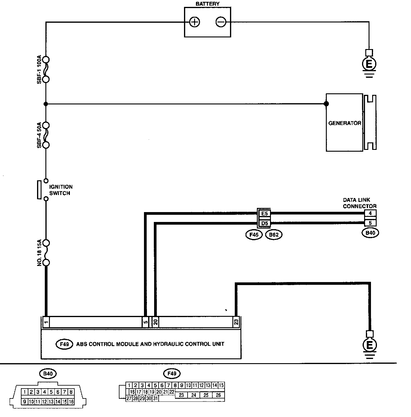
COMMUNICATION FOR INITIALIZING IMPOSSIBLE
DIAGNOSIS:
-
Faulty harness connector
TROUBLE SYMPTOM:
-
ABS warning light remains on.
WIRING DIAGRAM:
PROCEDURE: