Curiosii for ever!: Car repair manuals for everyone.

Check Inhibitor Switch

F: CHECK INHIBITOR SWITCH.

DIAGNOSIS: Input signal circuit of inhibitor switch is open or shorted.

TROUBLE SYMPTOM:
^ Shift characteristics are erroneous.
^ Engine brake is not effected when selector lever is in "3" range.
^ Engine brake is not effected when selector lever is in "2" range.
^ Engine brake is not effected when selector lever is in "1" range.



































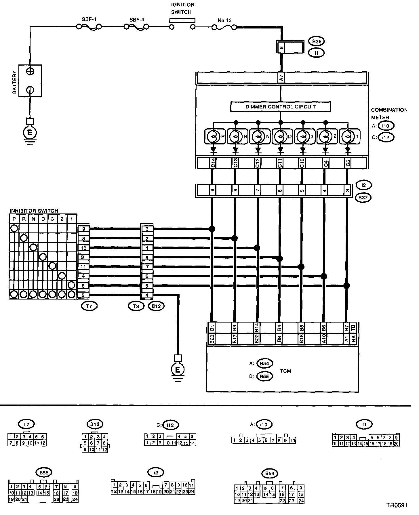
WIRING DIAGRAM: