Curiosii for ever!
: Car repair manuals for everyone.
Home
>>
Subaru
>>
2002
>>
Impreza Outback Sport AWD F4-2.5L SOHC
>>
Repair and Diagnosis
>>
Powertrain Management
>>
Transmission Control Systems
>>
Testing and Inspection
>>
Component Tests and General Diagnostics
>>
Diagnostic Procedure For Non-Trouble Code
>>
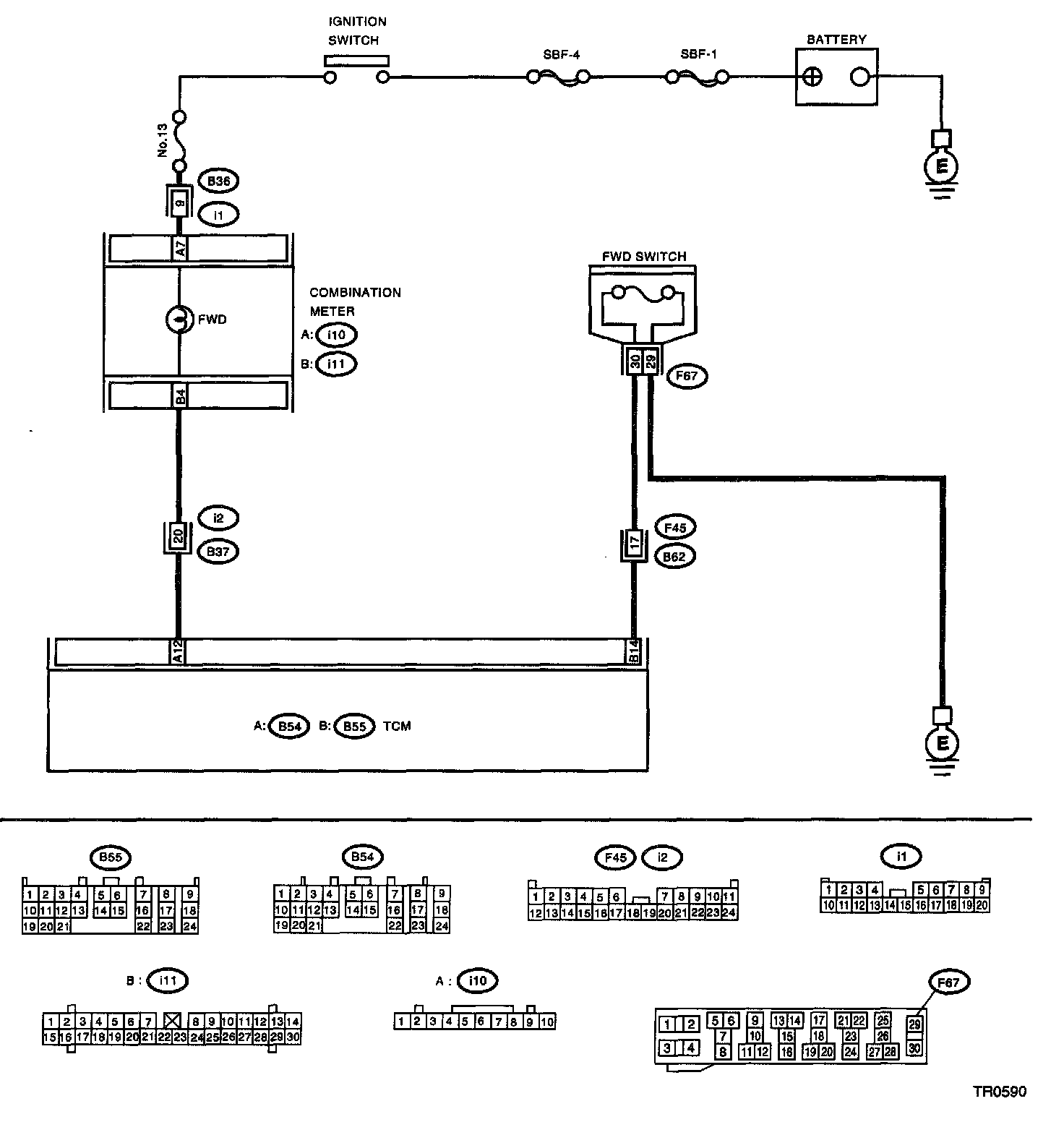
Check FWD Switch
Check FWD Switch
B: CHECK FWD SWITCH.
DIAGNOSIS:
^
LED does not come on even if FWD switch is ON.
^
FWD switch circuit is open or short.
WIRING DIAGRAM