Curiosii for ever!
: Car repair manuals for everyone.
Home
>>
Subaru
>>
2002
>>
Impreza Outback Sport AWD F4-2.5L SOHC
>>
Repair and Diagnosis
>>
Powertrain Management
>>
Transmission Control Systems
>>
Testing and Inspection
>>
Component Tests and General Diagnostics
>>
Diagnostic For On-Board Diagnostics Failed
>>
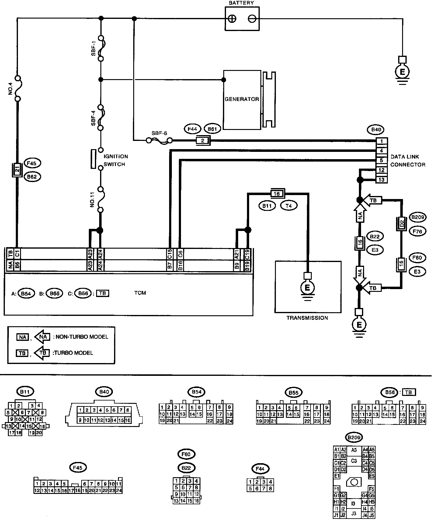
Diagnostic Procedure For Select Monitor Communication
Diagnostic Procedure For Select Monitor Communication
A: COMMUNICATION FOR INITIALIZING IMPOSSIBLE
DIAGNOSIS:
^
Faulty harness connector
TROUBLE SYMPTOM:
^
Select the monitor communication failure
WIRING DIAGRAM