Curiosii for ever!
: Car repair manuals for everyone.
Home
>>
Subaru
>>
2002
>>
Impreza Outback Sport AWD F4-2.5L SOHC
>>
Repair and Diagnosis
>>
Powertrain Management
>>
Computers and Control Systems
>>
Testing and Inspection
>>
Symptom Related Diagnostic Procedures
>>
Diagnostics For Engine Starting Failure
>>
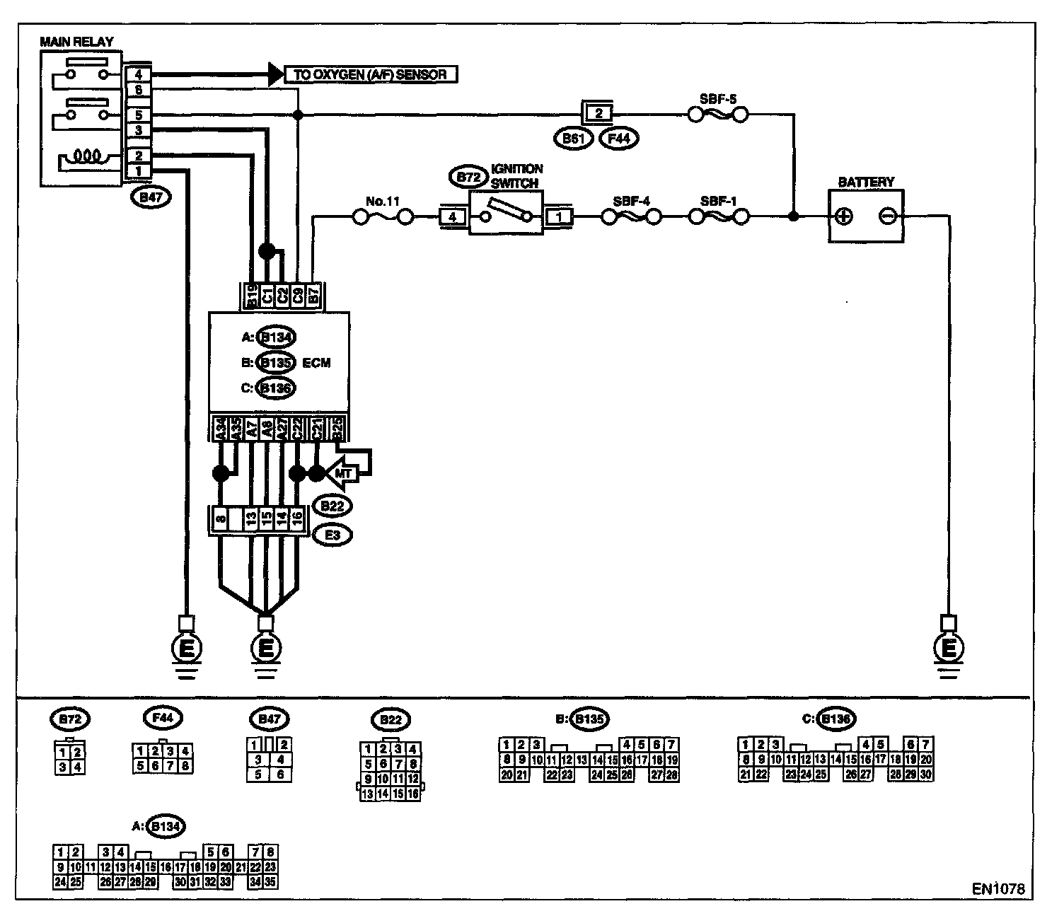
Control Module Power Supply and Ground Line
Control Module Power Supply and Ground Line
CONTROL MODULE POWER SUPPLY AND GROUND LINE
CAUTION:
After repair or replacement of faulty parts, conduct CLEAR MEMORY MODE and INSPECTION MODE.
Wiring Diagram:
WIRING DIAGRAM
Step 1:
Step 2 - 9:
Step 10: