Curiosii for ever!
: Car repair manuals for everyone.
Home
>>
Subaru
>>
2002
>>
Impreza Outback Sport AWD F4-2.5L SOHC
>>
Repair and Diagnosis
>>
Diagrams
>>
Exploded Views
>>
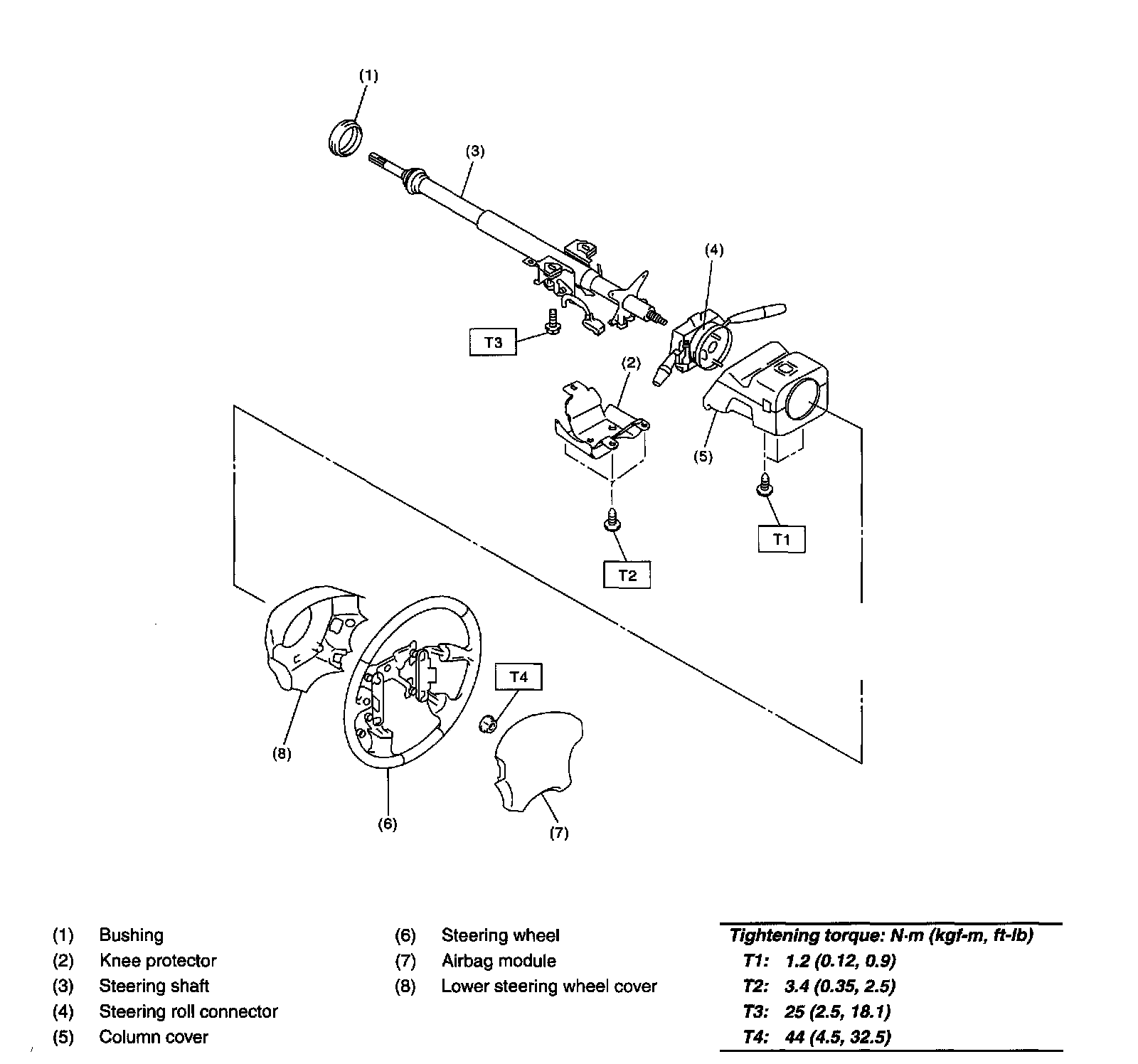
Steering Column
Steering Column