Curiosii for ever!
: Car repair manuals for everyone.
Home
>>
Subaru
>>
2001
>>
Legacy L Sedan AWD F4-2.5L SOHC
>>
Repair and Diagnosis
>>
Specifications
>>
Mechanical Specifications
>>
Engine
>>
System Specifications
>>
Torque Specifications
>>
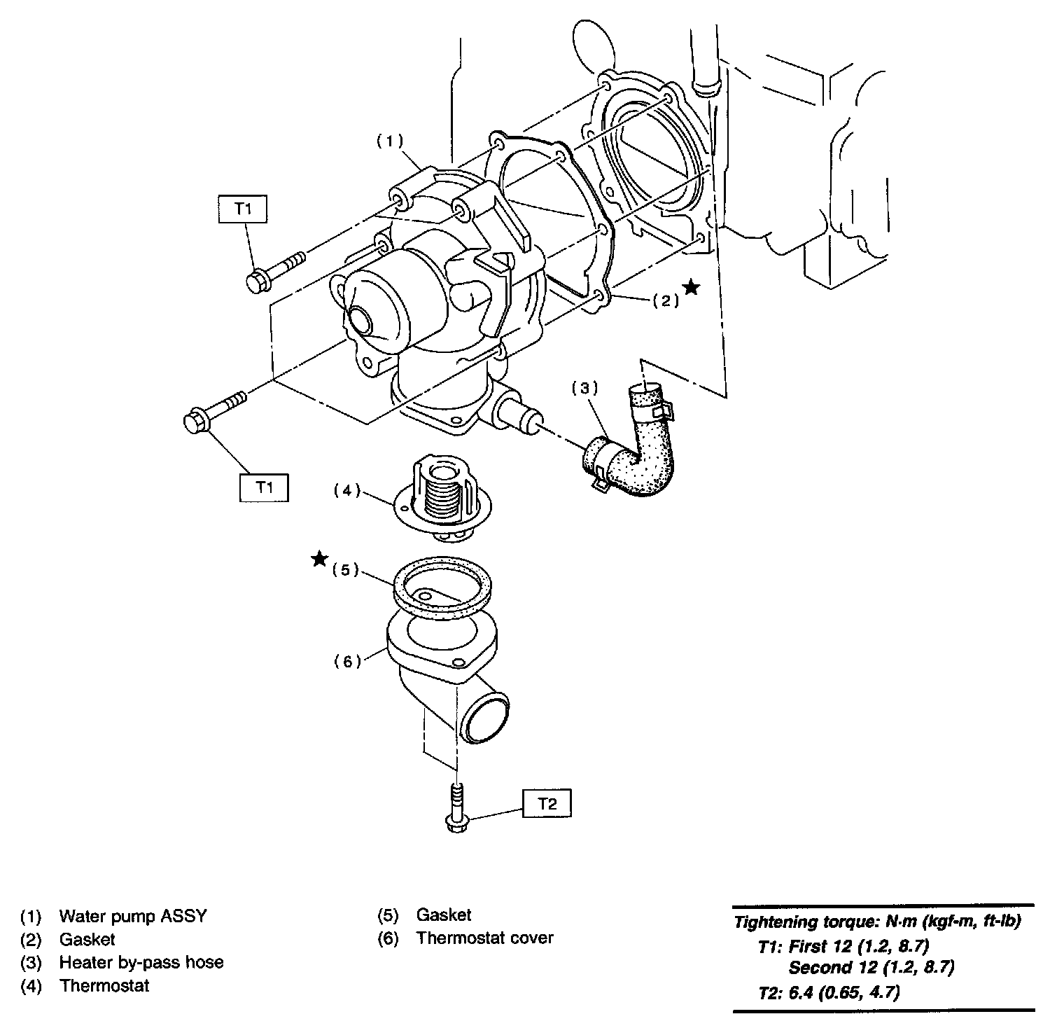
Water Pump
Water Pump