Curiosii for ever!
: Car repair manuals for everyone.
Home
>>
Subaru
>>
2001
>>
Legacy L Sedan AWD F4-2.5L SOHC
>>
Repair and Diagnosis
>>
Powertrain Management
>>
Transmission Control Systems
>>
Testing and Inspection
>>
Component Tests and General Diagnostics
>>
Diagnostics For On-Board Diagnostics Failed
>>
Control Module Power Supply and Ground Line
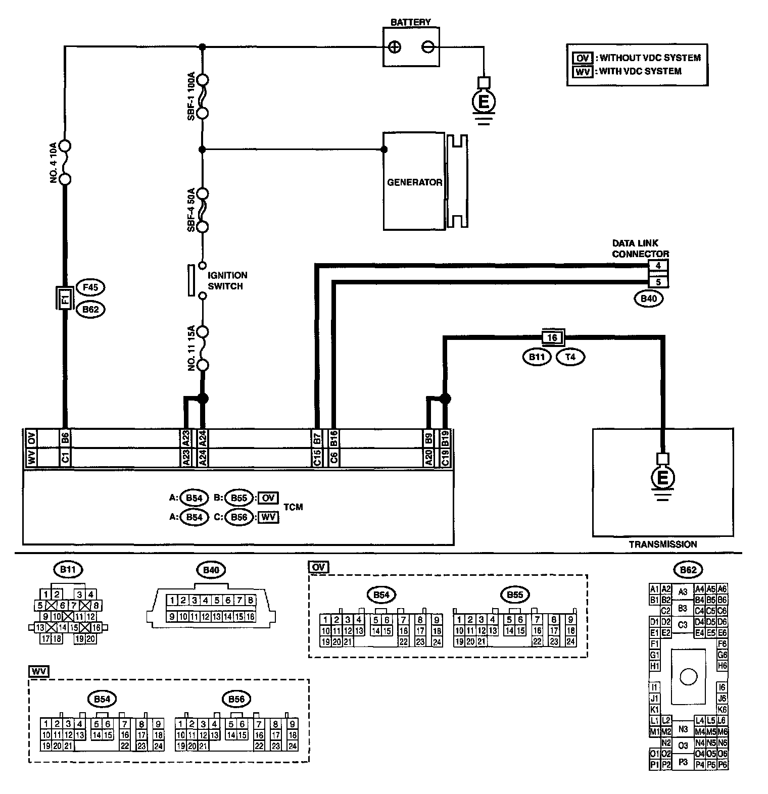
Control Module Power Supply and Ground Line
1. CONTROL MODULE POWER SUPPLY AND GROUND LINE
DIAGNOSIS: Faulty harness connector
TROUBLE SYMPTOM: AT OIL TEMP warning light remains on.
WIRING DIAGRAM:
PROCEDURE:
No.1 - 9
No.10 - 14