Curiosii for ever!
: Car repair manuals for everyone.
Home
>>
Subaru
>>
2001
>>
Legacy L Sedan AWD F4-2.5L SOHC
>>
Repair and Diagnosis
>>
Powertrain Management
>>
Computers and Control Systems
>>
Testing and Inspection
>>
Symptom Related Diagnostic Procedures
>>
Diagnostics For Engine Starting Failure
>>
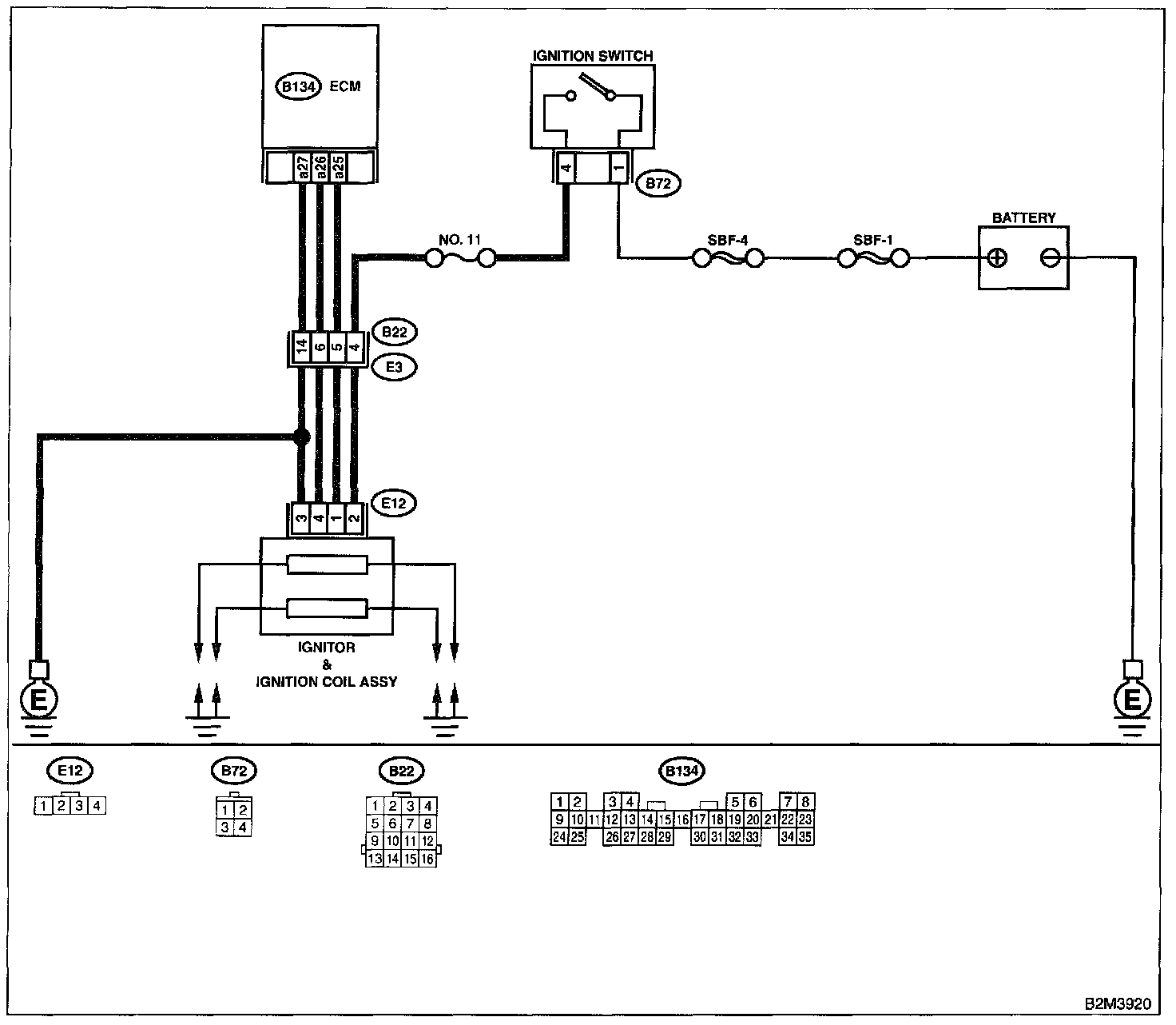
Ignition Control System
Ignition Control System
IGNITION CONTROL SYSTEM
CAUTION:
After repair or replacement of faulty parts, conduct CLEAR MEMORY MODE
and INSPECTION MODE
.
Wiring Diagram:
Step 1:
Step 2 - 7:
Step 8 - 12:
WIRING DIAGRAM