Curiosii for ever!
: Car repair manuals for everyone.
Home
>>
Subaru
>>
2001
>>
Impreza L Sedan AWD F4-2.2L SOHC
>>
Repair and Diagnosis
>>
Powertrain Management
>>
Computers and Control Systems
>>
Testing and Inspection
>>
Symptom Related Diagnostic Procedures
>>
Diagnostics For Engine Starting Failure
>>
Ignition Control System
Ignition Control System
CAUTION:
After repair or replacement of faulty parts, conduct CLEAR MEMORY MODE
and INSPECTION MODE
.
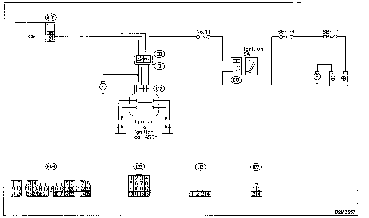
Wiring Diagram:
WIRING DIAGRAM
Step 1:
Step 2 - 7:
Step 8 - 12: