Curiosii for ever!: Car repair manuals for everyone.

System Diagram





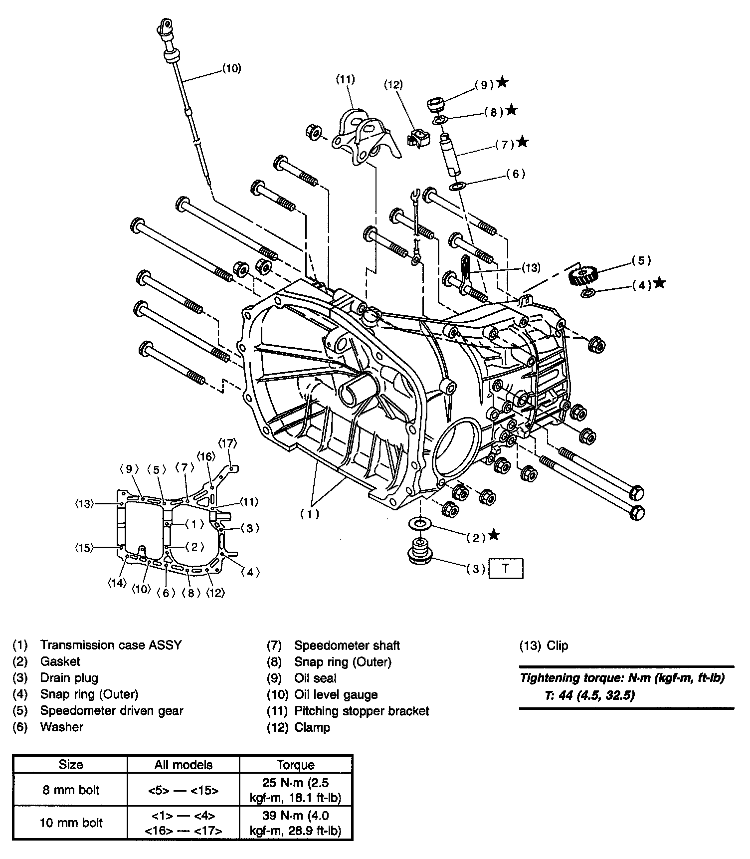
1. TRANSMISSION CASE

2. DRIVE PINION ASSEMBLY





^ 2200 cc Model





^ 2500 cc Model

3. MAIN SHAFT ASSEMBLY





^ 2200 cc Model





^ 2500 cc Model





4. SHIFTER FORK AND SHIFTER ROD





5. TRANSFER CASE AND EXTENSION





6. FRONT DIFFERENTIAL





7. TRANSMISSION MOUNTING