Curiosii for ever!
: Car repair manuals for everyone.
Home
>>
Subaru
>>
2001
>>
Impreza L Sedan AWD F4-2.2L SOHC
>>
Repair and Diagnosis
>>
Diagrams
>>
Exploded Views
>>
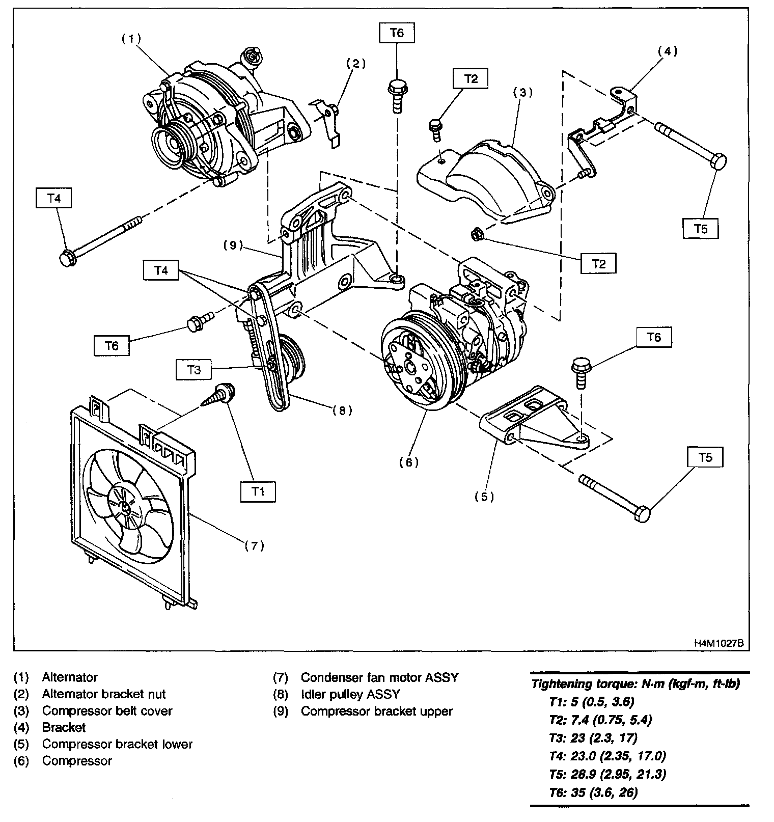
Compressor HVAC
Compressor HVAC
Compressor: