Curiosii for ever!: Car repair manuals for everyone.

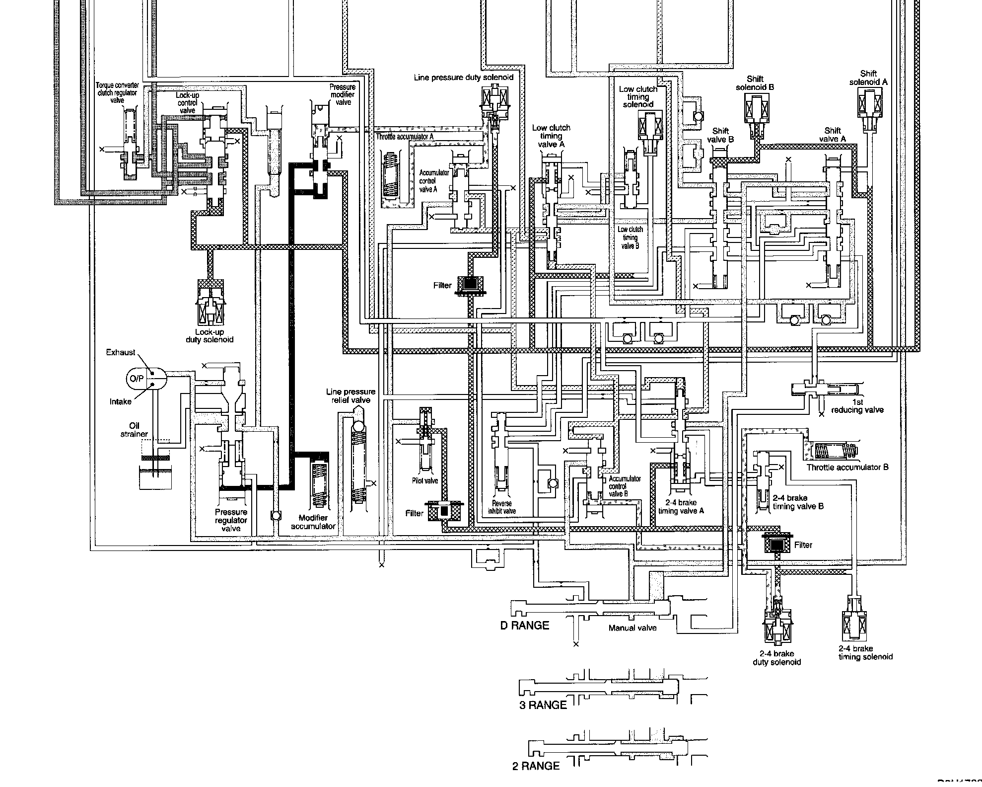
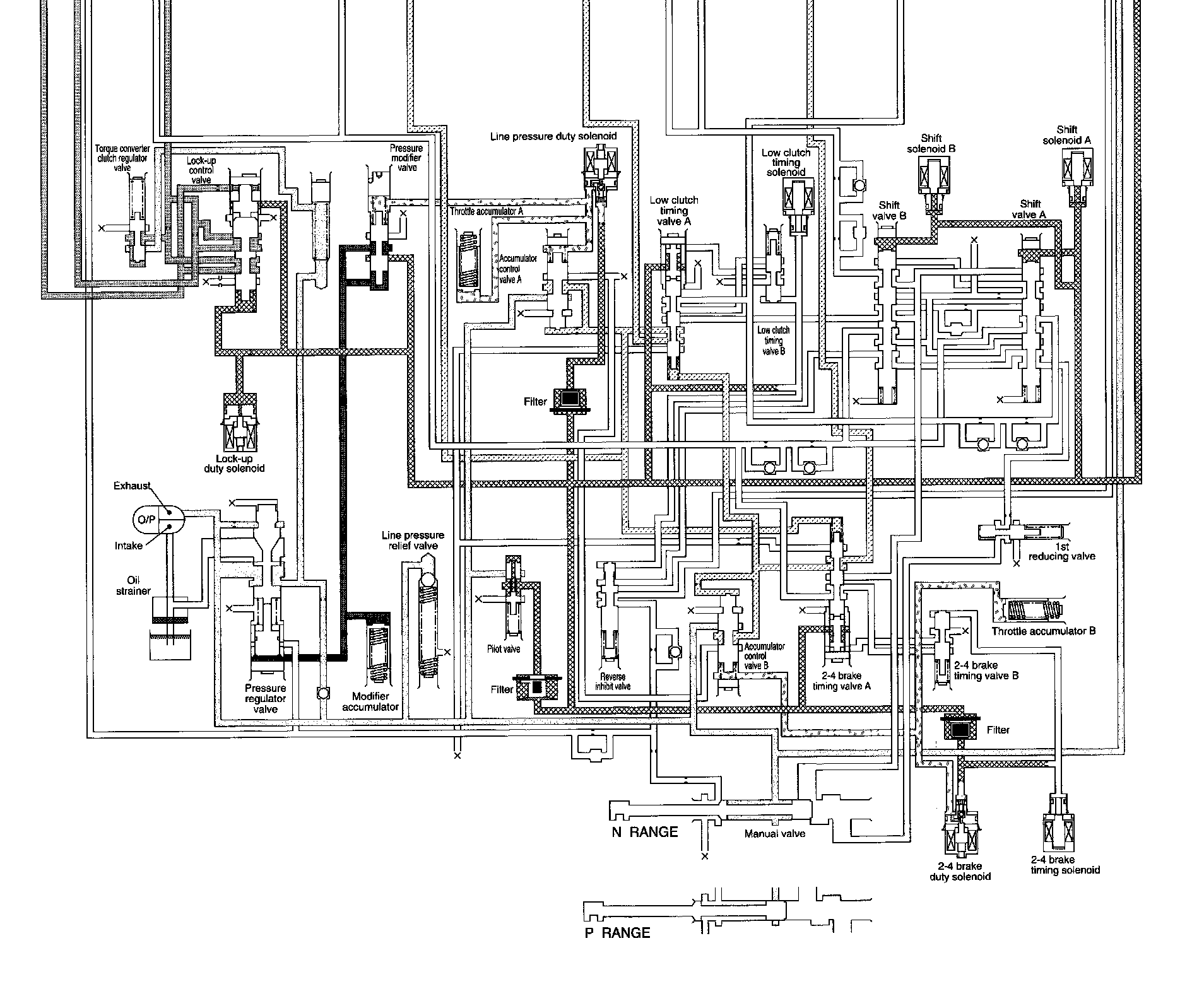
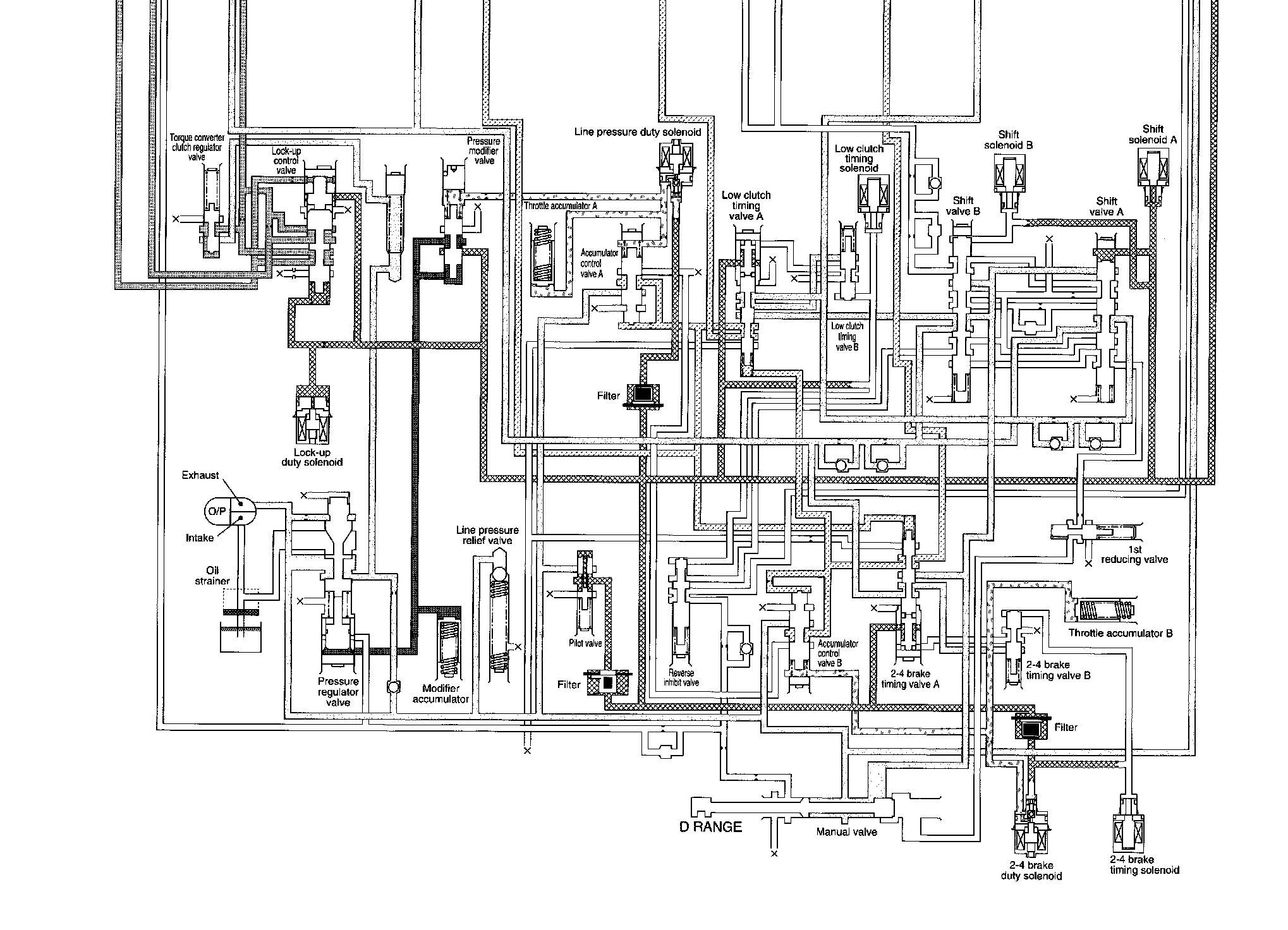
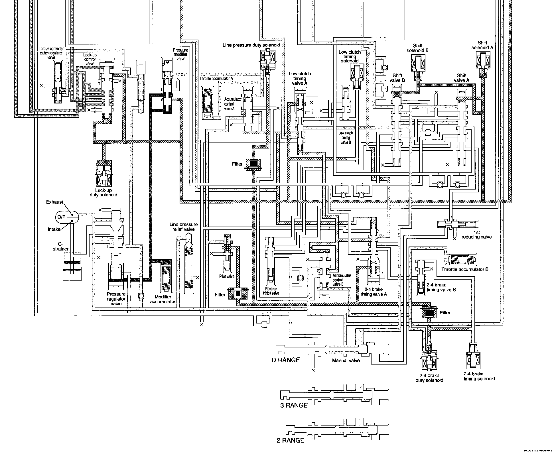
Fluid Diagrams








A: P And N Range








B.: R Range








C: Fourth Speed Of D Range (Lock Up Off)








D: Fourth Speed Of D Range (Lock Up On)








E. Third Speed Of D And 3 Range








F.: Second Speed Of D, 3 And 2 Range








G: First Speed Of D, 3 And 2 Range








H: First Speed Of 1 Range