Curiosii for ever!: Car repair manuals for everyone.

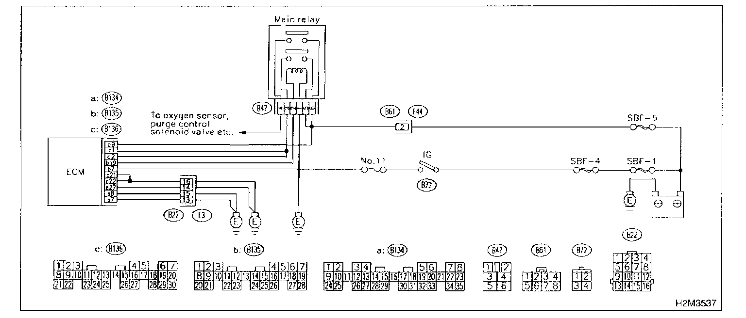
Control Module Power Supply and Ground Line

C: CONTROL MODULE POWER SUPPLY AND GROUND LINE

CAUTION: After repair or replacement of faulty parts, conduct CLEAR MEMORY MODE and INSPECTION MODE. Refer to How To Clear Diagnostic Trouble Codes.




WIRING DIAGRAM

8C1: CHECK MAIN RELAY.
1. Turn the ignition switch to OFF.
2. Remove main relay.

Terminals No.3 - No.5:




3. Connect battery to main relay terminals No.1 and No.2.
4. Measure resistance between main relay terminals.

CHECK: Is the resistance less than 10 Ohm?

YES: Go to step 8C2.

NO: Replace main relay.

8C2: CHECK MAIN RELAY.

Terminals No.4 - No.6:




Measure resistance between main relay terminals.

CHECK: Is the resistance less than 10 Ohm?

YES: Go to step 8C3.

NO: Replace main relay.

8C3: CHECK GROUND CIRCUIT OF ECM.
1. Disconnect connector from ECM.

Connector & terminal (B136) No.21 - Chassis ground:




2. Measure resistance of harness connector between ECM and chassis ground.

CHECK: Is the resistance less than 5 Ohm?

YES: Go to step 8C4.

NO: Repair open circuit in harness between ECM connector and engine grounding terminal.

8C4: CHECK GROUND CIRCUIT OF ECM.

Connector & terminal (B136) No.22 - Chassis ground:




Measure resistance of harness between ECM and chassis ground.

CHECK: Is the resistance less than 5 Ohm?

YES: Go to step 8C5.

NO: Repair open circuit in harness between ECM connector and engine grounding terminal.

8C5: CHECK GROUND CIRCUIT OF ECM.

Connector & terminal (B134) No.27- Chassis ground:




Measure resistance of harness between ECM and chassis ground.

CHECK: Is the resistance less than 5 Ohm?

YES: Go to step 8C6.

NO: Repair open circuit in harness between ECM connector and engine grounding terminal.

8C6: CHECK GROUND CIRCUIT OF ECM.

Connector & terminal (B134) No.8 - Chassis ground:




Measure resistance of harness between ECM and chassis ground.

CHECK: IS the resistance less than 5 Ohm?

YES: Go to step 8C7.

NO: Repair open circuit in harness between ECM connector and engine grounding terminal.

8C7: CHECK GROUND CIRCUIT OF ECM.

Connector & terminal (B134) No.7- Chassis ground:




Measure resistance of harness between ECM and chassis ground.

CHECK: Is the resistance less than 5 Ohm?

YES: Go to step 8C8.

NO: Repair open circuit in harness between ECM connector and engine grounding terminal.

8C8: CHECK INPUT VOLTAGE OF ECM.

Connector & terminal (B136) No.9 (+) - Chassis ground (-):




Measure voltage between ECM connector and chassis ground.

CHECK: Is the voltage more than 10 Volt?

YES: Go to step 8C9.

NO: Repair open or ground short circuit of power supply circuit.

8C9: CHECK INPUT VOLTAGE OF ECM.
1. Turn ignition switch to ON.

Connector & terminal (B135) No.7 (+) - Chassis ground (-):




2. Measure voltage between ECM connector and chassis ground.

CHECK: Is the voltage more than 10 Volt?

YES: Go to step 8C10.

NO: Repair open or ground short circuit of power supply circuit.

8C10: CHECK HARNESS BETWEEN ECM AND MAIN RELAY CONNECTOR.
1. Turn ignition switch to OFF.

Connector & terminal (B135) No.19 - Chassis ground:




2. Measure resistance between ECM and chassis ground.

CHECK: Is the resistance more than 1 M.Ohm?

YES: Go to step 8C11.

NO: Repair ground short circuit in harness between ECM connector and main relay connector, then replace ECM.

8C11: CHECK OUTPUT VOLTAGE FROM ECM.
1. Connect connector to ECM.
2. Turn ignition switch to ON.

Connector & terminal (B135) No.19 (+) - Chassis ground (-):




3. Measure voltage between ECM connector and chassis ground.

CHECK: Is the voltage more than 10 Volt?

YES: Go to step 8C12.

NO: Replace ECM.

8C12: CHECK INPUT VOLTAGE OF MAIN RELAY.

Connector & terminal (B135) No.2 (+) - Chassis ground (-):




Check voltage between main relay connector and chassis ground.

CHECK: Is the voltage more than 10 Volt?

YES: Go to step 8C13.

NO: Repair open circuit in harness between ECM connector and main relay connector.

8C13: CHECK GROUND CIRCUIT OF MAIN RELAY.
1. Turn ignition switch to OFF.

Connector & terminal (B47) No.1 - Chassis ground:




2. Measure resistance between main relay connector and chassis ground.

CHECK: Is the resistance less than 5 ohm?

YES: Go to step 8C14.

NO: Repair open circuit between main relay and chassis ground.

8C14: CHECK INPUT VOLTAGE OF MAIN RELAY.

Connector & terminal (B47) No.5 (+) - Chassis ground (-):




Measure voltage between main relay connector and chassis ground.

CHECK: Is the voltage more than 10 Volt?

YES: Go to step 8C15.

NO: Repair open or ground short circuit in harness of power supply circuit.

8C15: CHECK INPUT VOLTAGE OF MAIN RELAY.

Connector & terminal (B47) No.6 (+) - Chassis ground (-):




Measure voltage between main relay connector and chassis ground.

CHECK: Is the voltage more than 10 Volt?

YES: Go to step 8C16.

NO: Repair open or ground short circuit in harness of power supply circuit.

8C16: CHECK INPUT VOLTAGE OF ECM.
1. Connect main relay connector.
2. Turn ignition switch to ON.

Connector & terminal (B136) No.1 (+) - Chassis ground (-):




3. Measure voltage between ECM connector and chassis ground.

CHECK: Is the voltage more than 10 Volt?

YES: Go to step 8C17.

NO: Repair open or ground short circuit in harness between ECM connector and main relay connector.

8C17: CHECK INPUT VOLTAGE OF ECM.

Connector & terminal (B136) No.2 (+) - Chassis ground (-):




Measure voltage between ECM connector and chassis ground.

CHECK: Is the voltage more than 10 Volt?

YES: Check ignition control system.

NO: Repair open or ground short circuit in harness between ECM connector and main relay connector.