Curiosii for ever!
: Car repair manuals for everyone.
Home
>>
Subaru
>>
2000
>>
Impreza Outback Sport F4-2.2L SOHC
>>
Repair and Diagnosis
>>
Diagrams
>>
Exploded Views
>>
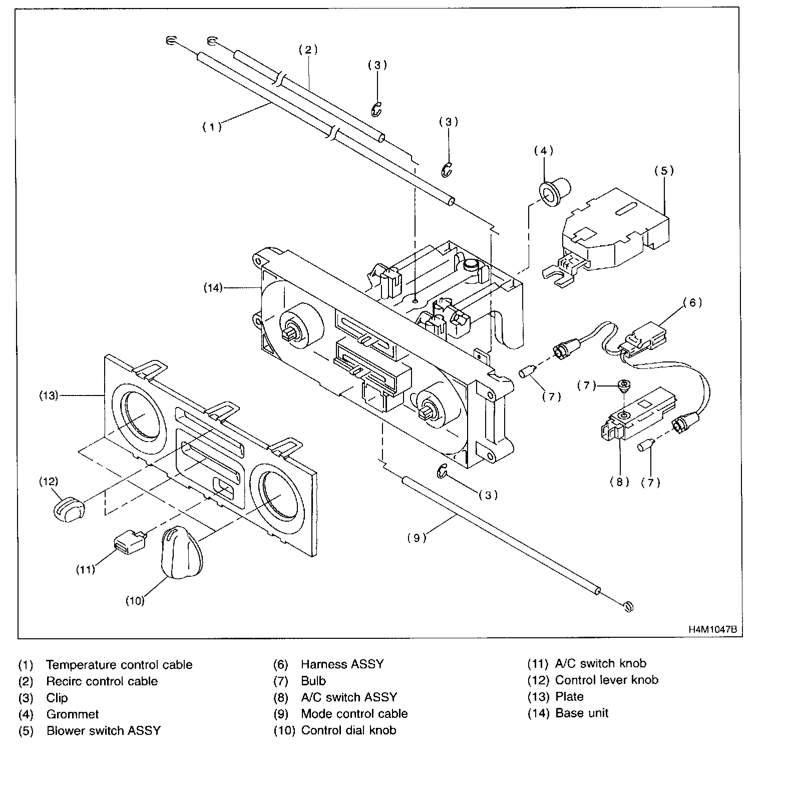
Control Assembly, HVAC
Control Assembly, HVAC
Control Unit: