Curiosii for ever!: Car repair manuals for everyone.

Electronic Brake Control Module: Description and Operation

ABS CONTROL MODULE AND HYDRAULIC CONTROL UNIT (ABSCM&H/U)
ABS CONTROL MODULE SECTION (ABSCM)
The ABS Control Module (ABSCM) is a digital control type electronic control module accommodating two microcontrol modules (MCMs); master and slave. Both MCMs process the same program and monitor the respective outputs, and when a mismatch occurs, cut off the system to activate the fail-safe function.
A maximum of 3 trouble codes are stored in the EEPROM and if 3 or more areas fail, then only the 3 most recent failures are stored. The trouble codes remain stored until they are erased. This ABSCM induces a sequence control pattern and facilitates the checking of the hydraulic unit.
- ABS control
Based on the four wheel speed signals, the ABSCM calculates a simulated body speed or body deceleration rate, while referencing the G sensor output as an auxiliary means, and compares them with the wheel speeds and wheel deceleration rates. If it determines that the wheels are about to lock, it controls the solenoid valve or motor pump of the Hydraulic Control Unit (H/U) to adjust the brake fluid pressures that act on the wheel cylinders, thereby preventing the wheels from locking.
The ABSCM controls the right and left front wheel fluid pressures independently and controls the rear wheel fluid pressures on the basis of the wheel which is more likely to lock (Select-low control).
- Select monitor associated functions
The Subaru select monitor may be used to perform the following operations:
- To read out analog data
- To read out ON/OFF data
- To read out or erase trouble code
- To read out status information in the event of trouble (Freeze frame data)
- To initiate ABS sequence control pattern
- Indication functions
The ABS warning light can be made to indicate the following three states:
- ABS trouble
- Flashes to indicate trouble codes in diagnosis mode.
- Valve ON/OFF when sequence control pattern is in effect

HYDRAULIC CONTROL UNIT SECTION (H/U)
The H/U is a fluid pressure controller comprising a motor, solenoid valve, housing, relay, etc. It constitutes two diagonally independent brake fluid circuits for a cross piping vehicle.
- The pump motor rotates an eccentric cam to let the plunger pump generate a hydraulic pressure.
- The housing accommodates the pump motor, solenoid valve, reservoir, etc., and also constitutes a brake fluid passage.
- The plunger pump is a hydraulic pump which drains off the brake fluid which, when the pressure is reduced, is discharged to the reservoir, and sends it toward the master cylinder.
- The solenoid valve is a 2-position type solenoid valve which switches the brake fluid passages between the wheel and master cylinder and reservoir sides in response to an instruction from the ABSCM. For each wheel cylinder, a pair of normally-closed and -opened solenoid valves are provided.
- The inlet solenoid valve is duty-controlled to reduce brake fluid pulsation for lower ABS operation noise.
- The reservoir is a fluid chamber which temporarily stores the brake fluid to be discharged from the wheel cylinder when the pressure is reduced.
- The damper chamber suppresses the pulsation of the brake fluid which, when the pressure is reduced, is discharged from the plunger pump, thereby minimizing the kickbacks to the brake pedal.
- The valve relay controls the solenoid valve and motor relay energizing power supply in response to an instruction from the ABSCM. In normal (IG ON) condition, the relay is actuated to supply power to the solenoid valve and motor relay. When an error occurs in the system, the valve relay is forced to OFF to keep the fluid pressure circuit in the normal mode (normal brake mode).
- The motor relay supplies power to the pump motor to operate the plunger pump in response to an instruction from the ABSCM in the ABS control mode.
The H/U has four operating modes: normal mode (control OFF: normal brake mode), "increase", "hold" and "decrease" modes (control ON in all the three modes).

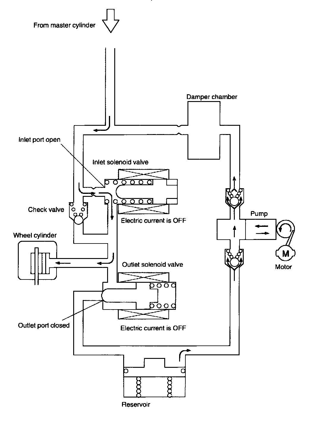
1. DURING NORMAL BRAKING





Since no current is supplied to the inlet and outlet solenoid valves, no solenoid valve attracting force is generated. So the valves remain stationary. Accordingly, the inlet port of the inlet solenoid valve is in an opened state, whereas the outlet port of the outlet solenoid valve is in a closed state. So the fluid pressure of the master cylinder is transmitted to the wheel cylinder to produce a brake force in the wheel cylinder.





NOTE: Explained with one wheel's control as an example

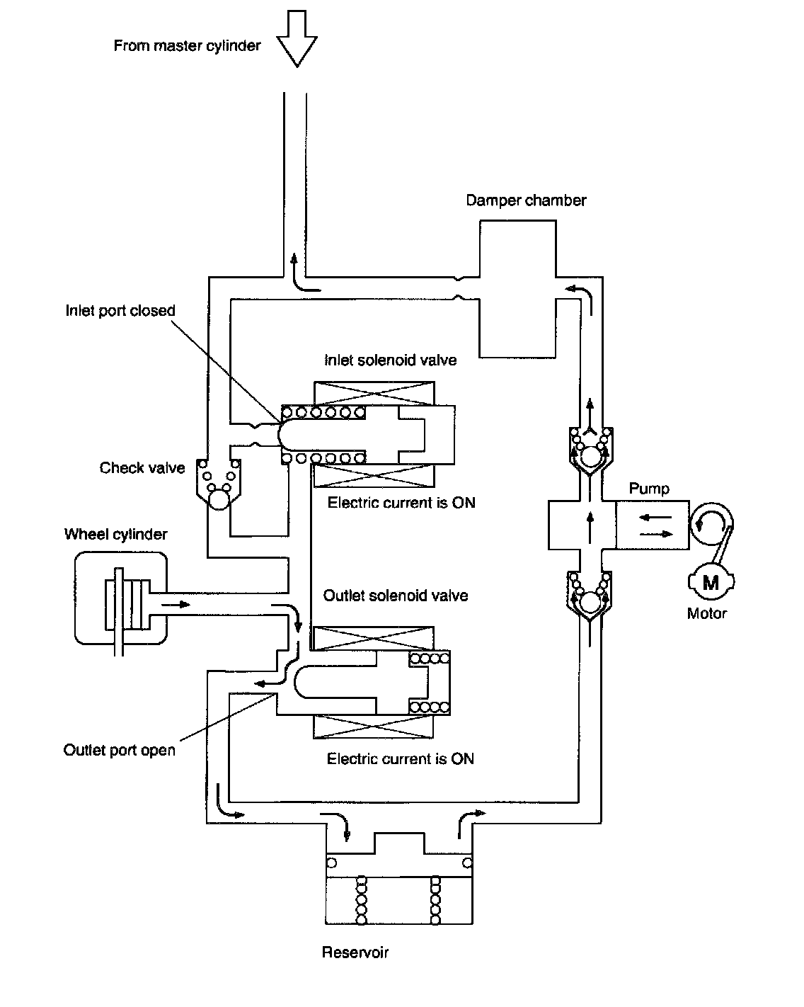
2. PRESSURE "DECREASE" ACTION WITH ABS IN OPERATION
Current is supplied to the inlet and outlet solenoid valves, and the generated solenoid valve attracting forces close the inlet port and open the outlet port. Accordingly, the wheel cylinder is isolated from the master cylinder and becomes clear to the reservoir, allowing the brake fluid to flow to the reservoir. So the fluid pressure of the wheel cylinder is decreased. The brake fluid collected in the reservoir is fed to the master cylinder by the pump.





NOTE: Explained with one wheel's control as an example

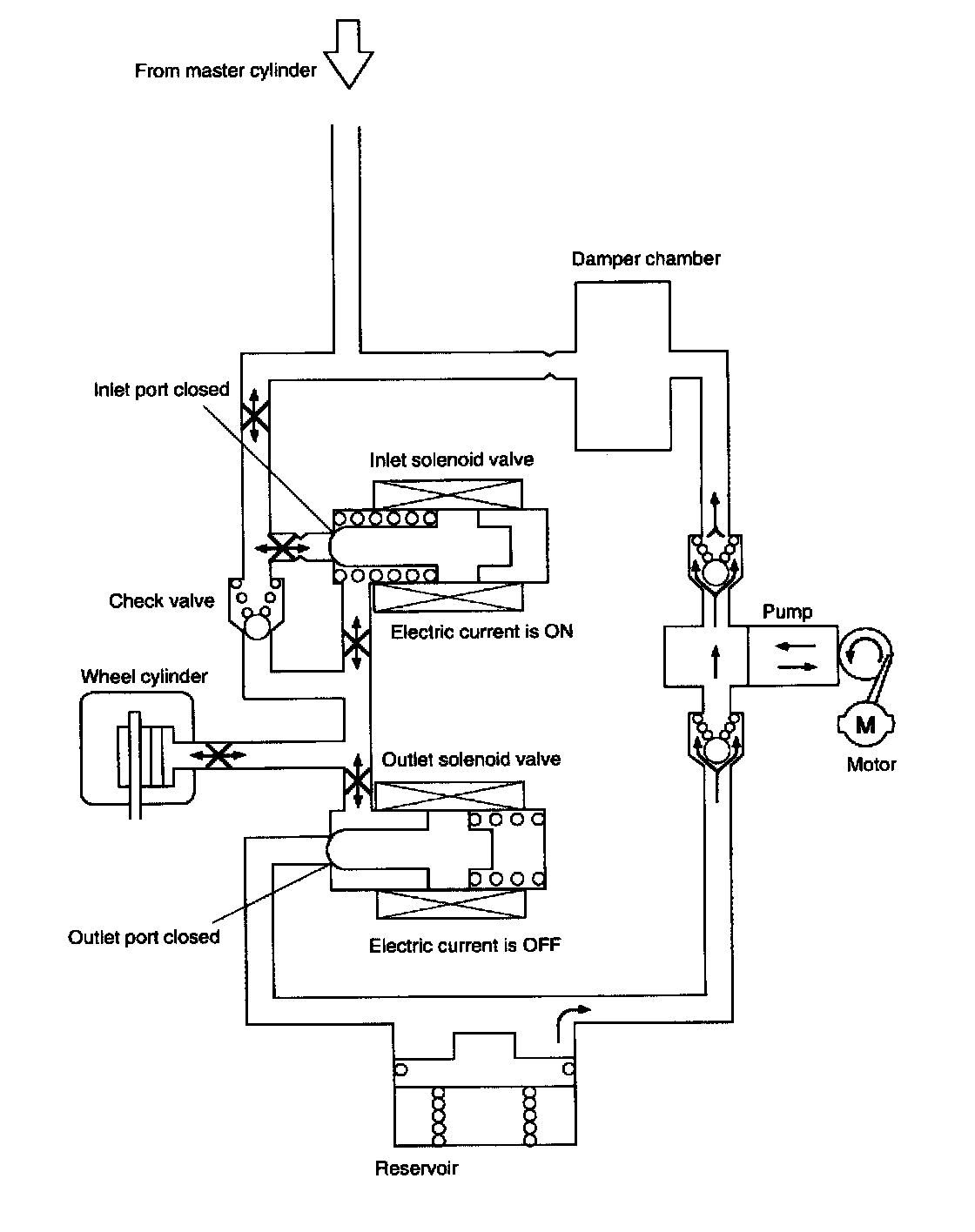
3. PRESSURE "HOLD" ACTION WITH ABS IN OPERATION
Current is supplied to the inlet solenoid valve, and the generated solenoid valve attracting force closes the inlet port. Since no current is supplied to the outlet solenoid valve, the output port remains in a closed state. As a result, the wheel cylinder, master cylinder and reservoir are blocked, and the fluid pressure of the wheel cylinder is maintained constant. During Anti-lock Brake System (ABS) operation, the pump motor continues to operate.





NOTE: Explained with one wheel's control as an example

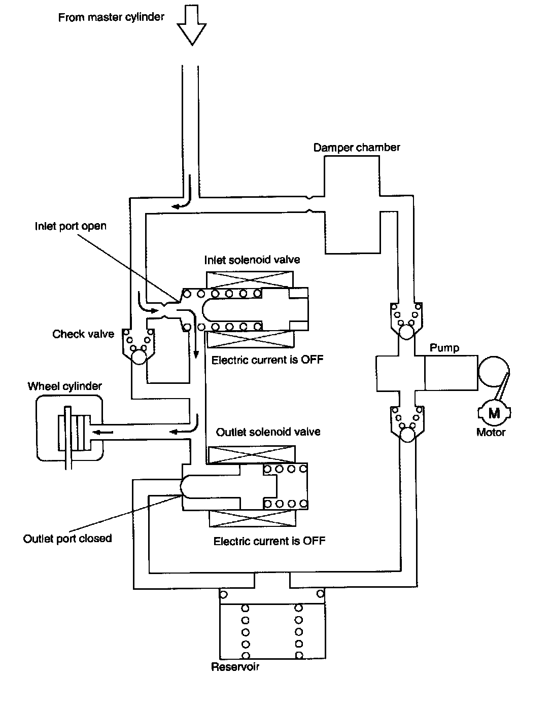
4. PRESSURE "INCREASE" ACTION WITH ABS IN OPERATION
Since no current is supplied to the inlet and outlet solenoid valves, no solenoid valve attracting force is generated. So the valves remain stationary. Accordingly, the inlet port of the inlet solenoid valve is in an opened state, whereas the outlet port of the outlet solenoid valve is in a closed state. So the fluid pressure of the master cylinder is transmitted to the wheel cylinder to increase the brake force in the wheel cylinder. During Anti-lock Brake System (ABS) operation, the pump motor continues to operate.





NOTE: Explained with one wheel's control as an example