Curiosii for ever!
: Car repair manuals for everyone.
Home
>>
Subaru
>>
2000
>>
Impreza L Sedan F4-2.2L SOHC
>>
Repair and Diagnosis
>>
Powertrain Management
>>
Transmission Control Systems
>>
Diagrams
>>
Electrical Diagrams
>>
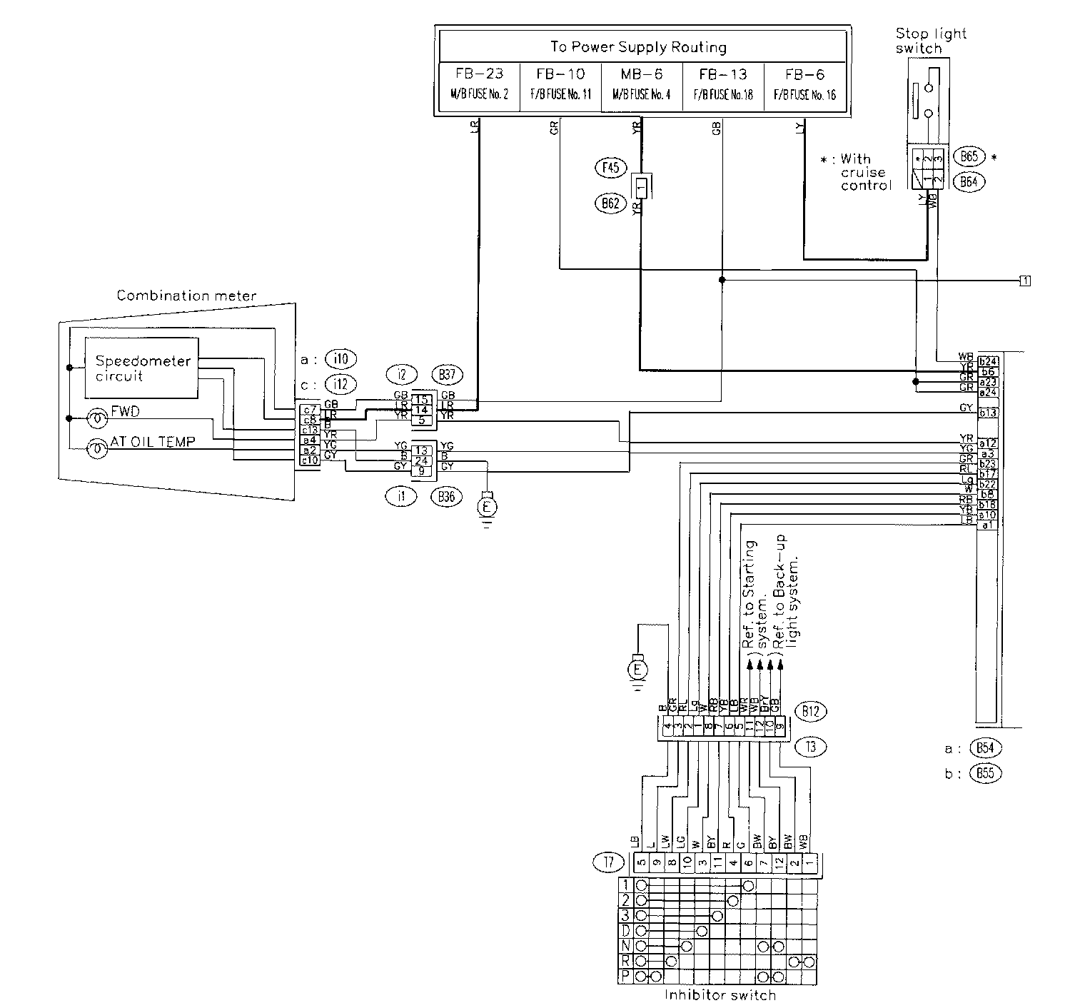
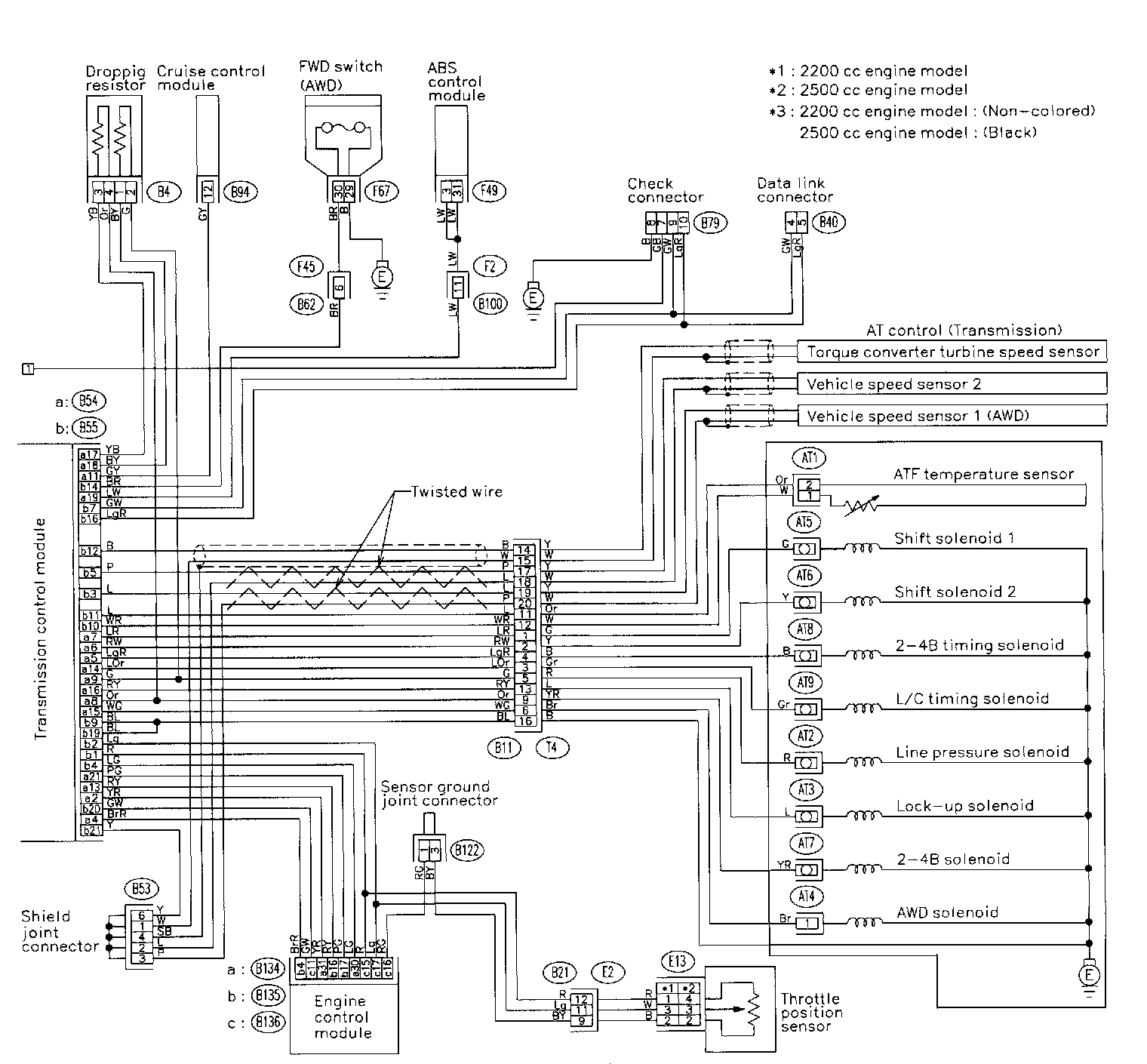
A/T Control System
A/T Control System
Part 1 Of 2:
Part 2 Of 2:
Circuit Diagrams
Circuit Connectors