Curiosii for ever!: Car repair manuals for everyone.

Ignition Control System

D: IGNITION CONTROL SYSTEM

CAUTION: After repair or replacement of faulty parts, conduct CLEAR MEMORY MODE and INSPECTION MODE. Refer to How To Clear Diagnostic Trouble Codes




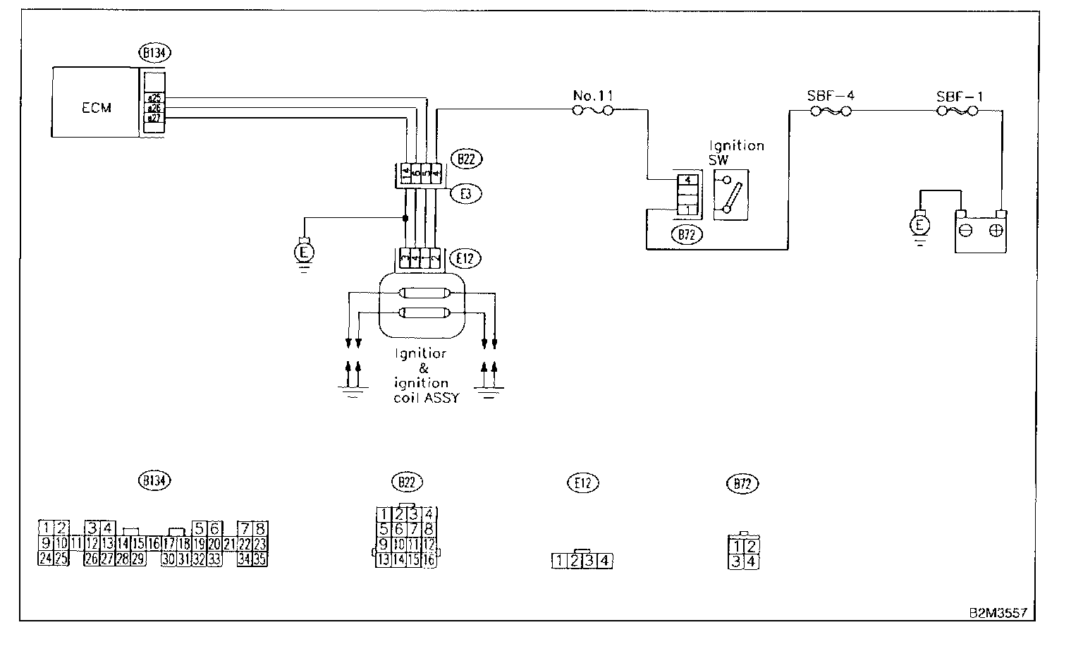
WIRING DIAGRAM:

8D1: CHECK IGNITION SYSTEM FOR SPARKS.
1. Remove plug cord cap from each spark plug.
2. Install new spark plug on plug cord cap.

CAUTION: Do not remove spark plug from engine.

3. Contact spark plug's thread portion on engine.




4. While opening throttle valve fully, crank engine to check that spark occurs at each cylinder.

CHECK: Does spark occur at each cylinder?

YES: Check fuel pump system.

NO: Go to step 8D2.

8D2: CHECK POWER SUPPLY CIRCUIT FOR IGNITION COIL & IGNITOR ASSEMBLY.
1. Turn ignition switch to OFF.
2. Disconnect connector from ignition coil & ignitor assembly.
3. Turn ignition switch to ON.

Connector & terminal (E12) No.2 (+) - Engine ground (-):




4. Measure power supply voltage between ignition coil & ignitor assembly connector and engine ground.

CHECK: Is the voltage more than 10 Volt?

YES: Go to step 8D3.

NO: Repair harness and connector.

NOTE: In this case, repair the following:
- Open circuit in harness between ignition coil & ignitor assembly, and ignition switch connector
- Poor contact in coupling connectors (B22)

8D3: CHECK HARNESS OF IGNITION COIL & IGNITOR ASSEMBLY GROUND CIRCUIT.
1. Turn ignition switch to OFF.

Connector & terminal (E12) No.3 - Engine ground:




2. Measure resistance between ignition coil & ignitor assembly connector and engine ground.

CHECK: Is the resistance between less than 5 Ohm ?

YES: Go to step 8D4.

NO: Repair harness and connector.

NOTE: In this case, repair the following:
- Open circuit in harness between ignition coil & ignitor assembly connector and engine grounding terminal

8D4: CHECK IGNITION COIL & IGNITOR ASSEMBLY.
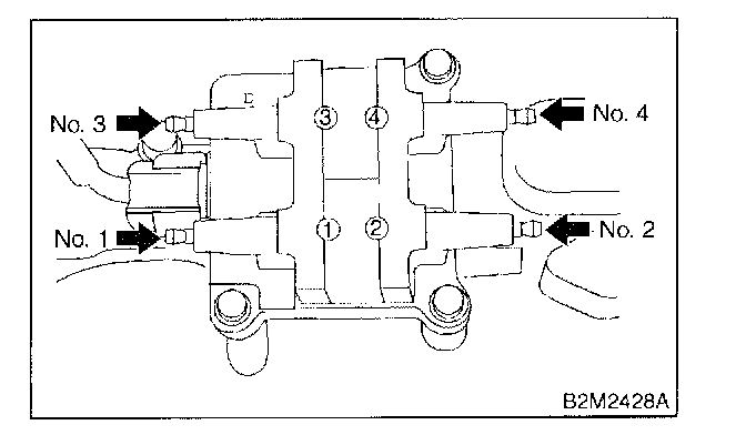
1. Remove spark plug cords.

Terminals No.1 - No.2:




2. Measure resistance between spark plug cord contact portions to check secondary coil.

CHECK: Is the resistance between 10 and 15 K.Ohm?

YES: Go to step 8D5.

NO: Replace ignition coil & ignitor assembly.

8D5: CHECK IGNITION COIL & IGNITOR ASSEMBLY.

Terminals No.3 - No.4:




Measure resistance between spark plug cord contact portions to check secondary coil.

CHECK: Is the resistance between 10 and 15 K.Ohm?

YES: Go to step 8D6.

NO: Replace ignition coil & ignitor assembly.

8D6: CHECK INPUT SIGNAL FOR IGNITION COIL & IGNITOR ASSEMBLY.
1. Connect connector to ignition coil & ignitor assembly.

Connector & terminal (E12) No.1 (+) - Engine ground (-):




2. Check if voltage varies synchronously with engine speed when cranking, while monitoring voltage between ignition coil & ignitor assembly connector and engine ground.

CHECK: Is the voltage more than 10 Volt?

YES: Go to step 8D7.

NO: Replace ignition coil & ignitor assembly.

8D7: CHECK INPUT SIGNAL FOR IGNITION COIL & IGNITOR ASSEMBLY.

Connector & terminal (E12) No.4 (+) - Engine ground (-):




Check if voltage varies synchronously with engine speed when cranking, while monitoring voltage between ignition coil & ignitor assembly connector and engine ground.

CHECK: Is the voltage more than 10 Volt?

YES: Go to step 8D8.

NO: Replace ignition coil & ignitor assembly.

8D8: CHECK HARNESS BETWEEN ECM AND IGNITION COIL & IGNITOR ASSEMBLY CONNECTOR.
1. Turn ignition switch to OFF.
2. Disconnect connector from ECM.
3. Disconnect connector from ignition coil & ignitor assembly.

Connector & terminal (B134) No.25 - (E12) No.1:




4. Measure resistance of harness between ECM and ignition coil & ignitor assembly connector.

CHECK: Is the resistance less than 1 ohm?

YES: Go to step 8D9.

NO: Repair harness and connector.

NOTE: In this case, repair the following:
- Open circuit in harness between ECM and ignition coil & ignitor assembly connector
- Poor contact in coupling connector (B22)

8D9: CHECK HARNESS BETWEEN ECM AND IGNITION COIL & IGNITOR ASSEMBLY CONNECTOR.

Connector & terminal (B134) No.26 - (E12) No.4:




Measure resistance of harness between ECM and ignition coil & ignitor assembly connector.

CHECK: Is the resistance less than 1 ohm?

YES: Go to step 8D10.

NO: Repair harness and connector.

NOTE: In this case, repair the following:
- Open circuit in harness between ECM and ignition coil & ignitor assembly connector
- Poor contact in coupling connector (B22)

8D10: CHECK HARNESS BETWEEN ECM AND IGNITION COIL & IGNITOR ASSEMBLY CONNECTOR.

Connector & terminal: (B134) No.25 - Engine ground:




Measure resistance of harness between ECM and engine ground.

CHECK: Is the resistance more than 1 M.Ohm?

YES: Go to step 8D11.

NO: Repair ground short circuit in harness between ECM and ignition coil & ignitor assembly connector.

8D11. CHECK HARNESS BETWEEN ECM AND IGNITION COIL & IGNITOR ASSEMBLY CONNECTOR.

Connector & terminal (B134) No.26 - Engine ground:




Measure resistance of harness between ECM and engine ground.

CHECK: Is the resistance more than 1 M.Ohm?

YES: Go to step 8D12.

NO: Repair ground short circuit in harness between ECM and ignition coil & ignitor assembly connector.

8D12: CHECK POOR CONTACT.
Check poor contact in ECM connector.

CHECK: Is there poor contact in ECM connector?

YES: Repair poor contact in ECM connector.

NO: Check fuel pump circuit.