Curiosii for ever!: Car repair manuals for everyone.

Heater Core: Service and Repair

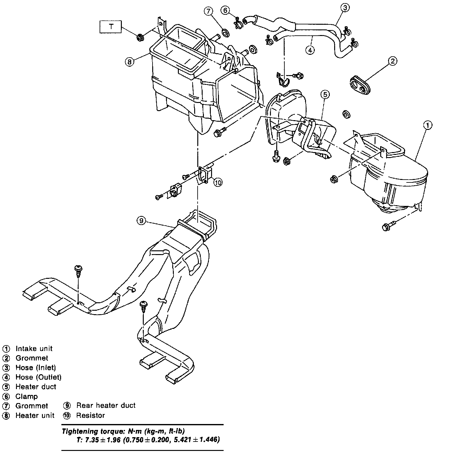
Heater Core





1. Disconnect battery ground cable.
2. Disconnect inlet and outlet heater hoses in engine compartment. Drain as much coolant as possible from heater unit and plug disconnected hoses.
3. Disconnect heater control and mode door cables, then vacuum hose from heater unit joint as equipped.
4. Remove instrument panel as outlined under Instrument Panel, Gauges and Warning Indicators.






5. Remove heater unit.






6. Remove heater core from heater unit.
7. Reverse procedure to install, noting the following:
a. Fitted length of heater hose to pipe is 25 - 30mm (0.98 - 1.18 inch).
b. Torque heater unit attaching bolts to 5.4 - 9.3 Nm (4.0-6.9 ft. lbs).