Curiosii for ever!: Car repair manuals for everyone.

M/T Torque Data

5-spd M/T, Transfer Case & Transmission Extension:



5-spd M/T, Transmission Shifter Fork & Rod:



5-spd M/T, Transmission Main Shaft Assembly (2.5L) 2500 CC:



5-spd M/T, Transmission Main Shaft Assembly:



5-spd M/T, Transmission Drive Pinion Assembly (2.5L) 2500 CC:



5-spd M/T, Transmission Drive Pinion Assembly (2.2L) 2200 CC:



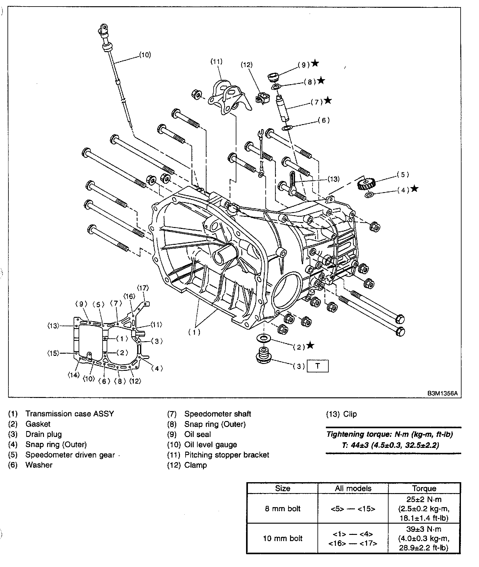
5-spd M/T, Transmission Case:



5-spd M/T, Transmission Clutch (Hydraulic Application Type):



5-spd M/T, Transmission Clutch System (Mechanical Application Type):