Curiosii for ever!
: Car repair manuals for everyone.
Home
>>
Subaru
>>
1999
>>
Impreza Outback Sport F4-2.2L SOHC
>>
Repair and Diagnosis
>>
Brakes and Traction Control
>>
Antilock Brakes / Traction Control Systems
>>
Testing and Inspection
>>
Component Tests and General Diagnostics
>>
Non-Trouble Code Diagnostic Procedures - Using Select Monitor
>>
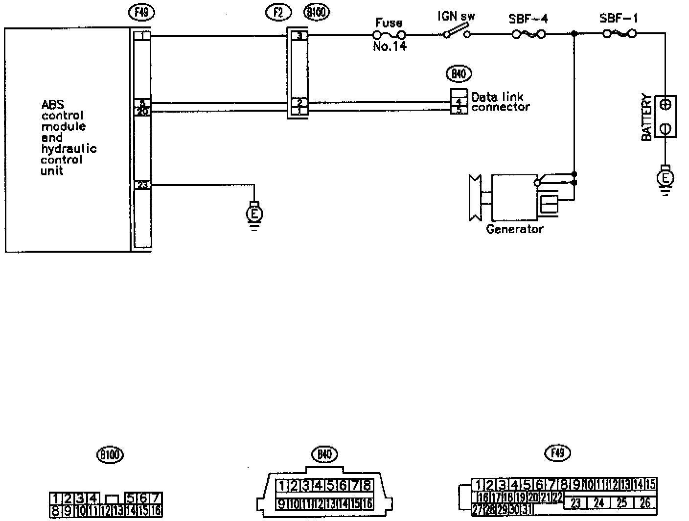
Communication For Initializing Impossible
Communication For Initializing Impossible
Part 1 Of 2:
Part 2 Of 2:
NOTE:
Select Monitor Communication Failure.
DIAGNOSIS:
-
Faulty harness connector
TROUBLE SYMPTOM:
-
ABS warning light remains on.
WIRING DIAGRAM: