Curiosii for ever!
: Car repair manuals for everyone.
Home
>>
Subaru
>>
1999
>>
Impreza L Sedan F4-2.2L SOHC
>>
Repair and Diagnosis
>>
Powertrain Management
>>
Transmission Control Systems
>>
Testing and Inspection
>>
Component Tests and General Diagnostics
>>
Diagnostic Chart With Select Monitor
>>
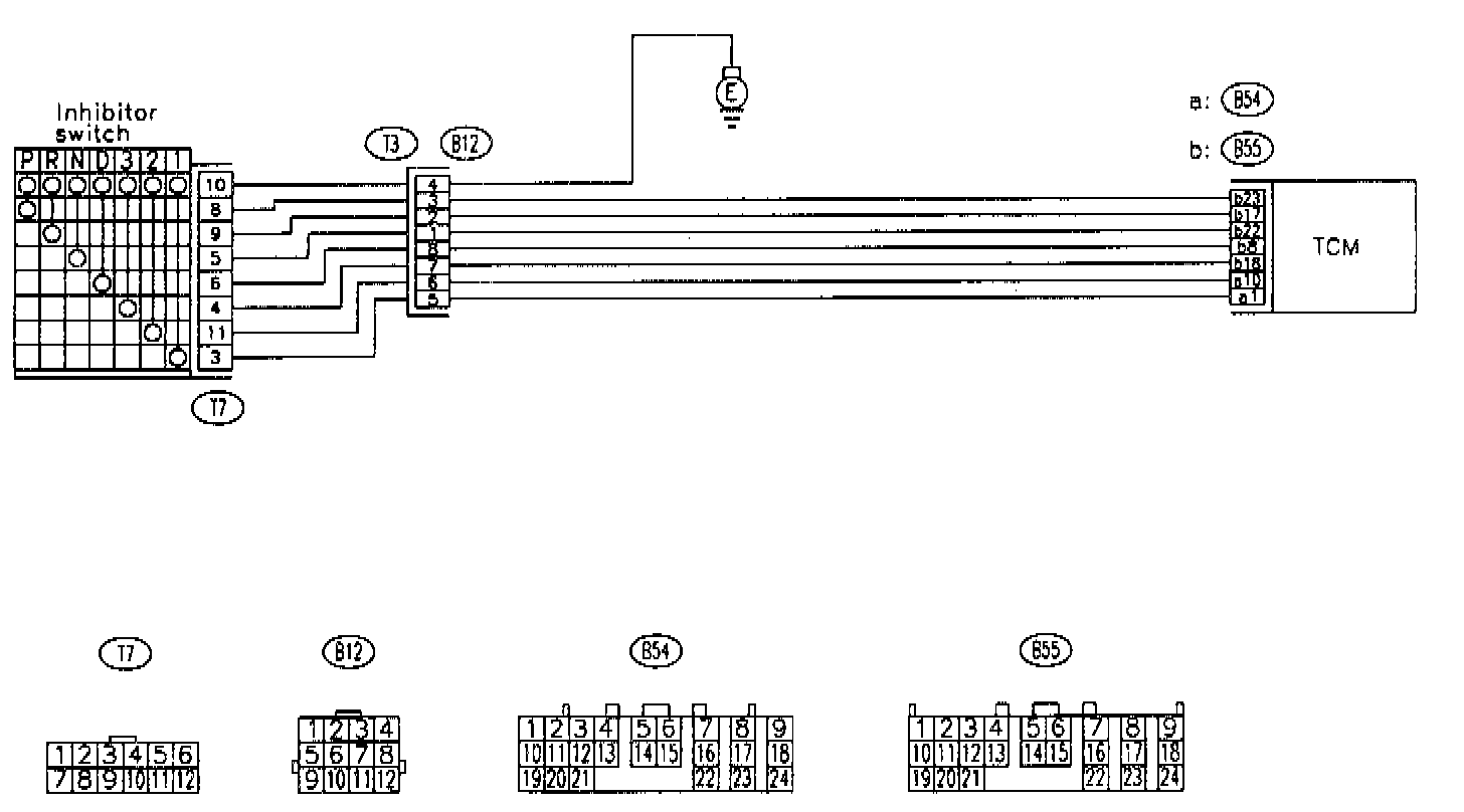
Check "R" Range Switch
Check "R" Range Switch
V: Check "R" Range Switch
Diagnosis:
Input signal circuit of "R" range is open or shorted.
Wiring Diagram