Curiosii for ever!: Car repair manuals for everyone.

Check Indicator and Circuit In Cruise Control Main Switch

CHECK INDICATOR AND CIRCUIT IN CRUISE CONTROL MAIN SWITCH

DIAGNOSIS:
- Bulb failure or open harness of the indicator circuit in the cruise control main switch.

TROUBLE SYMPTOM:
- Cruise control can be set, normally indicator does not come on. (When main switch is pressed.)

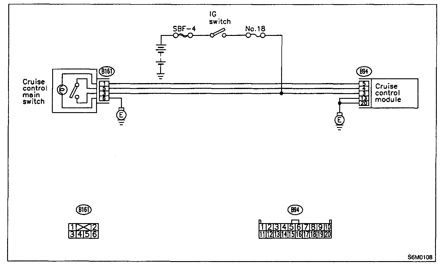
Wiring Diagram:




WIRING DIAGRAM:

7B1 : CHECK CRUISE CONTROL MAIN SWITCH.




1. Remove cruise control main switch.
2. Measure resistance between cruise control main switch terminals.

CHECK: Is resistance between 10 and 80 Ohm?

YES: Go to step 7B2.

NO: Replace switch illumination bulb.

7B2: CHECK CIRCUIT BETWEEN CRUISE CONTROL MODULE AND CRUISE CONTROL MAIN SWITCH INDICATOR LIGHT.




1. Turn the ignition switch to ON.
2. Turn cruise control main switch to ON.
3. Measure voltage between cruise control main switch connector and the chassis ground.

CHECK: Is voltage more than 10 V?

YES: Go to step 7B3.

NO: Repair or replace wiring harness.

7B3: CHECK CIRCUIT BETWEEN CRUISE CONTROL MODULE AND CRUISE CONTROL MAIN SWITCH INDICATOR LIGHT.




1. Turn the ignition switch and cruise control main switch to OFF.
2. Remove the connector from the cruise control main switch.
3. Measure resistance of ground circuit between the cruise control main switch connector and chassis ground.

CHECK: Is resistance less than 10 Ohm?

YES: Replace cruise control module.

NO: Repair or replace wiring harness.