Curiosii for ever!: Car repair manuals for everyone.

Engine Components

TORQUE SPECIFICATIONS

Timing Components





Camshaft Removal and Installation

Intake Camshaft Cap Bolt Removal Sequence:





Exhaust Camshaft Cap Bolt Removal Sequence:









Intake Camshaft Cap Bolts Tightening Sequence; Tighten Exhaust Camshaft Cap Bolts Similarly:






Cylinder Head Components









Cylinder Head Removal and Installation

Cylinder Head Bolt Removal Sequence:





Cylinder Head Bolt Installation Sequence:





1. Apply a coat of engine oil to washers and bolt threads.
2. Tighten all bolts to 29 Nm (3.0 kg-cm, 22 ft. lbs.) in alphabetical sequence. Then tighten all bolts to 69 Nm (7.0 kg-cm, 51 ft. lbs.) in alphabetical sequence.
3. Back off all bolts by 180° first; back them off by 180° again.
4. Tighten all bolts to 39 Nm (4.0 kg-cm, 29 ft. lbs.).
5. Tighten all bolts by 80° to 90° in alphabetical sequence.
6. Further tighten all bolts by 40° to 45° in alphabetical sequence.

CAUTION: Do not tighten bolts more than 45°.

7. Tighten bolts (A) and (B) by 40° to 45°.

CAUTION: Ensure that the total "re-tightening angle" [in the two previous steps] do not exceed 90°.


Cylinder Block Components













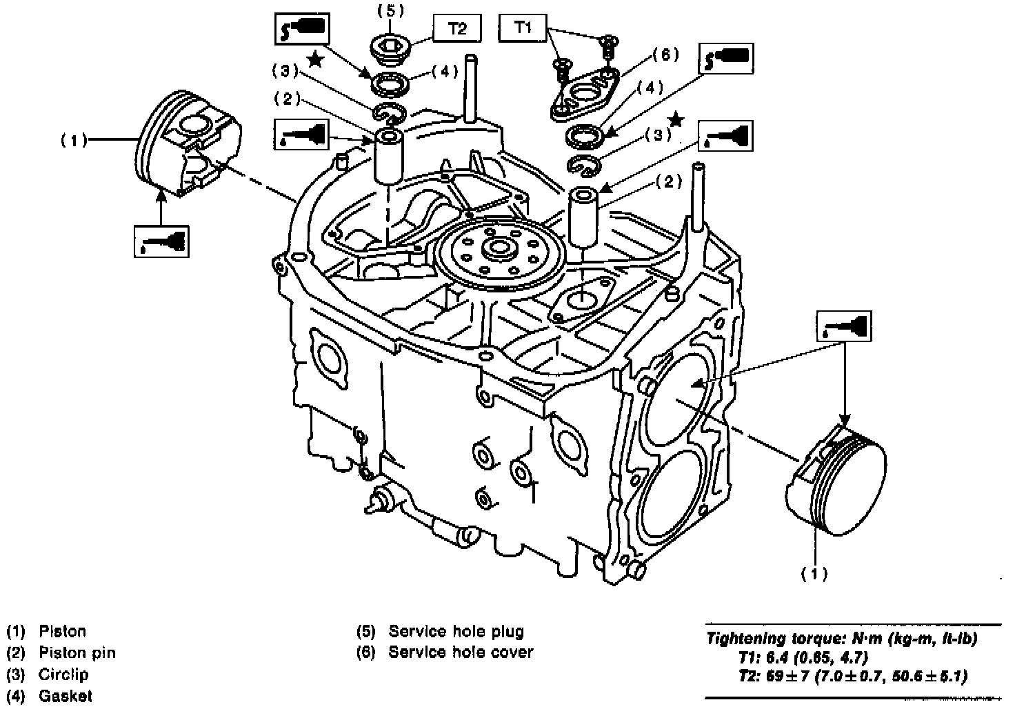
Crankshaft, Pistons and Flywheel/Drive Plate





Cylinder Block Assembly




CAUTION: Remove oil the mating surface of bearing and cylinder block before Installation. Also apply a coat of engine oil to crankshaft pins.

1. Position crankshaft on the #2 and #4 cylinder block.





2. Apply fluid packing to the mating surface of #1 and #3 cylinder block, and position it on #2 and #4 cylinder block.
Fluid packing: THREE BOND 1215 or equivalent

CAUTION: Do not allow fluid packing to jut into O-ring grooves, oil passages, bearing grooves, etc.





3. Temporarily tighten 10 mm cylinder block connecting bolts in alphabetical sequence shown in figure.
4. Tighten 10 mm cylinder block connecting bolts in alphabetical sequence.

Tightening torque: 47 ± 3 Nm (4.8 ± 0.3 kg-cm, 34.7 ± 2.2 ft. lbs.)





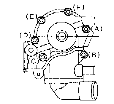
5. Tighten 8 mm and 6 mm cylinder block connecting bolts in alphabetical sequence shown in figure.

Tightening torque:
(A) - (G): 25 ± 2 Nm (2.5 ± 0.2 kg-cm, 18.1 ± 1.4 ft. lbs.)
(H): 6.4 Nm (0.65 kg-cm, 4.7 ft. lbs.)



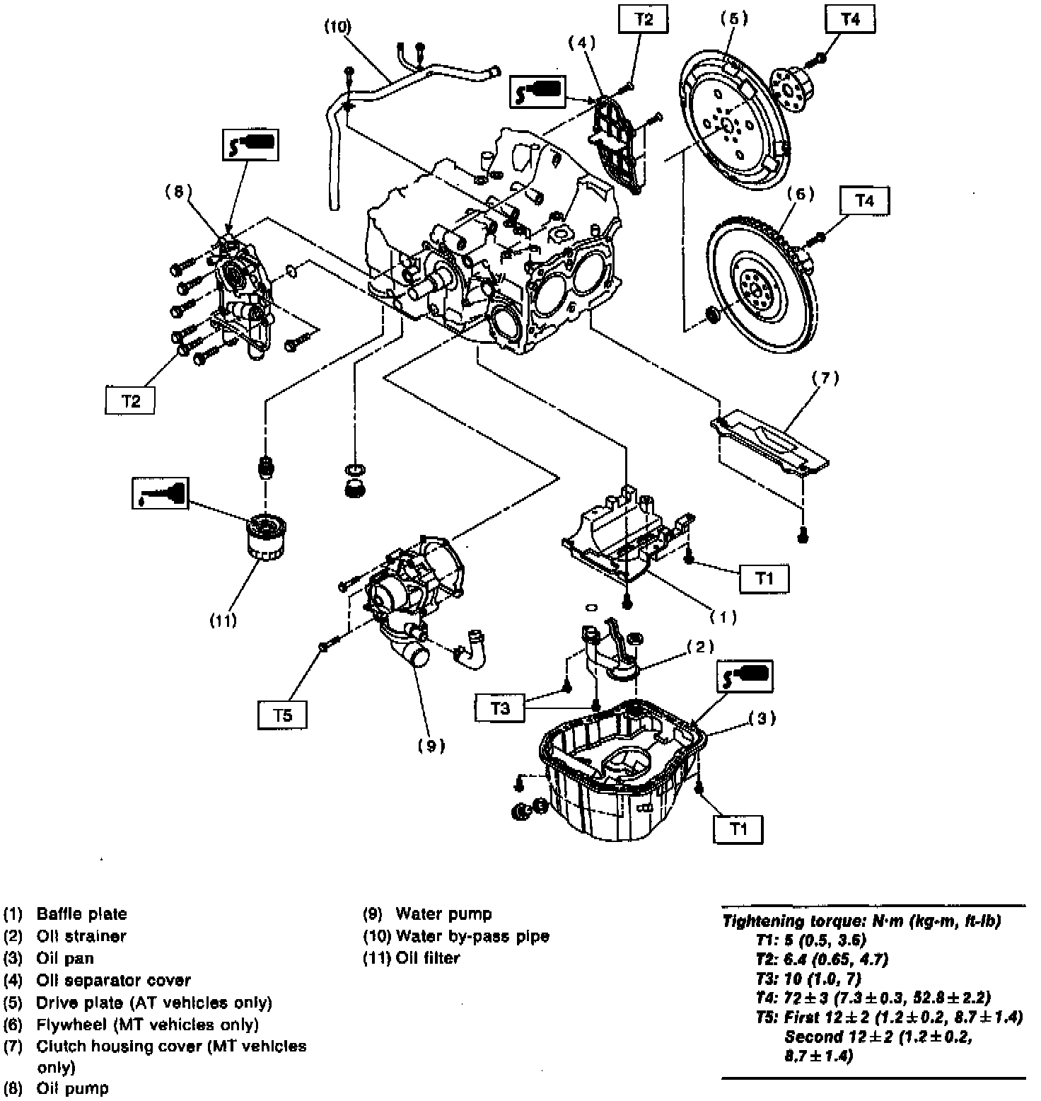
Oil Pump, Oil Pan, Baffle Plate and Water Pump