Curiosii for ever!: Car repair manuals for everyone.

Engine Components

TORQUE SPECIFICATIONS

Timing Components





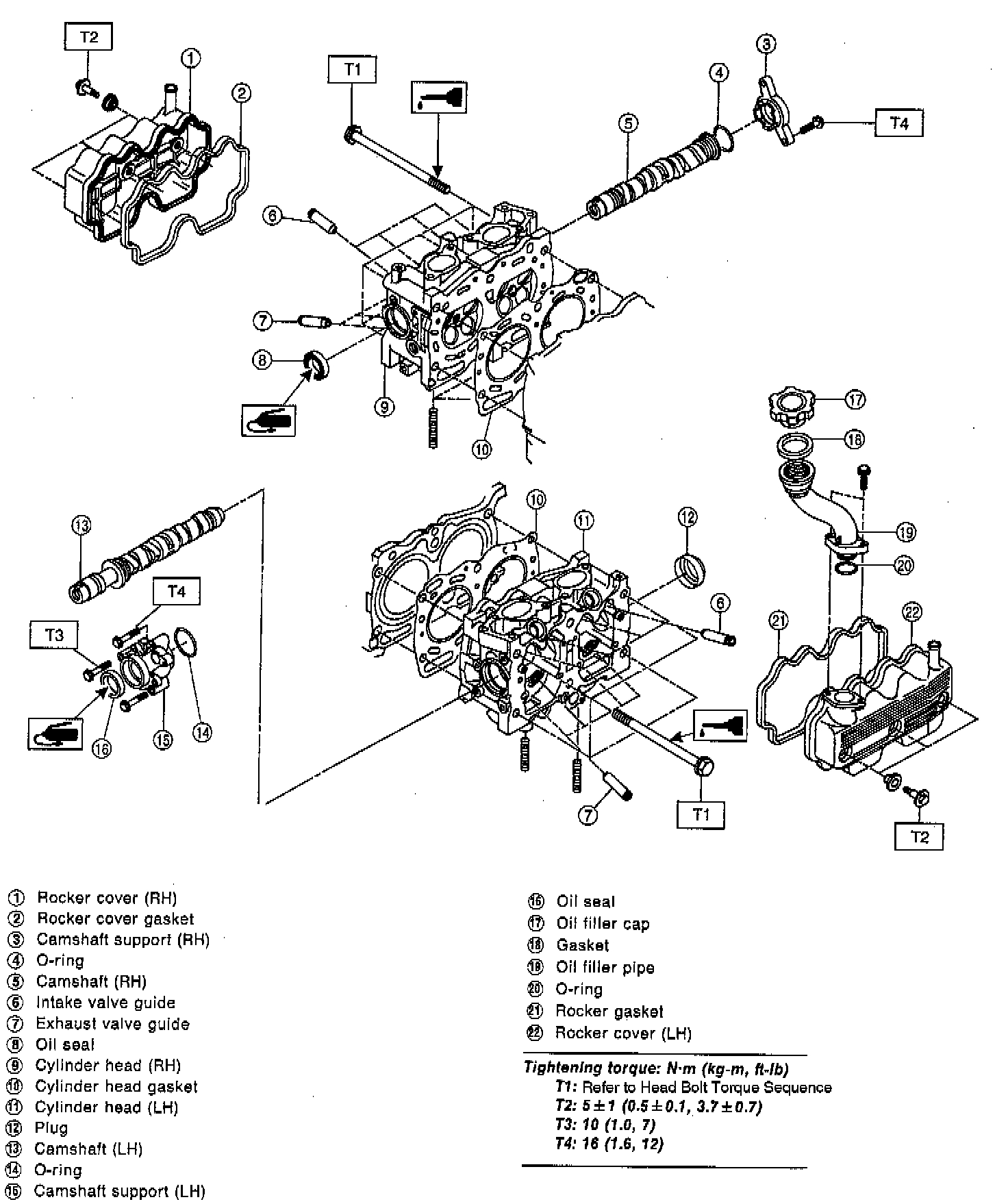
Cylinder Head and Camshaft









Valve Rocker Assembly











1. Temporarily tighten bolts (A) through (D) equally.
2. Tighten bolts (E) through (H) to 12 N.m (1.2 kg-m, 9 ft-lb)
3. Tighten bolts (A) through (D) to 12 N.m (1.2 kg-m, 9 ft-lb)


Cylinder Head Bolt Torque/Sequence




Note: Apply a coat of engine oil to washers and bolt threads.

1. Tighten all bolts to 29 N.m (3.0 kg-m, 22 ft-lb) in numerical order.
2. Then tighten all bolts to 69 N.m (7.0 kg-m, 51 ft-lb) in numerical order.
3. Back off all bolts by 180° first; back them off by 180° again.
4. Tighten bolts (1) and (2) to 34 N.m (3.5 kg-m, 25 ft-lb).
5. Tighten bolts (3), (4), (5) and (6) to 15 N.m (1.5 kg-m, 11 ft-lb).
6. Tighten all bolts by 80° to 90° in numerical sequence.

CAUTION: Do not tighten bolts more than 90°.

7. Further tighten all bolts by 80° to 90° in numerical sequence.

CAUTION: Ensure that the total "re-tightening angle" does not exceed 180°.


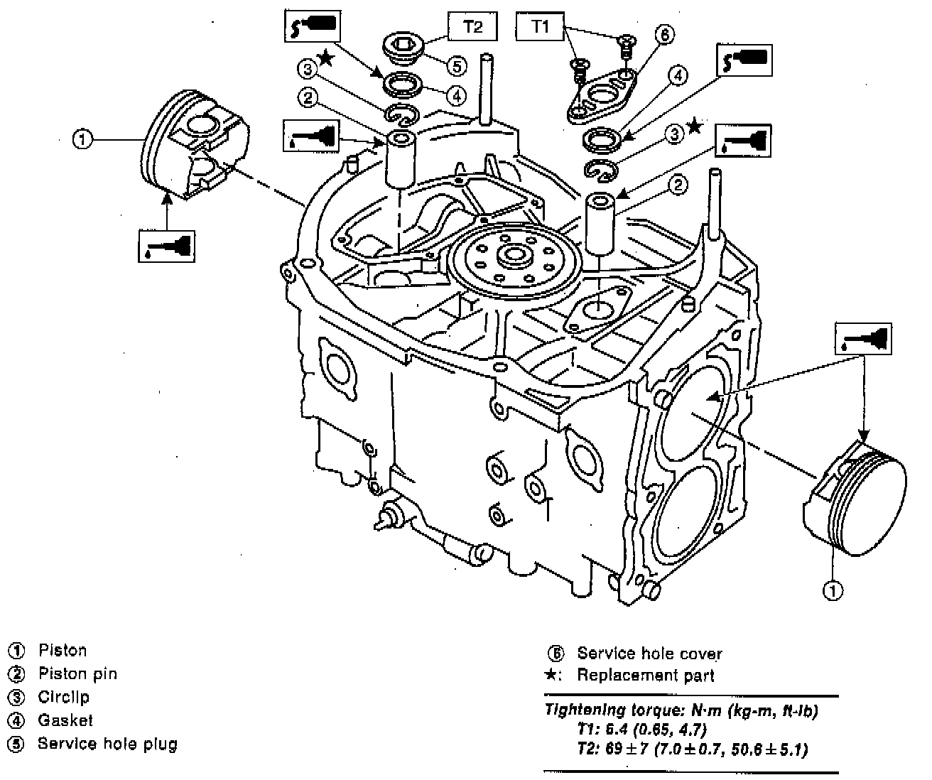
Cylinder Block Assembly












1. Tighten 10 mm bolts in sequence to 47 ± 3 Nm (34.7 ± 2.2 ft.lbs.)





2. Tighten 8 mm and 6 mm bolts in sequence to:
A - G: 25 ± 2 Nm (18.1 ± 1.4 ft.lbs.)
H: 6.4 Nm (4.7 ft.lbs.)


Crankshaft, Piston and Flywheel









Oil Pump and Oil Pan





Water Pump and Coolant Pipe




Water Pump Tightening Sequence:










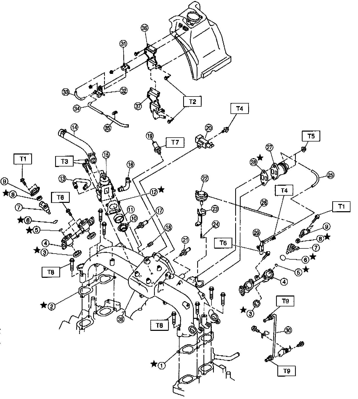
Intake Manifold