Curiosii for ever!
: Car repair manuals for everyone.
Home
>>
Subaru
>>
1998
>>
Impreza L Sedan F4-2.2L SOHC
>>
Repair and Diagnosis
>>
Diagrams
>>
Electrical Diagrams
>>
Transmission Control Systems
>>
A/T Control System
A/T Control System
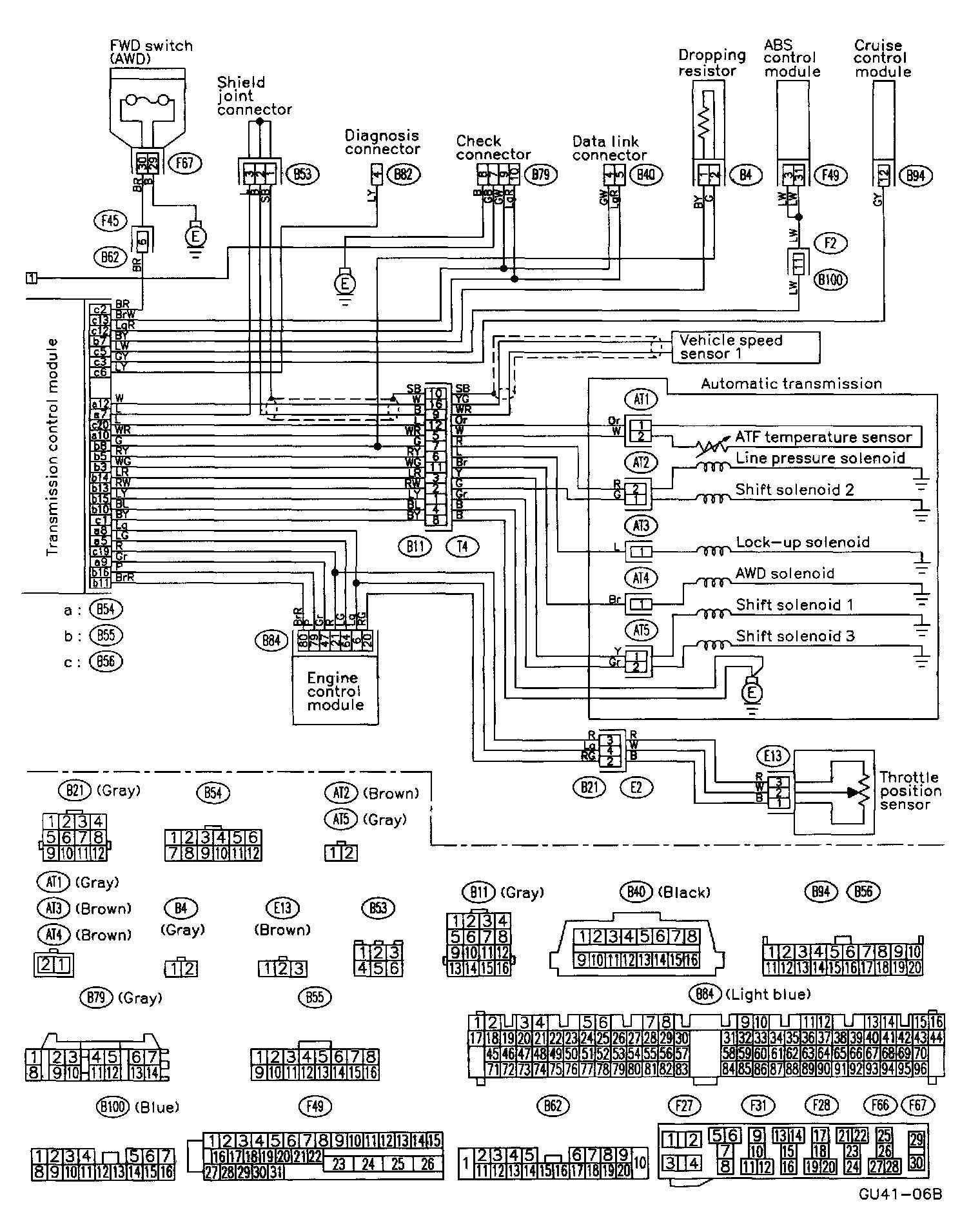
A/T Control System Circuit 1:
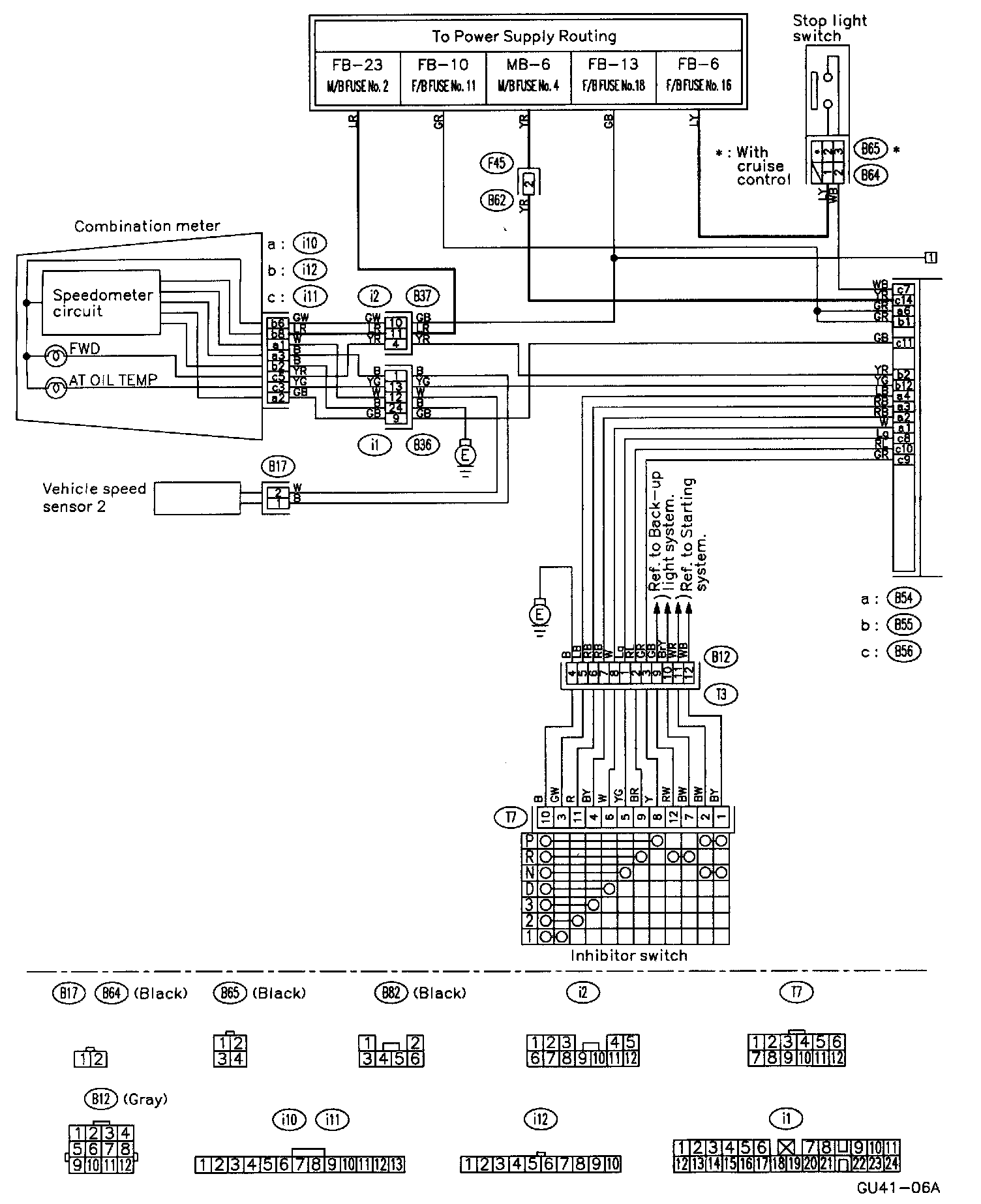
A/T Control System Circuit 2: