Curiosii for ever!
: Car repair manuals for everyone.
Home
>>
Subaru
>>
1997
>>
Legacy L Sedan AWD F4-2.2L SOHC
>>
Repair and Diagnosis
>>
Specifications
>>
Mechanical Specifications
>>
Engine
>>
System Specifications
>>
Torque Specifications
>>
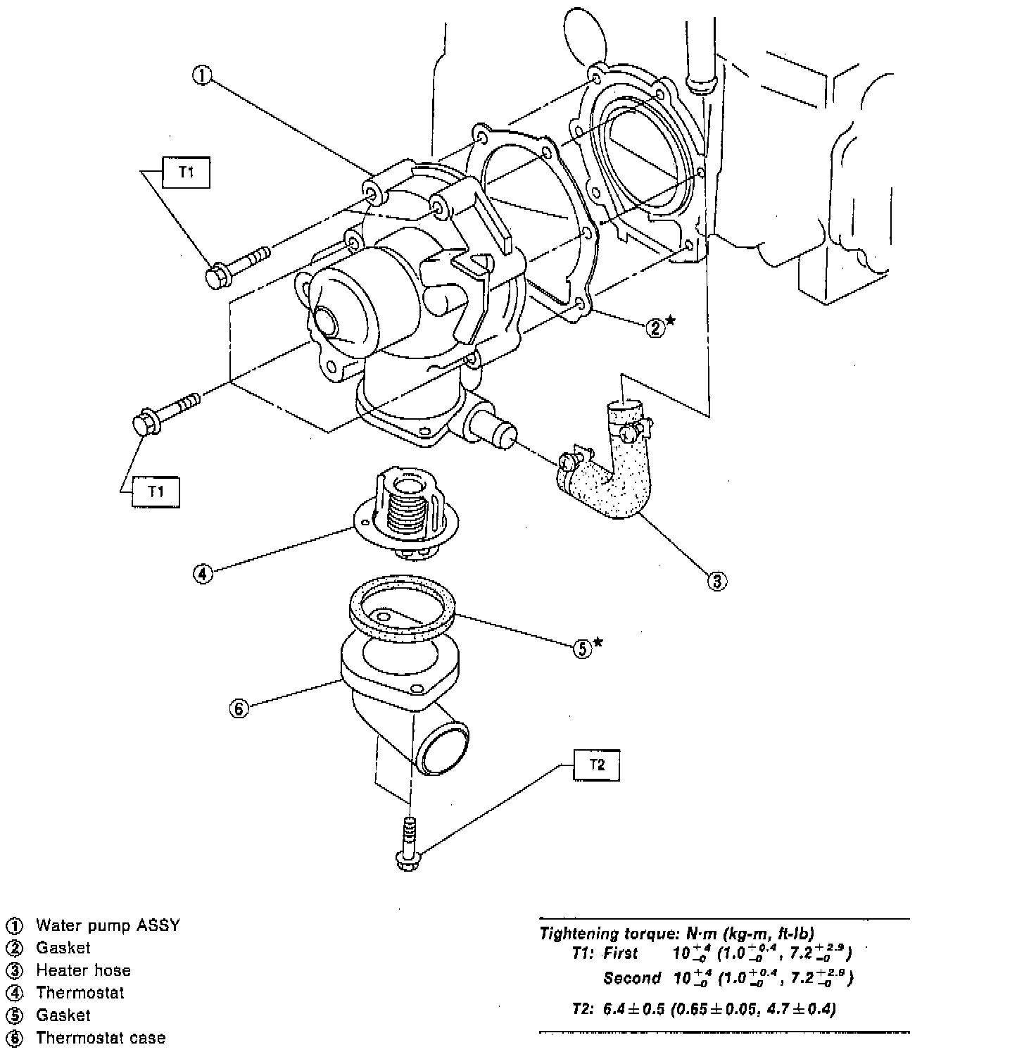
Water Pump
Water Pump
Water Pump and Coolant Pipe
Water Pump Tightening Sequence: